В наличии демонстрационные модели кранов грузоподъёмностью от 100 до 750 тонн за 50% от стоимости!!!
Гусеничный кран QUY-80B

Гусеничный кран QUY-80B

Основные характеристики
  • Максимальная грузоподъемность: 80 т
  • Длина основной стрелы: 13 - 58 м
  • Длина жёсткомонтируемого гуська: 9 - 18 м
Основные преимущества
  • СТРЕЛА ИЗ НЕМЕЦКОЙ ВЫСОКОПРОЧНОЙ СТАЛИ
  • ВОЗМОЖНОСТЬ ПЕРЕДВИЖЕНИЯ КРАНА С ГРУЗОМ ПО СТРОИТЕЛЬНОЙ ПЛОЩАДКЕ
  • КОМПЛЕКТУЮЩИЕ КРАНА ИМПОРТНОГО ПРОИЗВОДСТВА (ЯПОНИЯ, ГЕРМАНИЯ, США), ЧТО ПОДТВЕРЖДАЕТ ВЫСОКОЕ КАЧЕСТВО КРАНА
  • ТЕМПЕРАТУРНЫЙ РЕЖИМ -40°С
  • ВОЗМОЖНОСТЬ РАБОТЫ КРАНА С ДОПОЛНИТЕЛЬНЫМ ОБОРУДОВАНИЕМ
  • ФУНКЦИЯ FREE FALL (СВОБОДНЫЙ СБРОС ГРУЗА)
  • РУСИФИКАЦИЯ ПРИБОРОВ УПРАВЛЕНИЯ КРАНОМ (УПРАВЛЕНИЕ КРАНОМ НА РУССКОМ ЯЗЫКЕ)
Гусеничный кран QUY-80B

Гусеничный кран QUY-80B

Технические характеристики
Грузовысотные характеристики
Габариты
Транспортировка
Конфигурация

Характеристики

Характеристики
Значение
Ед.изм.
Максимальная грузоподъемность
80
т
Грузовой момент
80 х 4,0 = 320
т·м
Основная стрела + жёсткомонтируемый гусёк
49 + 18
м
Угол изменения вылета основной стрелы
30-80
град
Крюковые обоймы
9/25/50/80
т
Скорость работы основной лебёдки
74
м/мин
Скорость работы вспомогательной лебёдки
74
м/мин
Скорость подъёма/опускания основной стрелы
58
м/мин
Скорость поворота
2
об/мин
Скорость передвижения
2,2
км/ч
Макс. нагрузка на одну нить каната
8
т
Максимальный преодолеваемый подъем
30
%
Масса крана (в базовой комплектации)
82
т
Длина основной стрелы
13 - 58
м
Длина жёсткомонтируемого гуська
9 - 18
м
Давление на грунт
0,82
кгс/см2
Радиус разворота
4980
мм
Двигатель
Cummins QSL-9 209/2000/284
кВт/об/мин/лс
Масса противовеса
24,6
т

Грузовысотные характеристики

Грузовысотные характеристики

Габариты

Габариты

Транспортировка

Крановая установка (без гусениц)
Крановая установка (без гусениц) x1
Длина
9.15 м
Ширина
3.48 м
Высота
3.15 м
Вес
31000 кг
Гусеницы (в сборе)
Гусеницы (в сборе) x2
Длина
6.36 м
Ширина
1.19 м
Высота
1.11 м
Вес
11000 кг
Кран в сборе (без противовесов)
Кран в сборе (без противовесов) x1
Длина
9.67 м
Ширина
3.48 м
Высота
3.46 м
Вес
53000 кг
Сварной противовес A
Сварной противовес A x1
Длина
3.50 м
Ширина
1.16 м
Высота
0.52 м
Вес
7106 кг
Сварной противовес B
Сварной противовес B x1
Длина
3.50 м
Ширина
1.16 м
Высота
0.705 м
Вес
9330 кг
Сварной противовес C
Сварной противовес C x1
Длина
3.50 м
Ширина
1.16 м
Высота
0.705 м
Вес
8160 кг
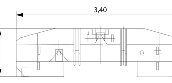
Литейный противовес A
Литейный противовес A x1
Длина
3.40 м
Ширина
1.00 м
Высота
0.52 м
Вес
7067 кг
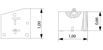
Литейный противовес I
Литейный противовес I x1
Длина
1.00 м
Ширина
0.99 м
Высота
0.66 м
Вес
4067 кг
Литейный противовес II
Литейный противовес II x1
Длина
1.00 м
Ширина
0.99 м
Высота
0.66 м
Вес
4055 кг
Литейный противовес III
Литейный противовес III x1
Длина
1.20 м
Ширина
0.40 м
Высота
0.65 м
Вес
2111 кг
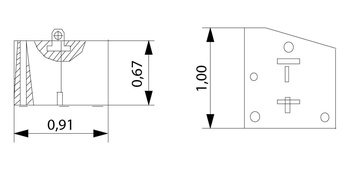
Литейный противовес IV
Литейный противовес IV x1
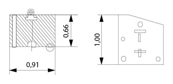
Длина
1.00 м
Ширина
0.91 м
Высота
0.67 м
Вес
3656 кг
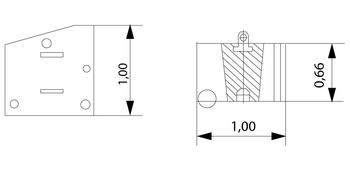
Литейный противовес V
Литейный противовес V x1
Длина
1.00 м
Ширина
0.91 м
Высота
0.66 м
Вес
3654 кг
Корневая секция стрелы
Корневая секция стрелы x1
Длина
6.73 м
Ширина
1.61 м
Высота
1.91 м
Вес
1837 кг
Клиновидная секция стрелы
Клиновидная секция стрелы x1
Длина
6.98 м
Ширина
1.61 м
Высота
1.72 м
Вес
1556 кг
Секция стрелы 3 м
Секция стрелы 3 м x1
Длина
3.12 м
Ширина
1.61 м
Высота
1.71 м
Вес
517 кг
Промежуточная секция 6 м
Промежуточная секция 6 м x1
Длина
6.12 м
Ширина
1.61 м
Высота
1.71 м
Вес
850 кг
Промежуточная секция 9 м
Промежуточная секция 9 м x4
Длина
9.12 м
Ширина
1.61 м
Высота
1.71 м
Вес
1157 кг
Основание гуська
Основание гуська x1
Длина
4.62 м
Ширина
0.90 м
Высота
0.79 м
Вес
232 кг
Клиновидная секция гуська
Клиновидная секция гуська x1
Длина
4.92 м
Ширина
0.61 м
Высота
1.08 м
Вес
234 кг
Промежуточная секция гуська 4.5 м
Промежуточная секция гуська 4.5 м x1
Длина
4.58 м
Ширина
0.61 м
Высота
0.59 м
Вес
133 кг
Опора
Опора x1
Длина
4.43 м
Ширина
0.95 м
Высота
0.62 м
Вес
299 кг
Крюк 9 т
Крюк 9 т x1
Длина
0.95 м
Ширина
0.36 м
Высота
0.36 м
Вес
250 кг
Крюк 25 т
Крюк 25 т x1
Длина
1.65 м
Ширина
0.68 м
Высота
0.37 м
Вес
435 кг
Крюк 50 т
Крюк 50 т x1
Длина
1.78 м
Ширина
0.68 м
Высота
0.42 м
Вес
750 кг
Крюк 80 т
Крюк 80 т x1
Длина
1.93 м
Ширина
0.68 м
Высота
0.55 м
Вес
1030 кг
Конфигурация-1 (QUY-80B)
Конфигурация-2 (QUY-80B)
Конфигурация-3 (QUY-80B)
ТЕХНИЧЕСКИЕ ХАРАКТЕРИСТИКИ КРАНА (МАКСИМАЛЬНАЯ ДЛИНА СТРЕЛЫ)

ТЕХНИЧЕСКИЕ ХАРАКТЕРИСТИКИ КРАНА (МАКСИМАЛЬНАЯ ДЛИНА СТРЕЛЫ)

Комбинации основной стрелы

13 м
Основание основной стрелы (B) -> 6.5 Клиновидная секция основной стрелы (BT) -> 6.5
16 м
Основание основной стрелы (B) -> 6.5 Промежуточная секция основной стрелы (3) -> 3 Клиновидная секция основной стрелы (BT) -> 6.5
19 м
Основание основной стрелы (B) -> 6.5 Промежуточная секция основной стрелы (6) -> 6 Клиновидная секция основной стрелы (BT) -> 6.5
22 м
Основание основной стрелы (B) -> 6.5 Промежуточная секция основной стрелы (9) -> 9 Клиновидная секция основной стрелы (BT) -> 6.5
25 м
Основание основной стрелы (B) -> 6.5 Промежуточная секция основной стрелы (3) -> 3 Промежуточная секция основной стрелы (9) -> 9 Клиновидная секция основной стрелы (BT) -> 6.5
28 м
Основание основной стрелы (B) -> 6.5 Промежуточная секция основной стрелы (6) -> 6 Промежуточная секция основной стрелы (9) -> 9 Клиновидная секция основной стрелы (BT) -> 6.5
31 м
Основание основной стрелы (B) -> 6.5 Промежуточная секция основной стрелы (3) -> 3 Промежуточная секция основной стрелы (6) -> 6 Промежуточная секция основной стрелы (9) -> 9 Клиновидная секция основной стрелы (BT) -> 6.5
34 м
Основание основной стрелы (B) -> 6.5 Промежуточная секция основной стрелы (3) -> 3 Промежуточная секция основной стрелы (9) -> 9 Промежуточная секция основной стрелы (9) -> 9 Клиновидная секция основной стрелы (BT) -> 6.5
37 м
Основание основной стрелы (B) -> 6.5 Промежуточная секция основной стрелы (6) -> 6 Промежуточная секция основной стрелы (9) -> 9 Промежуточная секция основной стрелы (9) -> 9 Клиновидная секция основной стрелы (BT) -> 6.5
40 м
Основание основной стрелы (B) -> 6.5 Промежуточная секция основной стрелы (3) -> 3 Промежуточная секция основной стрелы (6) -> 6 Промежуточная секция основной стрелы (9) -> 9 Промежуточная секция основной стрелы (9) -> 9 Клиновидная секция основной стрелы (BT) -> 6.5
43 м
Основание основной стрелы (B) -> 6.5 Промежуточная секция основной стрелы (3) -> 3 Промежуточная секция основной стрелы (9) -> 9 Промежуточная секция основной стрелы (9) -> 9 Промежуточная секция основной стрелы (9) -> 9 Клиновидная секция основной стрелы (BT) -> 6.5
46 м
Основание основной стрелы (B) -> 6.5 Промежуточная секция основной стрелы (6) -> 6 Промежуточная секция основной стрелы (9) -> 9 Промежуточная секция основной стрелы (9) -> 9 Промежуточная секция основной стрелы (9) -> 9 Клиновидная секция основной стрелы (BT) -> 6.5
49 м
Основание основной стрелы (B) -> 6.5 Промежуточная секция основной стрелы (3) -> 3 Промежуточная секция основной стрелы (6) -> 6 Промежуточная секция основной стрелы (9) -> 9 Промежуточная секция основной стрелы (9) -> 9 Промежуточная секция основной стрелы (9) -> 9 Клиновидная секция основной стрелы (BT) -> 6.5
52 м
Основание основной стрелы (B) -> 6.5 Промежуточная секция основной стрелы (3) -> 3 Промежуточная секция основной стрелы (9) -> 9 Промежуточная секция основной стрелы (9) -> 9 Промежуточная секция основной стрелы (9) -> 9 Промежуточная секция основной стрелы (9) -> 9 Клиновидная секция основной стрелы (BT) -> 6.5
55 м
Основание основной стрелы (B) -> 6.5 Промежуточная секция основной стрелы (6) -> 6 Промежуточная секция основной стрелы (9) -> 9 Промежуточная секция основной стрелы (9) -> 9 Промежуточная секция основной стрелы (9) -> 9 Промежуточная секция основной стрелы (9) -> 9 Клиновидная секция основной стрелы (BT) -> 6.5
58 м
Основание основной стрелы (B) -> 6.5 Промежуточная секция основной стрелы (3) -> 3 Промежуточная секция основной стрелы (6) -> 6 Промежуточная секция основной стрелы (9) -> 9 Промежуточная секция основной стрелы (9) -> 9 Промежуточная секция основной стрелы (9) -> 9 Промежуточная секция основной стрелы (9) -> 9 Клиновидная секция основной стрелы (BT) -> 6.5

Размеры секций основной стрелы

Знак
Длинна стрелы
Примечание
Основание основной стрелы
6.5 м
Основание основной стрелы
Клиновидная секция основной стрелы
6.5 м
Клиновидная секция основной стрелы
Промежуточная секция основной стрелы
3 м
Промежуточная секция основной стрелы
Промежуточная секция основной стрелы
6 м
Промежуточная секция основной стрелы
Промежуточная секция основной стрелы
9 м
Промежуточная секция основной стрелы
ТЕХНИЧЕСКИЕ ХАРАКТЕРИСТИКИ КРАНА (МАКСИМАЛЬНАЯ ДЛИНА СТРЕЛЫ С РАННЕРОМ)

ТЕХНИЧЕСКИЕ ХАРАКТЕРИСТИКИ КРАНА (МАКСИМАЛЬНАЯ ДЛИНА СТРЕЛЫ С РАННЕРОМ)

Комбинации основной стрелы

25 м
Основание основной стрелы (B) -> 6.5 Промежуточная секция основной стрелы (3) -> 3 Промежуточная секция основной стрелы (9) -> 9 Клиновидная секция основной стрелы (BT) -> 6.5
28 м
Основание основной стрелы (B) -> 6.5 Промежуточная секция основной стрелы (6) -> 6 Промежуточная секция основной стрелы (9) -> 9 Клиновидная секция основной стрелы (BT) -> 6.5
31 м
Основание основной стрелы (B) -> 6.5 Промежуточная секция основной стрелы (3) -> 3 Промежуточная секция основной стрелы (6) -> 6 Промежуточная секция основной стрелы (9) -> 9 Клиновидная секция основной стрелы (BT) -> 6.5
34 м
Основание основной стрелы (B) -> 6.5 Промежуточная секция основной стрелы (3) -> 3 Промежуточная секция основной стрелы (9) -> 9 Промежуточная секция основной стрелы (9) -> 9 Клиновидная секция основной стрелы (BT) -> 6.5
37 м
Основание основной стрелы (B) -> 6.5 Промежуточная секция основной стрелы (6) -> 6 Промежуточная секция основной стрелы (9) -> 9 Промежуточная секция основной стрелы (9) -> 9 Клиновидная секция основной стрелы (BT) -> 6.5
40 м
Основание основной стрелы (B) -> 6.5 Промежуточная секция основной стрелы (3) -> 3 Промежуточная секция основной стрелы (6) -> 6 Промежуточная секция основной стрелы (9) -> 9 Промежуточная секция основной стрелы (9) -> 9 Клиновидная секция основной стрелы (BT) -> 6.5
43 м
Основание основной стрелы (B) -> 6.5 Промежуточная секция основной стрелы (3) -> 3 Промежуточная секция основной стрелы (9) -> 9 Промежуточная секция основной стрелы (9) -> 9 Промежуточная секция основной стрелы (9) -> 9 Клиновидная секция основной стрелы (BT) -> 6.5
46 м
Основание основной стрелы (B) -> 6.5 Промежуточная секция основной стрелы (6) -> 6 Промежуточная секция основной стрелы (9) -> 9 Промежуточная секция основной стрелы (9) -> 9 Промежуточная секция основной стрелы (9) -> 9 Клиновидная секция основной стрелы (BT) -> 6.5
49 м
Основание основной стрелы (B) -> 6.5 Промежуточная секция основной стрелы (3) -> 3 Промежуточная секция основной стрелы (6) -> 6 Промежуточная секция основной стрелы (9) -> 9 Промежуточная секция основной стрелы (9) -> 9 Промежуточная секция основной стрелы (9) -> 9 Клиновидная секция основной стрелы (BT) -> 6.5
52 м
Основание основной стрелы (B) -> 6.5 Промежуточная секция основной стрелы (3) -> 3 Промежуточная секция основной стрелы (9) -> 9 Промежуточная секция основной стрелы (9) -> 9 Промежуточная секция основной стрелы (9) -> 9 Промежуточная секция основной стрелы (9) -> 9 Клиновидная секция основной стрелы (BT) -> 6.5
55 м
Основание основной стрелы (B) -> 6.5 Промежуточная секция основной стрелы (6) -> 6 Промежуточная секция основной стрелы (9) -> 9 Промежуточная секция основной стрелы (9) -> 9 Промежуточная секция основной стрелы (9) -> 9 Промежуточная секция основной стрелы (9) -> 9 Клиновидная секция основной стрелы (BT) -> 6.5
58 м
Основание основной стрелы (B) -> 6.5 Промежуточная секция основной стрелы (3) -> 3 Промежуточная секция основной стрелы (6) -> 6 Промежуточная секция основной стрелы (9) -> 9 Промежуточная секция основной стрелы (9) -> 9 Промежуточная секция основной стрелы (9) -> 9 Промежуточная секция основной стрелы (9) -> 9 Клиновидная секция основной стрелы (BT) -> 6.5

Размеры секций основной стрелы

Знак
Длинна стрелы
Примечание
Основание основной стрелы
6.5 м
Основание основной стрелы
Промежуточная секция основной стрелы
3 м
Промежуточная секция основной стрелы
Промежуточная секция основной стрелы
9 м
Промежуточная секция основной стрелы
Клиновидная секция основной стрелы
6.5 м
Клиновидная секция основной стрелы
Промежуточная секция основной стрелы
6 м
Промежуточная секция основной стрелы
ТЕХНИЧЕСКИЕ ХАРАКТЕРИСТИКИ КРАНА (СТРЕЛА МАКСИМАЛЬНОЙ ДЛИНЫ С ГУСЬКОМ)

ТЕХНИЧЕСКИЕ ХАРАКТЕРИСТИКИ КРАНА (СТРЕЛА МАКСИМАЛЬНОЙ ДЛИНЫ С ГУСЬКОМ)

Комбинации основной стрелы

31 м
Основание основной стрелы (B) -> 6.5 Промежуточная секция основной стрелы (3) -> 3 Промежуточная секция основной стрелы (6) -> 6 Промежуточная секция основной стрелы (9) -> 9 Клиновидная секция основной стрелы (BT) -> 6.5
52 м
Основание основной стрелы (B) -> 6.5 Промежуточная секция основной стрелы (3) -> 3 Промежуточная секция основной стрелы (9) -> 9 Промежуточная секция основной стрелы (9) -> 9 Промежуточная секция основной стрелы (9) -> 9 Промежуточная секция основной стрелы (9) -> 9 Клиновидная секция основной стрелы (BT) -> 6.5

Размеры секций основной стрелы

Знак
Длинна стрелы
Примечание
Основание основной стрелы
6.5 м
Основание основной стрелы
Промежуточная секция основной стрелы
3 м
Промежуточная секция основной стрелы
Промежуточная секция основной стрелы
6 м
Промежуточная секция основной стрелы
Промежуточная секция основной стрелы
9 м
Промежуточная секция основной стрелы
Клиновидная секция основной стрелы
6.5 м
Клиновидная секция основной стрелы

Комбинации гуська

9 м
Основание основной стрелы (B) -> 4.5 Клиновидная секция основной стрелы (BT) -> 4.5
13.5 м
Основание основной стрелы (B) -> 4.5 Промежуточная секция основной стрелы (45) -> 4.5 Клиновидная секция основной стрелы (BT) -> 4.5
18 м
Основание основной стрелы (B) -> 4.5 Промежуточная секция основной стрелы (45) -> 4.5 Промежуточная секция основной стрелы (45) -> 4.5 Клиновидная секция основной стрелы (BT) -> 4.5

Размеры секций гуська

Знак
Длинна стрелы
Примечание
Основание основной стрелы
4.5 м
Основание основной стрелы
Клиновидная секция основной стрелы
4.5 м
Клиновидная секция основной стрелы
Промежуточная секция основной стрелы
4.5 м
Промежуточная секция основной стрелы