В наличии демонстрационные модели кранов грузоподъёмностью от 100 до 750 тонн за 50% от стоимости!!!
Гусеничный кран QUY-70A

Гусеничный кран QUY-70A

Основные характеристики
  • Максимальная грузоподъемность: 70 т
  • Длина основной стрелы: 12 - 57 м
  • Длина жёсткомонтируемого гуська: 9 - 18 м
Основные преимущества
  • ВОЗМОЖНОСТЬ ПЕРЕДВИЖЕНИЯ КРАНА С ГРУЗОМ ПО СТРОИТЕЛЬНОЙ ПЛОЩАДКЕ
  • ТЕМПЕРАТУРНЫЙ РЕЖИМ -40°С
  • ВОЗМОЖНОСТЬ РАБОТЫ КРАНА С ДОПОЛНИТЕЛЬНЫМ ОБОРУДОВАНИЕМ
  • ФУНКЦИЯ FREE FALL (СВОБОДНЫЙ СБРОС ГРУЗА)
  • РУСИФИКАЦИЯ ПРИБОРОВ УПРАВЛЕНИЯ КРАНОМ (УПРАВЛЕНИЕ КРАНОМ НА РУССКОМ ЯЗЫКЕ)
Гусеничный кран QUY-70A

Гусеничный кран QUY-70A

Технические характеристики
Грузовысотные характеристики
Габариты
Транспортировка
Конфигурация

Характеристики

Характеристики
Значение
Ед.изм.
Максимальная грузоподъемность
70
т
Грузовой момент
70 х 3,5 = 245
т·м
Длина основной стрелы
12 - 57
м
Длина жёсткомонтируемого гуська
9 - 18
м
Основная стрела + жёсткомонтируемый гусёк
45 + 18 = 63
м
Угол изменения вылета основной стрелы
30 - 80
град
Крюковые обоймы
9/25/50/70
т
Скорость работы основной лебёдки
110
м/мин
Скорость работы вспомогательной лебёдки
110
м/мин
Скорость подъёма/опускания основной стрелы
52
м/мин
Скорость поворота
2,4
об/мин
Скорость передвижения
1,35
км/ч
Макс. нагрузка на одну нить каната
7
т
Максимальный преодолеваемый подъем
30
%
Масса крана (в базовой комплектации)
65
т
Давление на грунт
0,70
кгс/см2
Масса противовеса
23
т
Двигатель
175/2000/237,9 Weichai WP10.240
кВт/об/мин/лс

Грузовысотные характеристики

Грузовысотные характеристики

Габариты

Габариты

Транспортировка

Общий кран (без контргруза, с основанием)
Общий кран (без контргруза, с основанием) x1
Длина
11.91 м
Ширина
3.30 м
Высота
3.35 м
Вес
40500 кг
Общий кран (без контргруза)
Общий кран (без контргруза) x1
Длина
7.77 м
Ширина
3.30 м
Высота
3.35 м
Вес
39000 кг
Тело крана (с шасси)
Тело крана (с шасси) x1
Длина
7.42 м
Ширина
3.30 м
Высота
2.94 м
Вес
24380 кг
Гусеницы (в сборе)
Гусеницы (в сборе) x2
Длина
5.95 м
Ширина
1.10 м
Высота
1.05 м
Вес
7560 кг
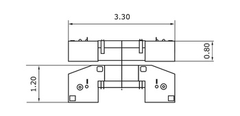
Контргруз I
Контргруз I x1
Длина
3.30 м
Ширина
1.20 м
Высота
0.80 м
Вес
8550 кг
Контргруз II
Контргруз II x1
Длина
3.30 м
Ширина
1.20 м
Высота
0.80 м
Вес
9000 кг
Контргруз III
Контргруз III x1
Длина
0.92 м
Ширина
1.20 м
Высота
0.75 м
Вес
2680 кг
Контргруз IV
Контргруз IV x1
Длина
0.92 м
Ширина
1.20 м
Высота
0.75 м
Вес
2680 кг
Основание стрелы
Основание стрелы x1
Длина
6.18 м
Ширина
1.51 м
Высота
1.79 м
Вес
1060 кг
Промежуточная стрелы 3 м
Промежуточная стрелы 3 м x1
Длина
3.12 м
Ширина
1.51 м
Высота
1.55 м
Вес
340 кг
Промежуточная стрелы 6 м
Промежуточная стрелы 6 м x1
Длина
6.12 м
Ширина
1.51 м
Высота
1.55 м
Вес
570 кг
Промежуточная стрелы 9 м
Промежуточная стрелы 9 м x4
Длина
9.12 м
Ширина
1.51 м
Высота
1.55 м
Вес
800 кг
Клиновидная секция
Клиновидная секция x1
Длина
6.51 м
Ширина
1.51 м
Высота
1.67 м
Вес
1300 кг
Основание гуська
Основание гуська x1
Длина
4.66 м
Ширина
1.51 м
Высота
1.57 м
Вес
201 кг
Промежуточная секция гуська 4.5 м
Промежуточная секция гуська 4.5 м x2
Длина
4.58 м
Ширина
0.61 м
Высота
0.59 м
Вес
133 кг
Клиновидная секция гуська
Клиновидная секция гуська x1
Длина
4.93 м
Ширина
0.64 м
Высота
1.09 м
Вес
211 кг
Распорка
Распорка x1
Длина
4.43 м
Ширина
0.87 м
Высота
0.57 м
Вес
286 кг
Дополнительный шкив
Дополнительный шкив x1
Длина
1.33 м
Ширина
0.86 м
Высота
0.62 м
Вес
150 кг
Крюк 70 т
Крюк 70 т x1
Длина 1.93 м
Ширина
0.68 м
Высота
0.54 м
Вес
1060 кг
Крюк 50 т
Крюк 50 т x1
Длина
1.78 м
Ширина
0.68 м
Высота
0.41 м
Вес
690 кг
Крюк 9 т
Крюк 9 т x1
Длина
0.95 м
Ширина
0.36 м
Высота
0.36 м
Вес
250 кг
Крюк 25 т
Крюк 25 т x1
Длина
1.65 м
Ширина
0.68 м
Высота
0.37 м
Вес
435 кг
Конфигурация-1 (QUY-70A)
Конфигурация-2 (QUY-70A)
Конфигурация-3 (QUY-70A)
ТЕХНИЧЕСКИЕ ХАРАКТЕРИСТИКИ КРАНА (МАКСИМАЛЬНАЯ ДЛИНА СТРЕЛЫ)

ТЕХНИЧЕСКИЕ ХАРАКТЕРИСТИКИ КРАНА (МАКСИМАЛЬНАЯ ДЛИНА СТРЕЛЫ)

Комбинации основной стрелы

12 м
Основание основной стрелы (B) -> 6 Клиновидная секция основной стрелы (BT) -> 6
15 м
Основание основной стрелы (B) -> 6 Промежуточная секция основной стрелы (3) -> 3 Клиновидная секция основной стрелы (BT) -> 6
18 м
Основание основной стрелы (B) -> 6 Промежуточная секция основной стрелы (6) -> 6 Клиновидная секция основной стрелы (BT) -> 6
21 м
Основание основной стрелы (B) -> 6 Промежуточная секция основной стрелы (9) -> 9 Клиновидная секция основной стрелы (BT) -> 6
24 м
Основание основной стрелы (B) -> 6 Промежуточная секция основной стрелы (3) -> 3 Промежуточная секция основной стрелы (9) -> 9 Клиновидная секция основной стрелы (BT) -> 6
27 м
Основание основной стрелы (B) -> 6 Промежуточная секция основной стрелы (6) -> 6 Промежуточная секция основной стрелы (9) -> 9 Клиновидная секция основной стрелы (BT) -> 6
30 м
Основание основной стрелы (B) -> 6 Промежуточная секция основной стрелы (3) -> 3 Промежуточная секция основной стрелы (6) -> 6 Промежуточная секция основной стрелы (9) -> 9 Клиновидная секция основной стрелы (BT) -> 6
33 м
Основание основной стрелы (B) -> 6 Промежуточная секция основной стрелы (3) -> 3 Промежуточная секция основной стрелы (9) -> 9 Промежуточная секция основной стрелы (9) -> 9 Клиновидная секция основной стрелы (BT) -> 6
36 м
Основание основной стрелы (B) -> 6 Промежуточная секция основной стрелы (6) -> 6 Промежуточная секция основной стрелы (9) -> 9 Промежуточная секция основной стрелы (9) -> 9 Клиновидная секция основной стрелы (BT) -> 6
39 м
Основание основной стрелы (B) -> 6 Промежуточная секция основной стрелы (3) -> 3 Промежуточная секция основной стрелы (6) -> 6 Промежуточная секция основной стрелы (9) -> 9 Промежуточная секция основной стрелы (9) -> 9 Клиновидная секция основной стрелы (BT) -> 6
42 м
Основание основной стрелы (B) -> 6 Промежуточная секция основной стрелы (3) -> 3 Промежуточная секция основной стрелы (9) -> 9 Промежуточная секция основной стрелы (9) -> 9 Промежуточная секция основной стрелы (9) -> 9 Клиновидная секция основной стрелы (BT) -> 6
45 м
Основание основной стрелы (B) -> 6 Промежуточная секция основной стрелы (6) -> 6 Промежуточная секция основной стрелы (9) -> 9 Промежуточная секция основной стрелы (9) -> 9 Промежуточная секция основной стрелы (9) -> 9 Клиновидная секция основной стрелы (BT) -> 6
48 м
Основание основной стрелы (B) -> 6 Промежуточная секция основной стрелы (3) -> 3 Промежуточная секция основной стрелы (6) -> 6 Промежуточная секция основной стрелы (9) -> 9 Промежуточная секция основной стрелы (9) -> 9 Промежуточная секция основной стрелы (9) -> 9 Клиновидная секция основной стрелы (BT) -> 6
51 м
Основание основной стрелы (B) -> 6 Промежуточная секция основной стрелы (3) -> 3 Промежуточная секция основной стрелы (9) -> 9 Промежуточная секция основной стрелы (9) -> 9 Промежуточная секция основной стрелы (9) -> 9 Промежуточная секция основной стрелы (9) -> 9 Клиновидная секция основной стрелы (BT) -> 6
54 м
Основание основной стрелы (B) -> 6 Промежуточная секция основной стрелы (6) -> 6 Промежуточная секция основной стрелы (9) -> 9 Промежуточная секция основной стрелы (9) -> 9 Промежуточная секция основной стрелы (9) -> 9 Промежуточная секция основной стрелы (9) -> 9 Клиновидная секция основной стрелы (BT) -> 6
57 м
Основание основной стрелы (B) -> 6 Промежуточная секция основной стрелы (3) -> 3 Промежуточная секция основной стрелы (6) -> 6 Промежуточная секция основной стрелы (9) -> 9 Промежуточная секция основной стрелы (9) -> 9 Промежуточная секция основной стрелы (9) -> 9 Промежуточная секция основной стрелы (9) -> 9 Клиновидная секция основной стрелы (BT) -> 6

Размеры секций основной стрелы

Знак
Длина стрелы
Примечание
Основание основной стрелы
6 м
Основание основной стрелы
Клиновидная секция основной стрелы
6 м
Клиновидная секция основной стрелы
Промежуточная секция основной стрелы
3 м
Промежуточная секция основной стрелы
Промежуточная секция основной стрелы
6 м
Промежуточная секция основной стрелы
Промежуточная секция основной стрелы
9 м
Промежуточная секция основной стрелы
ТЕХНИЧЕСКИЕ ХАРАКТЕРИСТИКИ КРАНА (МАКСИМАЛЬНАЯ ДЛИНА СТРЕЛЫ С РАННЕРОМ)

ТЕХНИЧЕСКИЕ ХАРАКТЕРИСТИКИ КРАНА (МАКСИМАЛЬНАЯ ДЛИНА СТРЕЛЫ С РАННЕРОМ)

Комбинации основной стрелы

18 м
Основание основной стрелы (B) -> 6 Промежуточная секция основной стрелы (6) -> 6 Клиновидная секция основной стрелы (BT) -> 6
21 м
Основание основной стрелы (B) -> 6 Промежуточная секция основной стрелы (9) -> 9 Клиновидная секция основной стрелы (BT) -> 6
24 м
Основание основной стрелы (B) -> 6 Промежуточная секция основной стрелы (3) -> 3 Промежуточная секция основной стрелы (9) -> 9 Клиновидная секция основной стрелы (BT) -> 6
27 м
Основание основной стрелы (B) -> 6 Промежуточная секция основной стрелы (6) -> 6 Промежуточная секция основной стрелы (9) -> 9 Клиновидная секция основной стрелы (BT) -> 6
30 м
Основание основной стрелы (B) -> 6 Промежуточная секция основной стрелы (3) -> 3 Промежуточная секция основной стрелы (6) -> 6 Промежуточная секция основной стрелы (9) -> 9 Клиновидная секция основной стрелы (BT) -> 6
33 м
Основание основной стрелы (B) -> 6 Промежуточная секция основной стрелы (3) -> 3 Промежуточная секция основной стрелы (9) -> 9 Промежуточная секция основной стрелы (9) -> 9 Клиновидная секция основной стрелы (BT) -> 6
36 м
Основание основной стрелы (B) -> 6 Промежуточная секция основной стрелы (6) -> 6 Промежуточная секция основной стрелы (9) -> 9 Промежуточная секция основной стрелы (9) -> 9 Клиновидная секция основной стрелы (BT) -> 6
39 м
Основание основной стрелы (B) -> 6 Промежуточная секция основной стрелы (3) -> 3 Промежуточная секция основной стрелы (6) -> 6 Промежуточная секция основной стрелы (9) -> 9 Промежуточная секция основной стрелы (9) -> 9 Клиновидная секция основной стрелы (BT) -> 6
42 м
Основание основной стрелы (B) -> 6 Промежуточная секция основной стрелы (3) -> 3 Промежуточная секция основной стрелы (9) -> 9 Промежуточная секция основной стрелы (9) -> 9 Промежуточная секция основной стрелы (9) -> 9 Клиновидная секция основной стрелы (BT) -> 6
45 м
Основание основной стрелы (B) -> 6 Промежуточная секция основной стрелы (6) -> 6 Промежуточная секция основной стрелы (9) -> 9 Промежуточная секция основной стрелы (9) -> 9 Промежуточная секция основной стрелы (9) -> 9 Клиновидная секция основной стрелы (BT) -> 6
48 м
Основание основной стрелы (B) -> 6 Промежуточная секция основной стрелы (3) -> 3 Промежуточная секция основной стрелы (6) -> 6 Промежуточная секция основной стрелы (9) -> 9 Промежуточная секция основной стрелы (9) -> 9 Промежуточная секция основной стрелы (9) -> 9 Клиновидная секция основной стрелы (BT) -> 6
51 м
Основание основной стрелы (B) -> 6 Промежуточная секция основной стрелы (3) -> 3 Промежуточная секция основной стрелы (9) -> 9 Промежуточная секция основной стрелы (9) -> 9 Промежуточная секция основной стрелы (9) -> 9 Промежуточная секция основной стрелы (9) -> 9 Клиновидная секция основной стрелы (BT) -> 6
54 м
Основание основной стрелы (B) -> 6 Промежуточная секция основной стрелы (6) -> 6 Промежуточная секция основной стрелы (9) -> 9 Промежуточная секция основной стрелы (9) -> 9 Промежуточная секция основной стрелы (9) -> 9 Промежуточная секция основной стрелы (9) -> 9 Клиновидная секция основной стрелы (BT) -> 6

Размеры секций основной стрелы

Знак
Длина стрелы
Примечание
Основание основной стрелы
6 м
Основание основной стрелы
Промежуточная секция основной стрелы
6 м
Промежуточная секция основной стрелы
Клиновидная секция основной стрелы
6 м
Клиновидная секция основной стрелы
Промежуточная секция основной стрелы
9 м
Промежуточная секция основной стрелы
Промежуточная секция основной стрелы
3 м
Промежуточная секция основной стрелы
ТЕХНИЧЕСКИЕ ХАРАКТЕРИСТИКИ КРАНА (СТРЕЛА МАКСИМАЛЬНОЙ ДЛИНЫ С ГУСЬКОМ)

ТЕХНИЧЕСКИЕ ХАРАКТЕРИСТИКИ КРАНА (СТРЕЛА МАКСИМАЛЬНОЙ ДЛИНЫ С ГУСЬКОМ)

Комбинации основной стрелы

24 м
Основание основной стрелы (B) -> 6 Промежуточная секция основной стрелы (3) -> 3 Промежуточная секция основной стрелы (9) -> 9 Клиновидная секция основной стрелы (BT) -> 6
45 м
Основание основной стрелы (B) -> 6 Промежуточная секция основной стрелы (6) -> 6 Промежуточная секция основной стрелы (9) -> 9 Промежуточная секция основной стрелы (9) -> 9 Промежуточная секция основной стрелы (9) -> 9 Клиновидная секция основной стрелы (BT) -> 6

Размеры секций основной стрелы

Знак
Длина стрелы
Примечание
Основание основной стрелы
6 м
Основание основной стрелы
Промежуточная секция основной стрелы
9 м
Промежуточная секция основной стрелы
Клиновидная секция основной стрелы
6 м
Клиновидная секция основной стрелы
Промежуточная секция основной стрелы
3 м
Промежуточная секция основной стрелы
Промежуточная секция основной стрелы
6 м
Промежуточная секция основной стрелы

Комбинации гуська

9 м
Основание основной стрелы (B) -> 4.5 Клиновидная секция основной стрелы (BT) -> 4.5
13.5 м
Основание основной стрелы (B) -> 4.5 Промежуточная секция основной стрелы (45) -> 4.5 Клиновидная секция основной стрелы (BT) -> 4.5
18 м
Основание основной стрелы (B) -> 4.5 Промежуточная секция основной стрелы (45) -> 4.5 Промежуточная секция основной стрелы (45) -> 4.5 Клиновидная секция основной стрелы (BT) -> 4.5

Размеры секций гуська

Знак
Длинна стрелы
Примечание
Основание основной стрелы
4.5 м
Основание основной стрелы
Клиновидная секция основной стрелы
4.5 м
Клиновидная секция основной стрелы
Промежуточная секция основной стрелы
4.5 м
Промежуточная секция основной стрелы