В наличии демонстрационные модели кранов грузоподъёмностью от 100 до 750 тонн за 50% от стоимости!!!
Гусеничный кран QUY-400A

Гусеничный кран QUY-400A

Основные характеристики
  • Грузоподъемность: 400 т
  • Длина основной стрелы: 24 - 84 м
  • Длина основной удлиненной стрелы: 42 - 108 м
  • Длина неподвижного гуська: 7, 10 м
  • Длина маневрового гуська: 30 - 90 м
Основные преимущества
  • СТРЕЛА ИЗ НЕМЕЦКОЙ ВЫСОКОПРОЧНОЙ СТАЛИ
  • ВОЗМОЖНОСТЬ ПЕРЕДВИЖЕНИЯ КРАНА С ГРУЗОМ ПО СТРОИТЕЛЬНОЙ ПЛОЩАДКЕ
  • КОМПЛЕКТУЮЩИЕ КРАНА ИМПОРТНОГО ПРОИЗВОДСТВА (ЯПОНИЯ, ГЕРМАНИЯ, США), ЧТО ПОДТВЕРЖДАЕТ ВЫСОКОЕ КАЧЕСТВО КРАНА
  • ТЕМПЕРАТУРНЫЙ РЕЖИМ -40°С
  • ВОЗМОЖНОСТЬ РАБОТЫ КРАНА С ДОПОЛНИТЕЛЬНЫМ ОБОРУДОВАНИЕМ
  • РУСИФИКАЦИЯ ПРИБОРОВ УПРАВЛЕНИЯ КРАНОМ (УПРАВЛЕНИЕ КРАНОМ НА РУССКОМ ЯЗЫКЕ)
  • СУПЕР-ЛИФТ
Гусеничный кран QUY-400A

Гусеничный кран QUY-400A

Технические характеристики
Грузовысотные характеристики
Габариты
Транспортировка
Конфигурация

Характеристики

Характеристики
Значение
Ед.изм.
Грузоподъемность
400
т
Макс.грузовой момент, вес контргруза 250т
236 х 22 = 5192
т*м
Макс. грузоподъемность основной стрелы
400 (вылет 5м)
т
Длина основной стрелы
24 - 84
м
Макс. грузоподъемность основной удлиненной стрелы
180 (вылет 10м)
т
Длина основной удлиненной стрелы
42 - 108
м
Грузоподъемность неподвижного гуська
139,8 (вылет 14м)
т
Длина основной стрелы неподвижного гуська
30 – 72
м
Длина неподвижного гуська
7, 10
м
Длина мачты суперлифта
30
м
Радиус поворота мачты суперлифта
11, 13, 15
м
Противовес суперлифта
0 - 250
т
Радиус поворота противовеса суперлифта
11, 13, 15
м
Грузоподъёмность основной стрелы с мачтой суперлифта
400 (вылет 8м)
т
Длина основной стрелы с мачтой суперлифта
30 - 96
м
Грузоподъёмность основной удлинённой стрелы с мачтой суперлифта
139 (вылет 12м)
т
Длина основной удлинённой стрелы с мачтой суперлифта
78 - 126
м
Длина основной стрелы маневрового гуська
36 - 90
м
Длина маневрового гуська
30 - 90
м
Грузоподъёмность маневрового гуська
154,1 (вылет 16м)
т
Скорость подъема основной и вспомогательной лебедок
0 - 145
м/мин
Скорость изменения вылета стрелы
(0 - 35) х 2
м/мин
Скорость изменения вылета маневрового гуська
0 - 72
м/мин
Скорость изменения вылета мачты супер-лифта
0 - 108
м/мин
Скорость поворота
0 - 1,3
об/мин
Скорость передвижения
0 - 1,2 / 0 - 0,4
км/ч
Полная масса крана (базовая стрела, контргруз 160т, балласт 40т, крюковой обоймой 6,8т)
325
т
Габаритные размеры (Д х Ш х В)
13960 х 8800 х 4947
мм
Угол изменения вылета основной стрелы
30 - 84
град
Давление на грунт
1,36
кг/см2
Угол изменения вылета маневрового гуська
15 - 72
град
Основные углы гуська
66, 76, 86
град
Крюкоблоки
150/120/200/400
т
Двигатель - Дизельный Cummins QSM11 (мощность)
298/2100/405
кВт / об/мин / л/с
Противовес: основной + центральный балласт
160 + 40
т

Грузовысотные характеристики

Грузовысотные характеристики

Габариты

Габариты

Транспортировка

Тело крана
Тело крана x1
Длина
13.96 м
Ширина
3.10 м
Высота
3.16 м
Вес
57300 кг
Гусеницы (в сборе)
Гусеницы (в сборе) x2
Длина
10.62 м
Ширина
1.84 м
Высота
1.50 м
Вес
31600 кг
Балласт субструктуры
Балласт субструктуры x2
Длина
2.66 м
Ширина
2.21 м
Высота
0.85 м
Вес
20689 кг
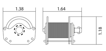
Устройство амплитуды башенной стрелы
Устройство амплитуды башенной стрелы x1
Длина
1.38 м
Ширина
1.64 м
Высота
1.18 м
Вес
4300 кг
Опора контргруза
Опора контргруза x2
Длина
2.76 м
Ширина
2.26 м
Высота
1.62 м
Вес
9170 кг
Кусок контргруза
Кусок контргруза x14
Длина
2.35 м
Ширина
1.84 м
Высота
0.47 м
Вес
10000 кг
Основание основной стрелы
Основание основной стрелы x1
Длина
10.79 м
Ширина
2.88 м
Высота
3.21 м
Вес
18950 кг
Промежуточная секция основной стрелы 6 м (A)
Промежуточная секция основной стрелы 6 м (A) x1
Длина
6.18 м
Ширина
2.86 м
Высота
2.50 м
Вес
3294 кг
Промежуточная секция основной стрелы 6 м (B)
Промежуточная секция основной стрелы 6 м (B) x1
Длина
6.18 м
Ширина
2.86 м
Высота
2.50 м
Вес
3051 кг
Промежуточная секция основной стрелы 12 м (A)
Промежуточная секция основной стрелы 12 м (A) x1
Длина
12.18 м
Ширина
2.86 м
Высота
2.50 м
Вес
5790 кг
Промежуточная секция основной стрелы 12 м (B)
Промежуточная секция основной стрелы 12 м (B) x1
Длина
12.18 м
Ширина
2.86 м
Высота
2.50 м
Вес
5590 кг
Промежуточная секция основной стрелы 12 м (C)
Промежуточная секция основной стрелы 12 м (C) x1
Длина
12.18 м
Ширина
2.86 м
Высота
2.50 м
Вес
5407 кг
Промежуточная секция основной стрелы 12 м (D)
Промежуточная секция основной стрелы 12 м (D) x2
Длина
12.18 м
Ширина
2.86 м
Высота
2.50 м
Вес
5296 кг
Уменьшающаяся секция основной стрелы
Уменьшающаяся секция основной стрелы x1
Длина
12.18 м
Ширина
2.86 м
Высота
2.50 м
Вес
5871 кг
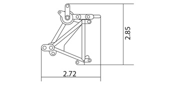
Оголовок основной стрелы
Оголовок основной стрелы x1
Длина
2.72 м
Ширина
2.03 м
Высота
2.85 м
Вес
3605 кг
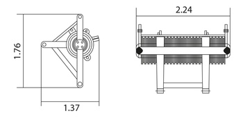
Грузовые блоки
Грузовые блоки x1
Длина
1.37 м
Ширина
2.24 м
Высота
1.76 м
Вес
1764 кг
Уменьшающаяся секция тяжело-легкой стрелы
Уменьшающаяся секция тяжело-легкой стрелы x1
Длина
12.17 м
Ширина
2.86 м
Высота
2.50 м
Вес
3798 кг
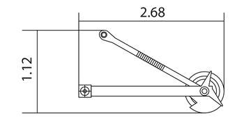
Дополнительный шкив
Дополнительный шкив x1
Длина
2.68 м
Ширина
1.64 м
Высота
1.12 м
Вес
418 кг
Основание башенной стрелы
Основание башенной стрелы x1
Длина
4.90 м
Ширина
2.49 м
Высота
2.11 м
Вес
1629 кг
Промежуточная секция башенной стрелы 6 м
Промежуточная секция башенной стрелы 6 м x3
Длина
6.15 м
Ширина
2.47 м
Высота
2.05 м
Вес
1454 кг
Промежуточная секция башенной стрелы 12 м (A)
Промежуточная секция башенной стрелы 12 м (A) x1
Длина
12.15 м
Ширина
2.47 м
Высота
2.05 м
Вес
2653 кг
Промежуточная секция башенной стрелы 12 м (B)
Промежуточная секция башенной стрелы 12 м (B) x3
Длина
12.15 м
Ширина
2.47 м
Высота
2.05 м
Вес
2544 кг
Промежуточная секция башенной стрелы 12 м (C)
Промежуточная секция башенной стрелы 12 м (C) x1
Длина
12.15 м
Ширина
2.47 м
Высота
2.05 м
Вес
2653 кг
Клиновидная секция башенной стрелы
Клиновидная секция башенной стрелы x1
Длина
8.01 м
Ширина
2.47 м
Высота
2.79 м
Вес
3871 кг
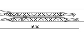
Передняя и задняя распорки башенной стрелы
Передняя и задняя распорки башенной стрелы x1
Длина
16.30 м
Ширина
2.52 м
Высота
2.50 м
Вес
6900 кг
Основание стрелы супер-подъёмной мачты
Основание стрелы супер-подъёмной мачты x1
Длина
6.30 м
Ширина
2.40 м
Высота
2.50 м
Вес
7640 кг
Промежуточная секция стрелы супер-подъёмной мачты 12 м
Промежуточная секция стрелы супер-подъёмной мачты 12 м x1
Длина
12.16 м
Ширина
2.24 м
Высота
1.91 м
Вес
4000 кг
Клиновидная секция стрелы супер-подъёмной мачты
Клиновидная секция стрелы супер-подъёмной мачты x1
Длина
12.40 м
Ширина
2.33 м
Высота
2.45 м
Вес
6100 кг
Блоки супер-подъёмной мачты
Блоки супер-подъёмной мачты x1
Длина
2.00 м
Ширина
0.80 м
Высота
1.45 м
Вес
1165 кг
Основание гуська
Основание гуська x1
Длина
6.09 м
Ширина
2.50 м
Высота
2.65 м
Вес
3394 кг
Клиновидная секция гуська
Клиновидная секция гуська x1
Длина
3.95 м
Ширина
1.64 м
Высота
2.64 м
Вес
850 кг
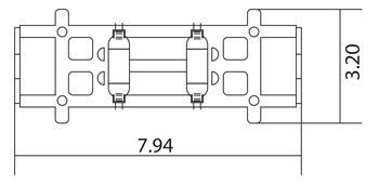
Нижний лист супер-подъёмного контргруза
Нижний лист супер-подъёмного контргруза x1
Длина
7.94 м
Ширина
2.50 м
Высота
3.20 м
Вес
10680 кг
Кусок контргруза
Кусок контргруза x24
Длина
2.35 м
Ширина
1.84 м
Высота
0.47 м
Вес
10000 кг
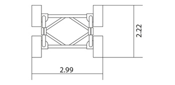
Вспомогательная тележка
Вспомогательная тележка x1
Длина
2.99 м
Ширина
2.22 м
Высота
1.12 м
Вес
1610 кг
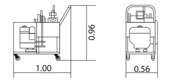
Станция подвижного насоса
Станция подвижного насоса x1
Длина
1.00 м
Ширина
0.56 м
Высота
0.96 м
Вес
110 кг
Крюк 15 т
Крюк 15 т x1
Длина
1.49 м
Ширина
0.46 м
Высота
0.46 м
Вес
700 кг
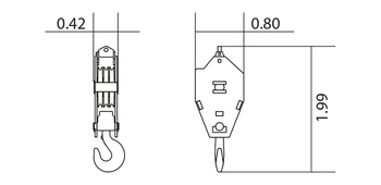
Крюк 50 т
Крюк 50 т x1
Длина
1.99 м
Ширина
0.80 м
Высота
0.42 м
Вес
1500 кг
Крюк 100 т
Крюк 100 т x1
Длина
2.30 м
Ширина
0.72 м
Высота
0.84 м
Вес
3150 кг
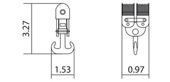
Крюк 400 т
Крюк 400 т x1
Длина
3.27 м
Ширина
1.53 м
Высота
0.97 м
Вес
6800 кг
Конфигурация-1 (QUY-400A)
Конфигурация-2 (QUY-400A)
Конфигурация-3 (QUY-400A)
Конфигурация-4 (QUY-400A)
Конфигурация-5 (QUY-400A)
Конфигурация-6 (QUY-400A)
Конфигурация-7 (QUY-400A)
Конфигурация-8 (QUY-400A)
ТЕХНИЧЕСКИЕ ХАРАКТЕРИСТИКИ КРАНА (МАКСИМАЛЬНАЯ ДЛИНА ОСНОВНОЙ СТРЕЛЫ)

ТЕХНИЧЕСКИЕ ХАРАКТЕРИСТИКИ КРАНА (МАКСИМАЛЬНАЯ ДЛИНА ОСНОВНОЙ СТРЕЛЫ)

Комбинации секций стрелы в рабочем режиме тяжелой основной стрелы (H)

24 м
Основание основной стрелы (H1) -> 10.5 Уменьшающаяся секция стрелы (H4) -> 12 Оголовок основной стрелы (H5) -> 1.5
30 м
Основание основной стрелы (H1) -> 10.5 Промежуточная секция A 6м (H2A) -> 6 Уменьшающаяся секция стрелы (H4) -> 12 Оголовок основной стрелы (H5) -> 1.5
36 м
Основание основной стрелы (H1) -> 10.5 Промежуточная секция A 12м (H3A) -> 12 Уменьшающаяся секция стрелы (H4) -> 12 Оголовок основной стрелы (H5) -> 1.5
42 м
Основание основной стрелы (H1) -> 10.5 Промежуточная секция A 12м (H3A) -> 12 Промежуточная секция A 6м (H2A) -> 6 Уменьшающаяся секция стрелы (H4) -> 12 Оголовок основной стрелы (H5) -> 1.5
48 м
Основание основной стрелы (H1) -> 10.5 Промежуточная секция A 12м (H3A) -> 12 Промежуточная секция A 6м (H2A) -> 6 Промежуточная секция B 6м (H2B) -> 6 Уменьшающаяся секция стрелы (H4) -> 12 Оголовок основной стрелы (H5) -> 1.5
54 м
Основание основной стрелы (H1) -> 10.5 Промежуточная секция A 12м (H3A) -> 12 Промежуточная секция A 6м (H2A) -> 6 Промежуточная секция B 12м (H3B) -> 12 Уменьшающаяся секция стрелы (H4) -> 12 Оголовок основной стрелы (H5) -> 1.5
60 м
Основание основной стрелы (H1) -> 10.5 Промежуточная секция A 12м (H3A) -> 12 Промежуточная секция A 6м (H2A) -> 6 Промежуточная секция B 12м (H3B) -> 12 Промежуточная секция B 6м (H2B) -> 6 Уменьшающаяся секция стрелы (H4) -> 12 Оголовок основной стрелы (H5) -> 1.5
66 м
Основание основной стрелы (H1) -> 10.5 Промежуточная секция A 12м (H3A) -> 12 Промежуточная секция A 6м (H2A) -> 6 Промежуточная секция B 12м (H3B) -> 12 Промежуточная секция C 12м (H3C) -> 12 Уменьшающаяся секция стрелы (H4) -> 12 Оголовок основной стрелы (H5) -> 1.5
72 м
Основание основной стрелы (H1) -> 10.5 Промежуточная секция A 12м (H3A) -> 12 Промежуточная секция A 6м (H2A) -> 6 Промежуточная секция B 12м (H3B) -> 12 Промежуточная секция B 6м (H2B) -> 6 Промежуточная секция C 12м (H3C) -> 12 Уменьшающаяся секция стрелы (H4) -> 12 Оголовок основной стрелы (H5) -> 1.5
78 м
Основание основной стрелы (H1) -> 10.5 Промежуточная секция A 12м (H3A) -> 12 Промежуточная секция A 6м (H2A) -> 6 Промежуточная секция B 12м (H3B) -> 12 Промежуточная секция C 12м (H3C) -> 12 Промежуточная секция D 12м (H3D) -> 12 Уменьшающаяся секция стрелы (H4) -> 12 Оголовок основной стрелы (H5) -> 1.5
84 м
Основание основной стрелы (H1) -> 10.5 Промежуточная секция A 12м (H3A) -> 12 Промежуточная секция A 6м (H2A) -> 6 Промежуточная секция B 12м (H3B) -> 12 Промежуточная секция B 6м (H2B) -> 6 Промежуточная секция C 12м (H3C) -> 12 Промежуточная секция D 12м (H3D) -> 12 Уменьшающаяся секция стрелы (H4) -> 12 Оголовок основной стрелы (H5) -> 1.5

Размеры секций основной стрелы

Знак
Длинна стрелы
Примечание
Основание основной стрелы
10.5 м
Основание основной стрелы
Уменьшающаяся секция стрелы
12 м
Уменьшающаяся секция стрелы
Оголовок основной стрелы
1.5 м
Оголовок основной стрелы
Промежуточная секция A 6м
6 м
Промежуточная секция A 6м
Промежуточная секция A 12м
12 м
Промежуточная секция A 12м
Промежуточная секция B 6м
6 м
Промежуточная секция B 6м
Промежуточная секция B 12м
12 м
Промежуточная секция B 12м
Промежуточная секция C 12м
12 м
Промежуточная секция C 12м
Промежуточная секция D 12м
12 м
Промежуточная секция D 12м
ТЕХНИЧЕСКИЕ ХАРАКТЕРИСТИКИ КРАНА (МАКСИМАЛЬНАЯ ДЛИНА СТРЕЛЫ С РАННЕРОМ)

ТЕХНИЧЕСКИЕ ХАРАКТЕРИСТИКИ КРАНА (МАКСИМАЛЬНАЯ ДЛИНА СТРЕЛЫ С РАННЕРОМ)

Комбинации основной стрелы

24 м
Основание основной стрелы (H1) -> 10.5 Уменьшающаяся секция стрелы (H4) -> 12 Оголовок основной стрелы (H5) -> 1.5
30 м
Основание основной стрелы (H1) -> 10.5 Промежуточная секция A 6м (H2A) -> 6 Уменьшающаяся секция стрелы (H4) -> 12 Оголовок основной стрелы (H5) -> 1.5
36 м
Основание основной стрелы (H1) -> 10.5 Промежуточная секция A 12м (H3A) -> 12 Уменьшающаяся секция стрелы (H4) -> 12 Оголовок основной стрелы (H5) -> 1.5
42 м
Основание основной стрелы (H1) -> 10.5 Промежуточная секция A 12м (H3A) -> 12 Промежуточная секция A 6м (H2A) -> 6 Уменьшающаяся секция стрелы (H4) -> 12 Оголовок основной стрелы (H5) -> 1.5
48 м
Основание основной стрелы (H1) -> 10.5 Промежуточная секция A 12м (H3A) -> 12 Промежуточная секция A 6м (H2A) -> 6 Промежуточная секция B 6м (H2B) -> 6 Уменьшающаяся секция стрелы (H4) -> 12 Оголовок основной стрелы (H5) -> 1.5
54 м
Основание основной стрелы (H1) -> 10.5 Промежуточная секция A 12м (H3A) -> 12 Промежуточная секция A 6м (H2A) -> 6 Промежуточная секция B 12м (H3B) -> 12 Уменьшающаяся секция стрелы (H4) -> 12 Оголовок основной стрелы (H5) -> 1.5
60 м
Основание основной стрелы (H1) -> 10.5 Промежуточная секция A 12м (H3A) -> 12 Промежуточная секция A 6м (H2A) -> 6 Промежуточная секция B 12м (H3B) -> 12 Промежуточная секция B 6м (H2B) -> 6 Уменьшающаяся секция стрелы (H4) -> 12 Оголовок основной стрелы (H5) -> 1.5
66 м
Основание основной стрелы (H1) -> 10.5 Промежуточная секция A 12м (H3A) -> 12 Промежуточная секция A 6м (H2A) -> 6 Промежуточная секция B 12м (H3B) -> 12 Промежуточная секция C 12м (H3C) -> 12 Уменьшающаяся секция стрелы (H4) -> 12 Оголовок основной стрелы (H5) -> 1.5
72 м
Основание основной стрелы (H1) -> 10.5 Промежуточная секция A 12м (H3A) -> 12 Промежуточная секция A 6м (H2A) -> 6 Промежуточная секция B 12м (H3B) -> 12 Промежуточная секция B 6м (H2B) -> 6 Промежуточная секция C 12м (H3C) -> 12 Уменьшающаяся секция стрелы (H4) -> 12 Оголовок основной стрелы (H5) -> 1.5
78 м
Основание основной стрелы (H1) -> 10.5 Промежуточная секция A 12м (H3A) -> 12 Промежуточная секция A 6м (H2A) -> 6 Промежуточная секция B 12м (H3B) -> 12 Промежуточная секция C 12м (H3C) -> 12 Промежуточная секция D 12м (H3D) -> 12 Уменьшающаяся секция стрелы (H4) -> 12 Оголовок основной стрелы (H5) -> 1.5
84 м
Основание основной стрелы (H1) -> 10.5 Промежуточная секция A 12м (H3A) -> 12 Промежуточная секция A 6м (H2A) -> 6 Промежуточная секция B 12м (H3B) -> 12 Промежуточная секция B 6м (H2B) -> 6 Промежуточная секция C 12м (H3C) -> 12 Промежуточная секция D 12м (H3D) -> 12 Уменьшающаяся секция стрелы (H4) -> 12 Оголовок основной стрелы (H5) -> 1.5

Размеры секций основной стрелы

Знак
Длинна стрелы
Примечание
Основание основной стрелы
10.5 м
Основание основной стрелы
Уменьшающаяся секция стрелы
12 м
Уменьшающаяся секция стрелы
Оголовок основной стрелы
1.5 м
Оголовок основной стрелы
Промежуточная секция A 6м
6 м
Промежуточная секция A 6м
Промежуточная секция A 12м
12 м
Промежуточная секция A 12м
Промежуточная секция B 6м
6 м
Промежуточная секция B 6м
Промежуточная секция B 12м
12 м
Промежуточная секция B 12м
Промежуточная секция C 12м
12 м
Промежуточная секция C 12м
Промежуточная секция D 12м
12 м
Промежуточная секция D 12м
ТЕХНИЧЕСКИЕ ХАРАКТЕРИСТИКИ КРАНА (СТРЕЛА ТЯЖЕЛАЯ И ЛЕГКАЯ)

ТЕХНИЧЕСКИЕ ХАРАКТЕРИСТИКИ КРАНА (СТРЕЛА ТЯЖЕЛАЯ И ЛЕГКАЯ)

Комбинации секций стрелы в рабочем режиме тяжело-легкой основной стрелы (H/L)

42 м
Основание основной стрелы (H1) -> 10.5 Уменьшающаяся секция тяжело-легкой стрелы 12м (HT) -> 12 Промежуточная секция C 12м башенной стрелы (T2C) -> 12 Оголовок башенной стрелы (T4) -> 7.5
48 м
Основание основной стрелы (H1) -> 10.5 Промежуточная секция A 6м (H2A) -> 6 Уменьшающаяся секция тяжело-легкой стрелы 12м (HT) -> 12 Промежуточная секция C 12м башенной стрелы (T2C) -> 12 Оголовок башенной стрелы (T4) -> 7.5
54 м
Основание основной стрелы (H1) -> 10.5 Промежуточная секция A 12м (H3A) -> 12 Уменьшающаяся секция тяжело-легкой стрелы 12м (HT) -> 12 Промежуточная секция C 12м башенной стрелы (T2C) -> 12 Оголовок башенной стрелы (T4) -> 7.5
60 м
Основание основной стрелы (H1) -> 10.5 Промежуточная секция A 12м (H3A) -> 12 Промежуточная секция A 6м (H2A) -> 6 Уменьшающаяся секция тяжело-легкой стрелы 12м (HT) -> 12 Промежуточная секция C 12м башенной стрелы (T2C) -> 12 Оголовок башенной стрелы (T4) -> 7.5
66 м
Основание основной стрелы (H1) -> 10.5 Промежуточная секция A 12м (H3A) -> 12 Промежуточная секция A 6м (H2A) -> 6 Промежуточная секция B 6м (H2B) -> 6 Уменьшающаяся секция тяжело-легкой стрелы 12м (HT) -> 12 Промежуточная секция C 12м башенной стрелы (T2C) -> 12 Оголовок башенной стрелы (T4) -> 7.5
72 м
Основание основной стрелы (H1) -> 10.5 Промежуточная секция A 12м (H3A) -> 12 Промежуточная секция A 6м (H2A) -> 6 Промежуточная секция B 12м (H3B) -> 12 Уменьшающаяся секция тяжело-легкой стрелы 12м (HT) -> 12 Промежуточная секция C 12м башенной стрелы (T2C) -> 12 Оголовок башенной стрелы (T4) -> 7.5
78 м
Основание основной стрелы (H1) -> 10.5 Промежуточная секция A 12м (H3A) -> 12 Промежуточная секция A 6м (H2A) -> 6 Промежуточная секция B 12м (H3B) -> 12 Промежуточная секция B 6м (H2B) -> 6 Уменьшающаяся секция тяжело-легкой стрелы 12м (HT) -> 12 Промежуточная секция C 12м башенной стрелы (T2C) -> 12 Оголовок башенной стрелы (T4) -> 7.5
84 м
Основание основной стрелы (H1) -> 10.5 Промежуточная секция A 12м (H3A) -> 12 Промежуточная секция A 6м (H2A) -> 6 Промежуточная секция B 12м (H3B) -> 12 Промежуточная секция B 6м (H2B) -> 6 Уменьшающаяся секция тяжело-легкой стрелы 12м (HT) -> 12 Промежуточная секция C 12м башенной стрелы (T2C) -> 12 Промежуточная секция A 6м башенной стрелы (T3A) -> 6 Оголовок башенной стрелы (T4) -> 7.5
90 м
Основание основной стрелы (H1) -> 10.5 Промежуточная секция A 12м (H3A) -> 12 Промежуточная секция A 6м (H2A) -> 6 Промежуточная секция B 12м (H3B) -> 12 Промежуточная секция B 6м (H2B) -> 6 Уменьшающаяся секция тяжело-легкой стрелы 12м (HT) -> 12 Промежуточная секция C 12м башенной стрелы (T2C) -> 12 Промежуточная секция A 6м башенной стрелы (T3A) -> 6 Промежуточная секция A 6м башенной стрелы (T3A) -> 6 Оголовок башенной стрелы (T4) -> 7.5
96 м
Основание основной стрелы (H1) -> 10.5 Промежуточная секция A 12м (H3A) -> 12 Промежуточная секция A 6м (H2A) -> 6 Промежуточная секция B 12м (H3B) -> 12 Промежуточная секция B 6м (H2B) -> 6 Промежуточная секция C 12м (H3C) -> 12 Уменьшающаяся секция тяжело-легкой стрелы 12м (HT) -> 12 Промежуточная секция C 12м башенной стрелы (T2C) -> 12 Промежуточная секция A 6м башенной стрелы (T3A) -> 6 Оголовок башенной стрелы (T4) -> 7.5
102 м
Основание основной стрелы (H1) -> 10.5 Промежуточная секция A 12м (H3A) -> 12 Промежуточная секция A 6м (H2A) -> 6 Промежуточная секция B 12м (H3B) -> 12 Промежуточная секция B 6м (H2B) -> 6 Промежуточная секция C 12м (H3C) -> 12 Уменьшающаяся секция тяжело-легкой стрелы 12м (HT) -> 12 Промежуточная секция C 12м башенной стрелы (T2C) -> 12 Промежуточная секция A 6м башенной стрелы (T3A) -> 6 Промежуточная секция A 6м башенной стрелы (T3A) -> 6 Оголовок башенной стрелы (T4) -> 7.5
108 м
Основание основной стрелы (H1) -> 10.5 Промежуточная секция A 12м (H3A) -> 12 Промежуточная секция A 6м (H2A) -> 6 Промежуточная секция B 12м (H3B) -> 12 Промежуточная секция B 6м (H2B) -> 6 Промежуточная секция C 12м (H3C) -> 12 Уменьшающаяся секция тяжело-легкой стрелы 12м (HT) -> 12 Промежуточная секция C 12м башенной стрелы (T2C) -> 12 Промежуточная секция B 12м башенной стрелы (T2B) -> 12 Промежуточная секция A 6м башенной стрелы (T3A) -> 6 Оголовок башенной стрелы (T4) -> 7.5

Размеры секций основной стрелы

Знак
Длинна стрелы
Примечание
Основание основной стрелы
10.5 м
Основание основной стрелы
Уменьшающаяся секция тяжело-легкой стрелы 12м
12 м
Уменьшающаяся секция тяжело-легкой стрелы 12м
Промежуточная секция C 12м башенной стрелы
12 м
Промежуточная секция C 12м башенной стрелы
Оголовок башенной стрелы
7.5 м
Оголовок башенной стрелы
Промежуточная секция A 6м
6 м
Промежуточная секция A 6м
Промежуточная секция A 12м
12 м
Промежуточная секция A 12м
Промежуточная секция B 6м
6 м
Промежуточная секция B 6м
Промежуточная секция B 12м
12 м
Промежуточная секция B 12м
Промежуточная секция A 6м башенной стрелы
6 м
Промежуточная секция A 6м башенной стрелы
Промежуточная секция C 12м
12 м
Промежуточная секция C 12м
Промежуточная секция B 12м башенной стрелы
12 м
Промежуточная секция B 12м башенной стрелы
ТЕХНИЧЕСКИЕ ХАРАКТЕРИСТИКИ КРАНА (РАБОЧИЙ РЕЖИМ ТЯЖЕЛО - ЛЕГКОЙ СМЕШЕННОЙ СТРЕЛЫ + СУПЕР-ПОДЪЕМНАЯ МАЧТА + СУПЕР- ПОДЪЕМНЫЙ КОНТРГРУЗ)

ТЕХНИЧЕСКИЕ ХАРАКТЕРИСТИКИ КРАНА (РАБОЧИЙ РЕЖИМ ТЯЖЕЛО - ЛЕГКОЙ СМЕШЕННОЙ СТРЕЛЫ + СУПЕР-ПОДЪЕМНАЯ МАЧТА + СУПЕР- ПОДЪЕМНЫЙ КОНТРГРУЗ)

Комбинации основной стрелы

78 м
Основание основной стрелы (H1) -> 10.5 Промежуточная секция A 12м (H3A) -> 12 Промежуточная секция A 6м (H2A) -> 6 Промежуточная секция B 12м (H3B) -> 12 Промежуточная секция B 6м (H2B) -> 6 Промежуточная секция C 12м (H3C) -> 12 Уменьшающаяся секция тяжело-легкой стрелы 12м (HT) -> 12 Оголовок башенной стрелы (T4) -> 7.5
84 м
Основание основной стрелы (H1) -> 10.5 Промежуточная секция A 12м (H3A) -> 12 Промежуточная секция A 6м (H2A) -> 6 Промежуточная секция B 12м (H3B) -> 12 Промежуточная секция B 6м (H2B) -> 6 Промежуточная секция C 12м (H3C) -> 12 Уменьшающаяся секция стрелы (H4) -> 12 Промежуточная секция A 6м башенной стрелы (T3A) -> 6 Оголовок башенной стрелы (T4) -> 7.5
90 м
Основание основной стрелы (H1) -> 10.5 Промежуточная секция A 12м (H3A) -> 12 Промежуточная секция A 6м (H2A) -> 6 Промежуточная секция B 12м (H3B) -> 12 Промежуточная секция B 6м (H2B) -> 6 Промежуточная секция C 12м (H3C) -> 12 Уменьшающаяся секция стрелы (H4) -> 12 Промежуточная секция A 6м башенной стрелы (T3A) -> 6 Промежуточная секция A 6м башенной стрелы (T3A) -> 6 Оголовок башенной стрелы (T4) -> 7.5
96 м
Основание основной стрелы (H1) -> 10.5 Промежуточная секция A 12м (H3A) -> 12 Промежуточная секция A 6м (H2A) -> 6 Промежуточная секция B 12м (H3B) -> 12 Промежуточная секция B 6м (H2B) -> 6 Промежуточная секция D 12м (H3D) -> 12 Промежуточная секция C 12м (H3C) -> 12 Уменьшающаяся секция тяжело-легкой стрелы 12м (HT) -> 12 Промежуточная секция A 6м башенной стрелы (T3A) -> 6 Оголовок башенной стрелы (T4) -> 7.5
102 м
Основание основной стрелы (H1) -> 10.5 Промежуточная секция A 12м (H3A) -> 12 Промежуточная секция A 6м (H2A) -> 6 Промежуточная секция B 12м (H3B) -> 12 Промежуточная секция B 6м (H2B) -> 6 Промежуточная секция D 12м (H3D) -> 12 Промежуточная секция C 12м (H3C) -> 12 Уменьшающаяся секция тяжело-легкой стрелы 12м (HT) -> 12 Промежуточная секция A 6м башенной стрелы (T3A) -> 6 Промежуточная секция A 6м башенной стрелы (T3A) -> 6 Оголовок башенной стрелы (T4) -> 7.5
108 м
Основание основной стрелы (H1) -> 10.5 Промежуточная секция A 12м (H3A) -> 12 Промежуточная секция A 6м (H2A) -> 6 Промежуточная секция B 12м (H3B) -> 12 Промежуточная секция B 6м (H2B) -> 6 Промежуточная секция D 12м (H3D) -> 12 Промежуточная секция C 12м (H3C) -> 12 Промежуточная секция D 12м (H3D) -> 12 Уменьшающаяся секция тяжело-легкой стрелы 12м (HT) -> 12 Промежуточная секция A 6м башенной стрелы (T3A) -> 6 Оголовок башенной стрелы (T4) -> 7.5
114 м
Основание основной стрелы (H1) -> 10.5 Промежуточная секция A 12м (H3A) -> 12 Промежуточная секция A 6м (H2A) -> 6 Промежуточная секция B 12м (H3B) -> 12 Промежуточная секция B 6м (H2B) -> 6 Промежуточная секция D 12м (H3D) -> 12 Промежуточная секция C 12м (H3C) -> 12 Промежуточная секция D 12м (H3D) -> 12 Уменьшающаяся секция тяжело-легкой стрелы 12м (HT) -> 12 Промежуточная секция A 6м башенной стрелы (T3A) -> 6 Промежуточная секция A 6м башенной стрелы (T3A) -> 6 Оголовок башенной стрелы (T4) -> 7.5
120 м
Основание основной стрелы (H1) -> 10.5 Промежуточная секция A 12м (H3A) -> 12 Промежуточная секция A 6м (H2A) -> 6 Промежуточная секция B 12м (H3B) -> 12 Промежуточная секция B 6м (H2B) -> 6 Промежуточная секция D 12м (H3D) -> 12 Промежуточная секция C 12м (H3C) -> 12 Промежуточная секция D 12м (H3D) -> 12 Уменьшающаяся секция тяжело-легкой стрелы 12м (HT) -> 12 Промежуточная секция C 12м башенной стрелы (T2C) -> 12 Промежуточная секция A 6м башенной стрелы (T3A) -> 6 Оголовок башенной стрелы (T4) -> 7.5
126 м
Основание основной стрелы (H1) -> 10.5 Промежуточная секция A 12м (H3A) -> 12 Промежуточная секция A 6м (H2A) -> 6 Промежуточная секция B 12м (H3B) -> 12 Промежуточная секция B 6м (H2B) -> 6 Промежуточная секция D 12м (H3D) -> 12 Промежуточная секция C 12м (H3C) -> 12 Промежуточная секция D 12м (H3D) -> 12 Уменьшающаяся секция тяжело-легкой стрелы 12м (HT) -> 12 Промежуточная секция C 12м башенной стрелы (T2C) -> 12 Промежуточная секция A 6м башенной стрелы (T3A) -> 6 Промежуточная секция A 6м башенной стрелы (T3A) -> 6 Оголовок башенной стрелы (T4) -> 7.5

Размеры секций основной стрелы

Знак
Длинна стрелы
Примечание
Основание основной стрелы
10.5 м
Основание основной стрелы
Промежуточная секция A 12м
12 м
Промежуточная секция A 12м
Промежуточная секция A 6м
6 м
Промежуточная секция A 6м
Промежуточная секция B 12м
12 м
Промежуточная секция B 12м
Промежуточная секция B 6м
6 м
Промежуточная секция B 6м
Промежуточная секция C 12м
12 м
Промежуточная секция C 12м
Уменьшающаяся секция тяжело-легкой стрелы 12м
12 м
Уменьшающаяся секция тяжело-легкой стрелы 12м
Оголовок башенной стрелы
7.5 м
Оголовок башенной стрелы
Уменьшающаяся секция стрелы
12 м
Уменьшающаяся секция стрелы
Промежуточная секция A 6м башенной стрелы
6 м
Промежуточная секция A 6м башенной стрелы
Промежуточная секция D 12м
12 м
Промежуточная секция D 12м
Промежуточная секция C 12м башенной стрелы
12 м
Промежуточная секция C 12м башенной стрелы
ТЕХНИЧЕСКИЕ ХАРАКТЕРИСТИКИ КРАНА (РЕЖИМ РАБОТЫ ТЯЖЕЛОЙ ОСНОВНОЙ СТРЕЛЫ СО СТАЦИОНАРНЫМ ГУСЬКОМ)

ТЕХНИЧЕСКИЕ ХАРАКТЕРИСТИКИ КРАНА (РЕЖИМ РАБОТЫ ТЯЖЕЛОЙ ОСНОВНОЙ СТРЕЛЫ СО СТАЦИОНАРНЫМ ГУСЬКОМ)

Комбинации секций основной стрелы в рабочем режиме стационарного гуська 7м (HF)

60 м
Основание основной стрелы (H1) -> 10.5 Промежуточная секция A 12м (H3A) -> 12 Промежуточная секция A 6м (H2A) -> 6 Промежуточная секция B 12м (H3B) -> 12 Промежуточная секция B 6м (H2B) -> 6 Уменьшающаяся секция тяжело-легкой стрелы 12м (HT) -> 12 Оголовок стационарного гуська (HF) -> 1.5
66 м
Основание основной стрелы (H1) -> 10.5 Промежуточная секция A 12м (H3A) -> 12 Промежуточная секция A 6м (H2A) -> 6 Промежуточная секция B 12м (H3B) -> 12 Промежуточная секция C 12м (H3C) -> 12 Уменьшающаяся секция тяжело-легкой стрелы 12м (HT) -> 12 Оголовок стационарного гуська (HF) -> 1.5
72 м
Основание основной стрелы (H1) -> 10.5 Промежуточная секция A 12м (H3A) -> 12 Промежуточная секция A 6м (H2A) -> 6 Промежуточная секция B 12м (H3B) -> 12 Промежуточная секция B 6м (H2B) -> 6 Промежуточная секция C 12м (H3C) -> 12 Уменьшающаяся секция тяжело-легкой стрелы 12м (HT) -> 12 Оголовок стационарного гуська (HF) -> 1.5
78 м
Основание основной стрелы (H1) -> 10.5 Промежуточная секция A 12м (H3A) -> 12 Промежуточная секция A 6м (H2A) -> 6 Промежуточная секция B 12м (H3B) -> 12 Промежуточная секция C 12м (H3C) -> 12 Промежуточная секция D 12м (H3D) -> 12 Уменьшающаяся секция тяжело-легкой стрелы 12м (HT) -> 12 Оголовок стационарного гуська (HF) -> 1.5
84 м
Основание основной стрелы (H1) -> 10.5 Промежуточная секция A 12м (H3A) -> 12 Промежуточная секция A 6м (H2A) -> 6 Промежуточная секция B 12м (H3B) -> 12 Промежуточная секция B 6м (H2B) -> 6 Промежуточная секция C 12м (H3C) -> 12 Промежуточная секция D 12м (H3D) -> 12 Уменьшающаяся секция тяжело-легкой стрелы 12м (HT) -> 12 Оголовок стационарного гуська (HF) -> 1.5

Размеры секций тяжёлой стрелы

Знак
Длинна стрелы
Примечание
Основание основной стрелы
10.5 м
Основание основной стрелы
Промежуточная секция A 12м
12 м
Промежуточная секция A 12м
Промежуточная секция A 6м
6 м
Промежуточная секция A 6м
Промежуточная секция B 12м
12 м
Промежуточная секция B 12м
Промежуточная секция B 6м
6 м
Промежуточная секция B 6м
Уменьшающаяся секция тяжело-легкой стрелы 12м
12 м
Уменьшающаяся секция тяжело-легкой стрелы 12м
Оголовок стационарного гуська
1.5 м
Оголовок стационарного гуська
Промежуточная секция C 12м
12 м
Промежуточная секция C 12м
Промежуточная секция D 12м
12 м
Промежуточная секция D 12м
ТЕХНИЧЕСКИЕ ХАРАКТЕРИСТИКИ КРАНА (РЕЖИМ РАБОТЫ ТЯЖЕЛОЙ ОСНОВНОЙ СТРЕЛЫ + УПРАВЛЯЕМЫЙ ГУСЕК (БАШЕННАЯ СТРЕЛА))

ТЕХНИЧЕСКИЕ ХАРАКТЕРИСТИКИ КРАНА (РЕЖИМ РАБОТЫ ТЯЖЕЛОЙ ОСНОВНОЙ СТРЕЛЫ + УПРАВЛЯЕМЫЙ ГУСЕК (БАШЕННАЯ СТРЕЛА))

Комбинации секций основной стрелы в башенном рабочем режиме (HT)

30 м
Основание основной стрелы (H1) -> 10.5 Промежуточная секция A 6м (H2A) -> 6 Уменьшающаяся секция стрелы (H4) -> 12 Оголовок основной стрелы (H5) -> 1.5
36 м
Основание основной стрелы (H1) -> 10.5 Промежуточная секция A 12м (H3A) -> 12 Уменьшающаяся секция стрелы (H4) -> 12 Оголовок основной стрелы (H5) -> 1.5
42 м
Основание основной стрелы (H1) -> 10.5 Промежуточная секция A 12м (H3A) -> 12 Промежуточная секция A 6м (H2A) -> 6 Уменьшающаяся секция стрелы (H4) -> 12 Оголовок основной стрелы (H5) -> 1.5
48 м
Основание основной стрелы (H1) -> 10.5 Промежуточная секция A 12м (H3A) -> 12 Промежуточная секция A 6м (H2A) -> 6 Промежуточная секция B 6м (H2B) -> 6 Уменьшающаяся секция стрелы (H4) -> 12 Оголовок основной стрелы (H5) -> 1.5
54 м
Основание основной стрелы (H1) -> 10.5 Промежуточная секция A 12м (H3A) -> 12 Промежуточная секция A 6м (H2A) -> 6 Промежуточная секция B 12м (H3B) -> 12 Уменьшающаяся секция стрелы (H4) -> 12 Оголовок основной стрелы (H5) -> 1.5
60 м
Основание основной стрелы (H1) -> 10.5 Промежуточная секция A 12м (H3A) -> 12 Промежуточная секция A 6м (H2A) -> 6 Промежуточная секция B 12м (H3B) -> 12 Промежуточная секция B 6м (H2B) -> 6 Уменьшающаяся секция стрелы (H4) -> 12 Оголовок основной стрелы (H5) -> 1.5
66 м
Основание основной стрелы (H1) -> 10.5 Промежуточная секция A 12м (H3A) -> 12 Промежуточная секция A 6м (H2A) -> 6 Промежуточная секция B 12м (H3B) -> 12 Промежуточная секция C 12м (H3C) -> 12 Уменьшающаяся секция стрелы (H4) -> 12 Оголовок основной стрелы (H5) -> 1.5
72 м
Основание основной стрелы (H1) -> 10.5 Промежуточная секция A 12м (H3A) -> 12 Промежуточная секция A 6м (H2A) -> 6 Промежуточная секция B 12м (H3B) -> 12 Промежуточная секция B 6м (H2B) -> 6 Промежуточная секция C 12м (H3C) -> 12 Уменьшающаяся секция стрелы (H4) -> 12 Оголовок основной стрелы (H5) -> 1.5

Размеры секций основной стрелы

Знак
Длинна стрелы
Примечание
Основание основной стрелы
10.5 м
Основание основной стрелы
Уменьшающаяся секция стрелы
12 м
Уменьшающаяся секция стрелы
Оголовок основной стрелы
1.5 м
Оголовок основной стрелы
Промежуточная секция A 6м
6 м
Промежуточная секция A 6м
Промежуточная секция A 12м
12 м
Промежуточная секция A 12м
Промежуточная секция B 6м
6 м
Промежуточная секция B 6м
Промежуточная секция B 12м
12 м
Промежуточная секция B 12м
Промежуточная секция C 12м
12 м
Промежуточная секция C 12м

Комбинации секций башенной стрелы в башенном рабочем режиме (HT)

24 м
Основание башенной стрелы (T1) -> 4.5 Промежуточная секция A 12м башенной стрел (T2A) -> 12 Оголовок башенной стрелы (T4) -> 7.5
30 м
Основание башенной стрелы (T1) -> 4.5 Промежуточная секция A 12м башенной стрел (T2A) -> 12 Промежуточная секция A 6м башенной стрелы (T3A) -> 6 Оголовок башенной стрелы (T4) -> 7.5
36 м
Основание башенной стрелы (T1) -> 4.5 Промежуточная секция A 12м башенной стрел (T2A) -> 12 Промежуточная секция A 6м башенной стрелы (T3A) -> 6 Промежуточная секция A 6м башенной стрелы (T3A) -> 6 Оголовок башенной стрелы (T4) -> 7.5
42 м
Основание башенной стрелы (T1) -> 4.5 Промежуточная секция A 12м башенной стрел (T2A) -> 12 Промежуточная секция A 6м башенной стрелы (T3A) -> 6 Промежуточная секция B 12м башенной стрелы (T2B) -> 12 Оголовок башенной стрелы (T4) -> 7.5
48 м
Основание башенной стрелы (T1) -> 4.5 Промежуточная секция A 12м башенной стрел (T2A) -> 12 Промежуточная секция A 6м башенной стрелы (T3A) -> 6 Промежуточная секция B 12м башенной стрелы (T2B) -> 12 Промежуточная секция A 6м башенной стрелы (T3A) -> 6 Оголовок башенной стрелы (T4) -> 7.5
54 м
Основание башенной стрелы (T1) -> 4.5 Промежуточная секция A 12м башенной стрел (T2A) -> 12 Промежуточная секция A 6м башенной стрелы (T3A) -> 6 Промежуточная секция B 12м башенной стрелы (T2B) -> 12 Промежуточная секция B 12м башенной стрелы (T2B) -> 12 Оголовок башенной стрелы (T4) -> 7.5
60 м
Основание башенной стрелы (T1) -> 4.5 Промежуточная секция A 12м башенной стрел (T2A) -> 12 Промежуточная секция B 12м башенной стрелы (T2B) -> 12 Промежуточная секция C 12м башенной стрелы (T2C) -> 12 Промежуточная секция A 6м башенной стрелы (T3A) -> 6 Промежуточная секция A 6м башенной стрелы (T3A) -> 6 Оголовок башенной стрелы (T4) -> 7.5
66 м
Основание башенной стрелы (T1) -> 4.5 Промежуточная секция A 12м башенной стрел (T2A) -> 12 Промежуточная секция B 12м башенной стрелы (T2B) -> 12 Промежуточная секция C 12м башенной стрелы (T2C) -> 12 Промежуточная секция A 6м башенной стрелы (T3A) -> 6 Промежуточная секция B 12м башенной стрелы (T2B) -> 12 Оголовок башенной стрелы (T4) -> 7.5
72 м
Основание башенной стрелы (T1) -> 4.5 Промежуточная секция A 12м башенной стрел (T2A) -> 12 Промежуточная секция B 12м башенной стрелы (T2B) -> 12 Промежуточная секция C 12м башенной стрелы (T2C) -> 12 Промежуточная секция A 6м башенной стрелы (T3A) -> 6 Промежуточная секция A 6м башенной стрелы (T3A) -> 6 Промежуточная секция B 12м башенной стрелы (T2B) -> 12 Оголовок башенной стрелы (T4) -> 7.5

Размеры секций управляемого гуська (башенной стрелы)

Знак
Длинна стрелы
Примечание
Основание башенной стрелы
4.5 м
Основание башенной стрелы
Промежуточная секция A 12м башенной стрел
12 м
Промежуточная секция A 12м башенной стрел
Оголовок башенной стрелы
7.5 м
Оголовок башенной стрелы
Промежуточная секция A 6м башенной стрелы
6 м
Промежуточная секция A 6м башенной стрелы
Промежуточная секция B 12м башенной стрелы
12 м
Промежуточная секция B 12м башенной стрелы
Промежуточная секция C 12м башенной стрелы
12 м
Промежуточная секция C 12м башенной стрелы
ТЕХНИЧЕСКИЕ ХАРАКТЕРИСТИКИ КРАНА (РЕЖИМ РАБОТЫ ТЯЖЕЛОЙ ОСНОВНОЙ СТРЕЛЫ + УПРАВЛЯЕМЫЙ ГУСЕК (БАШЕННАЯ СТРЕЛА)+ СУПЕР-ПОДЪЁМНАЯ МАЧТА)

ТЕХНИЧЕСКИЕ ХАРАКТЕРИСТИКИ КРАНА (РЕЖИМ РАБОТЫ ТЯЖЕЛОЙ ОСНОВНОЙ СТРЕЛЫ + УПРАВЛЯЕМЫЙ ГУСЕК (БАШЕННАЯ СТРЕЛА)+ СУПЕР-ПОДЪЁМНАЯ МАЧТА)

Комбинации секций основной стрелы в башенном рабочем режиме + супер-подъёмный лифт (HTS)

36 м
Основание основной стрелы (H1) -> 10.5 Промежуточная секция A 12м (H3A) -> 12 Уменьшающаяся секция стрелы (H4) -> 12 Оголовок основной стрелы (H5) -> 1.5
42 м
Основание основной стрелы (H1) -> 10.5 Промежуточная секция A 12м (H3A) -> 12 Промежуточная секция A 6м (H2A) -> 6 Уменьшающаяся секция стрелы (H4) -> 12 Оголовок основной стрелы (H5) -> 1.5
48 м
Основание основной стрелы (H1) -> 10.5 Промежуточная секция A 12м (H3A) -> 12 Промежуточная секция A 6м (H2A) -> 6 Промежуточная секция B 6м (H2B) -> 6 Уменьшающаяся секция стрелы (H4) -> 12 Оголовок основной стрелы (H5) -> 1.5
54 м
Основание основной стрелы (H1) -> 10.5 Промежуточная секция A 12м (H3A) -> 12 Промежуточная секция A 6м (H2A) -> 6 Промежуточная секция B 12м (H3B) -> 12 Уменьшающаяся секция стрелы (H4) -> 12 Оголовок основной стрелы (H5) -> 1.5
60 м
Основание основной стрелы (H1) -> 10.5 Промежуточная секция A 12м (H3A) -> 12 Промежуточная секция A 6м (H2A) -> 6 Промежуточная секция B 12м (H3B) -> 12 Промежуточная секция B 6м (H2B) -> 6 Уменьшающаяся секция стрелы (H4) -> 12 Оголовок основной стрелы (H5) -> 1.5
66 м
Основание основной стрелы (H1) -> 10.5 Промежуточная секция A 12м (H3A) -> 12 Промежуточная секция A 6м (H2A) -> 6 Промежуточная секция B 12м (H3B) -> 12 Промежуточная секция C 12м (H3C) -> 12 Уменьшающаяся секция стрелы (H4) -> 12 Оголовок основной стрелы (H5) -> 1.5
72 м
Основание основной стрелы (H1) -> 10.5 Промежуточная секция A 12м (H3A) -> 12 Промежуточная секция A 6м (H2A) -> 6 Промежуточная секция B 12м (H3B) -> 12 Промежуточная секция B 6м (H2B) -> 6 Промежуточная секция C 12м (H3C) -> 12 Уменьшающаяся секция стрелы (H4) -> 12 Оголовок основной стрелы (H5) -> 1.5
78 м
Основание основной стрелы (H1) -> 10.5 Промежуточная секция A 12м (H3A) -> 12 Промежуточная секция A 6м (H2A) -> 6 Промежуточная секция B 12м (H3B) -> 12 Промежуточная секция C 12м (H3C) -> 12 Промежуточная секция D 12м (H3D) -> 12 Уменьшающаяся секция стрелы (H4) -> 12 Оголовок основной стрелы (H5) -> 1.5
84 м
Основание основной стрелы (H1) -> 10.5 Промежуточная секция A 12м (H3A) -> 12 Промежуточная секция A 6м (H2A) -> 6 Промежуточная секция B 12м (H3B) -> 12 Промежуточная секция B 6м (H2B) -> 6 Промежуточная секция C 12м (H3C) -> 12 Промежуточная секция D 12м (H3D) -> 12 Уменьшающаяся секция стрелы (H4) -> 12 Оголовок основной стрелы (H5) -> 1.5
90 м
Основание основной стрелы (H1) -> 10.5 Промежуточная секция A 12м (H3A) -> 12 Промежуточная секция A 6м (H2A) -> 6 Промежуточная секция B 12м (H3B) -> 12 Промежуточная секция D 12м (H3D) -> 12 Промежуточная секция D 12м (H3D) -> 12 Промежуточная секция C 12м (H3C) -> 12 Уменьшающаяся секция стрелы (H4) -> 12 Оголовок основной стрелы (H5) -> 1.5

Размеры секций основной стрелы

Знак
Длинна стрелы
Примечание
Основание основной стрелы
10.5 м
Основание основной стрелы
Промежуточная секция A 12м
12 м
Промежуточная секция A 12м
Уменьшающаяся секция стрелы
12 м
Уменьшающаяся секция стрелы
Оголовок основной стрелы
1.5 м
Оголовок основной стрелы
Промежуточная секция A 6м
6 м
Промежуточная секция A 6м
Промежуточная секция B 6м
6 м
Промежуточная секция B 6м
Промежуточная секция B 12м
12 м
Промежуточная секция B 12м
Промежуточная секция C 12м
12 м
Промежуточная секция C 12м
Промежуточная секция D 12м
12 м
Промежуточная секция D 12м

Комбинации секций башенной стрелы в башенном рабочем режиме + супер-подъёмная мачта (HTS)

30 м
Основание башенной стрелы (T1) -> 4.5 Промежуточная секция A 12м башенной стрел (T2A) -> 12 Промежуточная секция A 6м башенной стрелы (T3A) -> 6 Оголовок башенной стрелы (T4) -> 7.5
36 м
Основание башенной стрелы (T1) -> 4.5 Промежуточная секция A 12м башенной стрел (T2A) -> 12 Промежуточная секция A 6м башенной стрелы (T3A) -> 6 Промежуточная секция A 6м башенной стрелы (T3A) -> 6 Оголовок башенной стрелы (T4) -> 7.5
42 м
Основание башенной стрелы (T1) -> 4.5 Промежуточная секция A 12м башенной стрел (T2A) -> 12 Промежуточная секция A 6м башенной стрелы (T3A) -> 6 Промежуточная секция B 12м башенной стрелы (T2B) -> 12 Оголовок башенной стрелы (T4) -> 7.5
48 м
Основание башенной стрелы (T1) -> 4.5 Промежуточная секция A 12м башенной стрел (T2A) -> 12 Промежуточная секция A 6м башенной стрелы (T3A) -> 6 Промежуточная секция B 12м башенной стрелы (T2B) -> 12 Промежуточная секция A 6м башенной стрелы (T3A) -> 6 Оголовок башенной стрелы (T4) -> 7.5
54 м
Основание башенной стрелы (T1) -> 4.5 Промежуточная секция A 12м башенной стрел (T2A) -> 12 Промежуточная секция A 6м башенной стрелы (T3A) -> 6 Промежуточная секция B 12м башенной стрелы (T2B) -> 12 Промежуточная секция B 12м башенной стрелы (T2B) -> 12 Оголовок башенной стрелы (T4) -> 7.5
60 м
Основание башенной стрелы (T1) -> 4.5 Промежуточная секция A 12м башенной стрел (T2A) -> 12 Промежуточная секция B 12м башенной стрелы (T2B) -> 12 Промежуточная секция C 12м башенной стрелы (T2C) -> 12 Промежуточная секция A 6м башенной стрелы (T3A) -> 6 Промежуточная секция A 6м башенной стрелы (T3A) -> 6 Оголовок башенной стрелы (T4) -> 7.5
66 м
Основание башенной стрелы (T1) -> 4.5 Промежуточная секция A 12м башенной стрел (T2A) -> 12 Промежуточная секция B 12м башенной стрелы (T2B) -> 12 Промежуточная секция C 12м башенной стрелы (T2C) -> 12 Промежуточная секция A 6м башенной стрелы (T3A) -> 6 Промежуточная секция B 12м башенной стрелы (T2B) -> 12 Оголовок башенной стрелы (T4) -> 7.5
72 м
Основание башенной стрелы (T1) -> 4.5 Промежуточная секция A 12м башенной стрел (T2A) -> 12 Промежуточная секция B 12м башенной стрелы (T2B) -> 12 Промежуточная секция C 12м башенной стрелы (T2C) -> 12 Промежуточная секция A 6м башенной стрелы (T3A) -> 6 Промежуточная секция A 6м башенной стрелы (T3A) -> 6 Промежуточная секция B 12м башенной стрелы (T2B) -> 12 Оголовок башенной стрелы (T4) -> 7.5
78 м
Основание башенной стрелы (T1) -> 4.5 Промежуточная секция A 12м башенной стрел (T2A) -> 12 Промежуточная секция B 12м башенной стрелы (T2B) -> 12 Промежуточная секция C 12м башенной стрелы (T2C) -> 12 Промежуточная секция A 6м башенной стрелы (T3A) -> 6 Промежуточная секция B 12м башенной стрелы (T2B) -> 12 Промежуточная секция B 12м башенной стрелы (T2B) -> 12 Оголовок башенной стрелы (T4) -> 7.5
84 м
Основание башенной стрелы (T1) -> 4.5 Промежуточная секция A 12м башенной стрел (T2A) -> 12 Промежуточная секция B 12м башенной стрелы (T2B) -> 12 Промежуточная секция C 12м башенной стрелы (T2C) -> 12 Промежуточная секция A 6м башенной стрелы (T3A) -> 6 Промежуточная секция A 6м башенной стрелы (T3A) -> 6 Промежуточная секция B 12м башенной стрелы (T2B) -> 12 Промежуточная секция B 12м башенной стрелы (T2B) -> 12 Оголовок башенной стрелы (T4) -> 7.5
90 м
Основание башенной стрелы (T1) -> 4.5 Промежуточная секция A 12м башенной стрел (T2A) -> 12 Промежуточная секция B 12м башенной стрелы (T2B) -> 12 Промежуточная секция C 12м башенной стрелы (T2C) -> 12 Промежуточная секция A 6м башенной стрелы (T3A) -> 6 Промежуточная секция A 6м башенной стрелы (T3A) -> 6 Промежуточная секция A 6м башенной стрелы (T3A) -> 6 Промежуточная секция B 12м башенной стрелы (T2B) -> 12 Промежуточная секция B 12м башенной стрелы (T2B) -> 12 Оголовок башенной стрелы (T4) -> 7.5

Размеры секций башенной стрелы

Знак
Длинна стрелы
Примечание
Основание башенной стрелы
4.5 м
Основание башенной стрелы
Промежуточная секция A 12м башенной стрел
12 м
Промежуточная секция A 12м башенной стрел
Оголовок башенной стрелы
7.5 м
Оголовок башенной стрелы
Промежуточная секция A 6м башенной стрелы
6 м
Промежуточная секция A 6м башенной стрелы
Промежуточная секция B 12м башенной стрелы
12 м
Промежуточная секция B 12м башенной стрелы
Промежуточная секция C 12м башенной стрелы
12 м
Промежуточная секция C 12м башенной стрелы
ТЕХНИЧЕСКИЕ ХАРАКТЕРИСТИКИ КРАНА (РЕЖИМ РАБОТЫ БАШЕННОЙ СТРЕЛЫ + СУПЕРПОДЪЕМНАЯ МАЧТА + СУПЕРПОДЪЕМНЫЙ КОНТРГРУЗ)

ТЕХНИЧЕСКИЕ ХАРАКТЕРИСТИКИ КРАНА (РЕЖИМ РАБОТЫ БАШЕННОЙ СТРЕЛЫ + СУПЕРПОДЪЕМНАЯ МАЧТА + СУПЕРПОДЪЕМНЫЙ КОНТРГРУЗ)

Комбинации секций основной стрелы в башенном рабочем режиме + супер-подъёмная мачта + супер-подъёмный контргруз (HTSD)

30 м
Основание башенной стрелы (T1) -> 4.5 Промежуточная секция A 12м башенной стрел (T2A) -> 12 Промежуточная секция A 6м башенной стрелы (T3A) -> 6 Оголовок башенной стрелы (T4) -> 7.5
36 м
Основание башенной стрелы (T1) -> 4.5 Промежуточная секция A 12м башенной стрел (T2A) -> 12 Промежуточная секция A 6м башенной стрелы (T3A) -> 6 Промежуточная секция A 6м башенной стрелы (T3A) -> 6 Оголовок башенной стрелы (T4) -> 7.5
42 м
Основание башенной стрелы (T1) -> 4.5 Промежуточная секция A 12м башенной стрел (T2A) -> 12 Промежуточная секция A 6м башенной стрелы (T3A) -> 6 Промежуточная секция B 12м башенной стрелы (T2B) -> 12 Оголовок башенной стрелы (T4) -> 7.5
48 м
Основание башенной стрелы (T1) -> 4.5 Промежуточная секция A 12м башенной стрел (T2A) -> 12 Промежуточная секция A 6м башенной стрелы (T3A) -> 6 Промежуточная секция B 12м башенной стрелы (T2B) -> 12 Промежуточная секция A 6м башенной стрелы (T3A) -> 6 Оголовок башенной стрелы (T4) -> 7.5
54 м
Основание башенной стрелы (T1) -> 4.5 Промежуточная секция A 12м башенной стрел (T2A) -> 12 Промежуточная секция A 6м башенной стрелы (T3A) -> 6 Промежуточная секция B 12м башенной стрелы (T2B) -> 12 Промежуточная секция B 12м башенной стрелы (T2B) -> 12 Оголовок башенной стрелы (T4) -> 7.5
60 м
Основание башенной стрелы (T1) -> 4.5 Промежуточная секция A 12м башенной стрел (T2A) -> 12 Промежуточная секция B 12м башенной стрелы (T2B) -> 12 Промежуточная секция C 12м башенной стрелы (T2C) -> 12 Промежуточная секция A 6м башенной стрелы (T3A) -> 6 Промежуточная секция A 6м башенной стрелы (T3A) -> 6 Оголовок башенной стрелы (T4) -> 7.5
66 м
Основание башенной стрелы (T1) -> 4.5 Промежуточная секция A 12м башенной стрел (T2A) -> 12 Промежуточная секция B 12м башенной стрелы (T2B) -> 12 Промежуточная секция C 12м башенной стрелы (T2C) -> 12 Промежуточная секция A 6м башенной стрелы (T3A) -> 6 Промежуточная секция B 12м башенной стрелы (T2B) -> 12 Оголовок башенной стрелы (T4) -> 7.5
72 м
Основание башенной стрелы (T1) -> 4.5 Промежуточная секция A 12м башенной стрел (T2A) -> 12 Промежуточная секция B 12м башенной стрелы (T2B) -> 12 Промежуточная секция C 12м башенной стрелы (T2C) -> 12 Промежуточная секция A 6м башенной стрелы (T3A) -> 6 Промежуточная секция A 6м башенной стрелы (T3A) -> 6 Промежуточная секция B 12м башенной стрелы (T2B) -> 12 Оголовок башенной стрелы (T4) -> 7.5
78 м
Основание башенной стрелы (T1) -> 4.5 Промежуточная секция A 12м башенной стрел (T2A) -> 12 Промежуточная секция B 12м башенной стрелы (T2B) -> 12 Промежуточная секция C 12м башенной стрелы (T2C) -> 12 Промежуточная секция A 6м башенной стрелы (T3A) -> 6 Промежуточная секция B 12м башенной стрелы (T2B) -> 12 Промежуточная секция B 12м башенной стрелы (T2B) -> 12 Оголовок башенной стрелы (T4) -> 7.5
84 м
Основание башенной стрелы (T1) -> 4.5 Промежуточная секция A 12м башенной стрел (T2A) -> 12 Промежуточная секция B 12м башенной стрелы (T2B) -> 12 Промежуточная секция C 12м башенной стрелы (T2C) -> 12 Промежуточная секция A 6м башенной стрелы (T3A) -> 6 Промежуточная секция A 6м башенной стрелы (T3A) -> 6 Промежуточная секция B 12м башенной стрелы (T2B) -> 12 Промежуточная секция B 12м башенной стрелы (T2B) -> 12 Оголовок башенной стрелы (T4) -> 7.5
90 м
Основание башенной стрелы (T1) -> 4.5 Промежуточная секция A 12м башенной стрел (T2A) -> 12 Промежуточная секция B 12м башенной стрелы (T2B) -> 12 Промежуточная секция C 12м башенной стрелы (T2C) -> 12 Промежуточная секция A 6м башенной стрелы (T3A) -> 6 Промежуточная секция A 6м башенной стрелы (T3A) -> 6 Промежуточная секция A 6м башенной стрелы (T3A) -> 6 Промежуточная секция B 12м башенной стрелы (T2B) -> 12 Промежуточная секция B 12м башенной стрелы (T2B) -> 12 Оголовок башенной стрелы (T4) -> 7.5

Размеры секций башенной стрелы

Знак
Длинна стрелы
Примечание
Основание башенной стрелы
4.5 м
Основание башенной стрелы
Промежуточная секция A 12м башенной стрел
12 м
Промежуточная секция A 12м башенной стрел
Оголовок башенной стрелы
7.5 м
Оголовок башенной стрелы
Промежуточная секция A 6м башенной стрелы
6 м
Промежуточная секция A 6м башенной стрелы
Промежуточная секция B 12м башенной стрелы
12 м
Промежуточная секция B 12м башенной стрелы
Промежуточная секция C 12м башенной стрелы
12 м
Промежуточная секция C 12м башенной стрелы