В наличии демонстрационные модели кранов грузоподъёмностью от 100 до 750 тонн за 50% от стоимости!!!
Гусеничный кран QUY-250-1

Гусеничный кран QUY-250-1

Основные характеристики
  • Максимальная грузоподъемность: 265 т
  • Длина основной стрелы: 72.2 м
  • Основная тяжелая удлиненная стрела: 91,4 м
  • Длина жёсткомонтируемого гуська: 18 - 36 м
  • Длина маневрового гуська: 22 - 61 м
Основные преимущества
  • СТРЕЛА ИЗ НЕМЕЦКОЙ ВЫСОКОПРОЧНОЙ СТАЛИ
  • ВОЗМОЖНОСТЬ ПЕРЕДВИЖЕНИЯ КРАНА С ГРУЗОМ ПО СТРОИТЕЛЬНОЙ ПЛОЩАДКЕ
  • КОМПЛЕКТУЮЩИЕ КРАНА ИМПОРТНОГО ПРОИЗВОДСТВА (ЯПОНИЯ, ГЕРМАНИЯ, США), ЧТО ПОДТВЕРЖДАЕТ ВЫСОКОЕ КАЧЕСТВО КРАНА
  • ТЕМПЕРАТУРНЫЙ РЕЖИМ -40°С
  • ВОЗМОЖНОСТЬ РАБОТЫ КРАНА С ДОПОЛНИТЕЛЬНЫМ ОБОРУДОВАНИЕМ
  • РУСИФИКАЦИЯ ПРИБОРОВ УПРАВЛЕНИЯ КРАНОМ (УПРАВЛЕНИЕ КРАНОМ НА РУССКОМ ЯЗЫКЕ)
Гусеничный кран QUY-250-1

Гусеничный кран QUY-250-1

Технические характеристики
Грузовысотные характеристики
Габариты
Транспортировка
Конфигурация

Характеристики

Характеристики
Значение
Ед.изм.
Максимальная грузоподъемность
265
т
Макс.грузовой момент
260т х 5.5м = 1430
т*м
Длина основной стрелы
72.2
м
Основная тяжелая удлиненная стрела
91,4
м
Длина маневрового гуська
22 - 61
м
Грузоподъёмность маневрового гуська
57.8
т
Длина жёсткомонтируемого гуська
18 - 36
м
Грузоподъёмность жёсткомонтируемого гуська
18.6
т
Угол изменения вылета основной стрелы
30 - 80
град
Угол изменения вылета маневрового гуська
15 - 70
град
Угол изменения вылета основной стрелы с маневровым гуськом
60 - 85
град
Крюкоблоки
250/150/80/35/15
т
Скорость грузовой лебёдки
0 - 136
м/мин
Скорость лебёдки изменения вылета
56
м/мин
Скорость поворота
0 - 1.7
об/мин
Скорость передвижения
0.8/1.2
км/ч
Макс. нагрузка на одну нить каната
13/135
т/кН
Макс. преодолеваемый подъём
30
%
Двигатель
Cummins QSL9 246/2100/334
кВт/(об/мин)/лс
Полная масса крана (с основной стрелой длинной 15,2м, противовесом 112,1, крюковой обоймой 3,7т)
234
т
Давление на грунт
1.36
кгс/см2
Масса противовеса
112.5
т

Грузовысотные характеристики

Грузовысотные характеристики

Габариты

Габариты

Транспортировка

Тело крана
Тело крана x1
Длина
12.62 м
Ширина
3.28 м
Высота
3.52 м
Вес
54000 кг
Гусеницы (в сборе)
Гусеницы (в сборе) x2
Длина
9.37 м
Ширина
1.54 м
Высота
1.36 м
Вес
23600 кг
Шасси противовеса
Шасси противовеса x1
Длина
4.80 м
Ширина
2.16 м
Высота
1.59 м
Вес
16400 кг
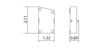
Левый противовес
Левый противовес x5
Длина
2.11 м
Ширина
1.22 м
Высота
0.69 м
Вес
6901 кг
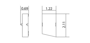
Правый противовес
Правый противовес x5
Длина
2.11 м
Ширина
1.22 м
Высота
0.69 м
Вес
7001 кг
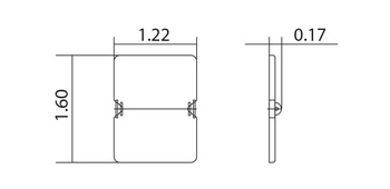
Добавленный противовес
Добавленный противовес x2
Длина
1.60 м
Ширина
1.22 м
Высота
0.17 м
Вес
918 кг
Промежуточная секция 12 м
Промежуточная секция 12 м x1
Длина
12.17 м
Ширина
2.28 м
Высота
2.33 м
Вес
2182 кг
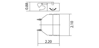
Болласт
Болласт x2
Длина
2.20 м
Ширина
2.10 м
Высота
0.88 м
Вес
12002 кг
Основание основной стрелы
Основание основной стрелы x1
Длина
8.00 м
Ширина
2.29 м
Высота
2.92 м
Вес
5849 кг
Промежуточная секция основной стрелы 3 м
Промежуточная секция основной стрелы 3 м x1
Длина
3.21 м
Ширина
2.29 м
Высота
2.35 м
Вес
830 кг
Промежуточная секция основной стрелы 6 м
Промежуточная секция основной стрелы 6 м x1
Длина
6.26 м
Ширина
2.29 м
Высота
2.35 м
Вес
1342 кг
Промежуточная секция основной стрелы 9 м
Промежуточная секция основной стрелы 9 м x4
Длина
9.32 м
Ширина
2.29 м
Высота
2.35 м
Вес
1725 кг
Уменьшающая секция 6.7 м
Уменьшающая секция 6.7 м x1
Длина
6.87 м
Ширина
2.29 м
Высота
2.94 м
Вес
1998 кг
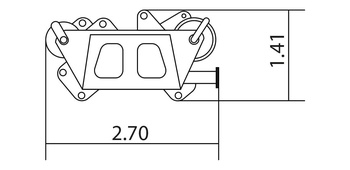
Оголовок основной стрелы 0.9 м
Оголовок основной стрелы 0.9 м x1
Длина
2.70 м
Ширина
1.20 м
Высота
1.41 м
Вес
1983 кг
Оголовок 8.8 м (тяжелая стрела)
Оголовок 8.8 м (тяжелая стрела) x1
Длина
9.30 м
Ширина
2.28 м
Высота
3.03 м
Вес
2174 кг
Секция 12 м (тяжелая стрела)
Секция 12 м (тяжелая стрела) x1
Длина
12.17 м
Ширина
2.28 м
Высота
2.41 м
Вес
2183 кг
Промежуточная секция башенной стрелы 3 м
Промежуточная секция башенной стрелы 3 м x1
Длина
3.14 м
Ширина
1.63 м
Высота
1.74 м
Вес
422 кг
Промежуточная секция башенной стрелы 6 м
Промежуточная секция башенной стрелы 6 м x1
Длина
6.14 м
Ширина
1.63 м
Высота
1.77 м
Вес
706 кг
Промежуточная секция башенной стрелы 9 м
Промежуточная секция башенной стрелы 9 м x4
Длина
9.14 м
Ширина
1.63 м
Высота
1.72 м
Вес
989 кг
Клиновидная секция башенной стрелы
Клиновидная секция башенной стрелы x1
Длина
8.06 м
Ширина
1.63 м
Высота
1.62 м
Вес
1542 кг
Основание башенной стрелы
Основание башенной стрелы x1
Длина
8.70 м
Ширина
1.63 м
Высота
1.74 м
Вес
1442 кг
Передняя опора башенной стрелы
Передняя опора башенной стрелы x1
Длина
9.92 м
Ширина
1.25 м
Высота
0.96 м
Вес
1280 кг
Задняя опора башенной стрелы (с рычагом от опрокидывания)
Задняя опора башенной стрелы (с рычагом от опрокидывания) x1
Длина
8.92 м
Ширина
1.25 м
Высота
1.13 м
Вес
1247 кг
Основание стационарного гуська
Основание стационарного гуська x1
Длина
6.17 м
Ширина
1.62 м
Высота
1.09 м
Вес
473 кг
Промежуточная секция стационарного гуська 6 м
Промежуточная секция стационарного гуська 6 м x4
Длина
6.09 м
Ширина
1.28 м
Высота
1.17 м
Вес
310 кг
Клиновидная секция стационарного гуська
Клиновидная секция стационарного гуська x1
Длина
6.42 м
Ширина
1.28 м
Высота
1.09 м
Вес
400 кг
Крюк 250 т
Крюк 250 т x1
Длина
2.86 м
Ширина
1.24 м
Высота
1.27 м
Вес
3980 кг
Крюк 200 т
Крюк 200 т x1
Длина
2.78 м
Ширина
1.10 м
Высота
1.06 м
Вес
3400 кг
Крюк 150 т
Крюк 150 т x1
Длина
2.51 м
Ширина
0.86 м
Высота
0.82 м
Вес
2625 кг
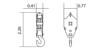
Крюк 80 т
Крюк 80 т x1
Длина
2.26 м
Ширина
0.77 м
Высота
0.41 м
Вес
1420 кг
Крюк 35 т
Крюк 35 т x1
Длина
1.86 м
Ширина
0.77 м
Высота
0.42 м
Вес
1130 кг
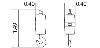
Крюк 15 т
Крюк 15 т x1
Длина
1.49 м
Ширина
0.40 м
Высота
0.40 м
Вес
700 кг
Конфигурация-1 (QUY-250-1)
Конфигурация-2 (QUY-250-1)
Конфигурация-3 (QUY-250-1)
Конфигурация-4 (QUY-250-1)
Конфигурация-5 (QUY-250-1)
Конфигурация-6 (QUY-250-1)
ТЕХНИЧЕСКИЕ ХАРАКТЕРИСТИКИ КРАНА (МАКСИМАЛЬНАЯ ДЛИНА СТРЕЛЫ)

ТЕХНИЧЕСКИЕ ХАРАКТЕРИСТИКИ КРАНА (МАКСИМАЛЬНАЯ ДЛИНА СТРЕЛЫ)

Комбинации основной стрелы

15.2 м
Корневая секция стрелы (B) -> 7.6 Оголовок стрелы (BT) -> 7.6
18.2 м
Корневая секция стрелы (B) -> 7.6 Секция стрелы 3м (3) -> 3 Оголовок стрелы (BT) -> 7.6
21.2 м
Корневая секция стрелы (B) -> 7.6 Секция стрелы 6м (6) -> 6 Оголовок стрелы (BT) -> 7.6
24.2 м
Корневая секция стрелы (B) -> 7.6 Секция стрелы 3м (3) -> 3 Секция стрелы 6м (6) -> 6 Оголовок стрелы (BT) -> 7.6
27.2 м
Корневая секция стрелы (B) -> 7.6 Секция стрелы 3м (3) -> 3 Секция стрелы 9м (9) -> 9 Оголовок стрелы (BT) -> 7.6
30.2 м
Корневая секция стрелы (B) -> 7.6 Секция стрелы 6м (6) -> 6 Секция стрелы 9м (9) -> 9 Оголовок стрелы (BT) -> 7.6
33.2 м
Корневая секция стрелы (B) -> 7.6 Секция стрелы 3м (3) -> 3 Секция стрелы 6м (6) -> 6 Секция стрелы 9м (9) -> 9 Оголовок стрелы (BT) -> 7.6
36.2 м
Корневая секция стрелы (B) -> 7.6 Секция стрелы 3м (3) -> 3 Секция стрелы 9м (9) -> 9 Секция стрелы 9м (9) -> 9 Оголовок стрелы (BT) -> 7.6
39.2 м
Корневая секция стрелы (B) -> 7.6 Секция стрелы 6м (6) -> 6 Секция стрелы 9м (9) -> 9 Секция стрелы 9м (9) -> 9 Оголовок стрелы (BT) -> 7.6
42.2 м
Корневая секция стрелы (B) -> 7.6 Секция стрелы 3м (3) -> 3 Секция стрелы 6м (6) -> 6 Секция стрелы 9м (9) -> 9 Секция стрелы 9м (9) -> 9 Оголовок стрелы (BT) -> 7.6
45.2 м
Корневая секция стрелы (B) -> 7.6 Секция стрелы 3м (3) -> 3 Секция стрелы 6м (6) -> 6 Секция стрелы 9м (9) -> 9 Секция стрелы 12м (12) -> 12 Оголовок стрелы (BT) -> 7.6
48.2 м
Корневая секция стрелы (B) -> 7.6 Секция стрелы 3м (3) -> 3 Секция стрелы 9м (9) -> 9 Секция стрелы 9м (9) -> 9 Секция стрелы 12м (12) -> 12 Оголовок стрелы (BT) -> 7.6
51.2 м
Корневая секция стрелы (B) -> 7.6 Секция стрелы 6м (6) -> 6 Секция стрелы 9м (9) -> 9 Секция стрелы 9м (9) -> 9 Секция стрелы 12м (12) -> 12 Оголовок стрелы (BT) -> 7.6
54.2 м
Корневая секция стрелы (B) -> 7.6 Секция стрелы 3м (3) -> 3 Секция стрелы 6м (6) -> 6 Секция стрелы 9м (9) -> 9 Секция стрелы 9м (9) -> 9 Секция стрелы 12м (12) -> 12 Оголовок стрелы (BT) -> 7.6
57.2 м
Корневая секция стрелы (B) -> 7.6 Секция стрелы 3м (3) -> 3 Секция стрелы 9м (9) -> 9 Секция стрелы 9м (9) -> 9 Секция стрелы 9м (9) -> 9 Секция стрелы 12м (12) -> 12 Оголовок стрелы (BT) -> 7.6
60.2 м
Корневая секция стрелы (B) -> 7.6 Секция стрелы 6м (6) -> 6 Секция стрелы 9м (9) -> 9 Секция стрелы 9м (9) -> 9 Секция стрелы 9м (9) -> 9 Секция стрелы 12м (12) -> 12 Оголовок стрелы (BT) -> 7.6
63.2 м
Корневая секция стрелы (B) -> 7.6 Секция стрелы 3м (3) -> 3 Секция стрелы 6м (6) -> 6 Секция стрелы 9м (9) -> 9 Секция стрелы 9м (9) -> 9 Секция стрелы 9м (9) -> 9 Секция стрелы 12м (12) -> 12 Оголовок стрелы (BT) -> 7.6
66.2 м
Корневая секция стрелы (B) -> 7.6 Секция стрелы 3м (3) -> 3 Секция стрелы 9м (9) -> 9 Секция стрелы 9м (9) -> 9 Секция стрелы 9м (9) -> 9 Секция стрелы 9м (9) -> 9 Секция стрелы 12м (12) -> 12 Оголовок стрелы (BT) -> 7.6
69.2 м
Корневая секция стрелы (B) -> 7.6 Секция стрелы 6м (6) -> 6 Секция стрелы 9м (9) -> 9 Секция стрелы 9м (9) -> 9 Секция стрелы 9м (9) -> 9 Секция стрелы 9м (9) -> 9 Секция стрелы 12м (12) -> 12 Оголовок стрелы (BT) -> 7.6
72.2 м
Корневая секция стрелы (B) -> 7.6 Секция стрелы 3м (3) -> 3 Секция стрелы 6м (6) -> 6 Секция стрелы 9м (9) -> 9 Секция стрелы 9м (9) -> 9 Секция стрелы 9м (9) -> 9 Секция стрелы 9м (9) -> 9 Секция стрелы 12м (12) -> 12 Оголовок стрелы (BT) -> 7.6

Размеры секций основной стрелы

Знак
Длинна стрелы
Примечание
Корневая секция стрелы
7.6 м
Корневая секция стрелы
Оголовок стрелы
7.6 м
Оголовок стрелы
Секция стрелы 3м
3 м
Секция стрелы 3м
Секция стрелы 6м
6 м
Секция стрелы 6м
Секция стрелы 9м
9 м
Секция стрелы 9м
Секция стрелы 12м
12 м
Секция стрелы 12м
ТЕХНИЧЕСКИЕ ХАРАКТЕРИСТИКИ КРАНА (МАКСИМАЛЬНАЯ ДЛИНА СТРЕЛЫ С РАННЕРОМ)

ТЕХНИЧЕСКИЕ ХАРАКТЕРИСТИКИ КРАНА (МАКСИМАЛЬНАЯ ДЛИНА СТРЕЛЫ С РАННЕРОМ)

Комбинации основной стрелы

15.2 м
Корневая секция стрелы (B) -> 7.6 Оголовок стрелы (BT) -> 7.6
18.2 м
Корневая секция стрелы (B) -> 7.6 Секция стрелы 3м (3) -> 3 Оголовок стрелы (BT) -> 7.6
21.2 м
Корневая секция стрелы (B) -> 7.6 Секция стрелы 6м (6) -> 6 Оголовок стрелы (BT) -> 7.6
24.2 м
Корневая секция стрелы (B) -> 7.6 Секция стрелы 3м (3) -> 3 Секция стрелы 6м (6) -> 6 Оголовок стрелы (BT) -> 7.6
27.2 м
Корневая секция стрелы (B) -> 7.6 Секция стрелы 3м (3) -> 3 Секция стрелы 9м (9) -> 9 Оголовок стрелы (BT) -> 7.6
30.2 м
Корневая секция стрелы (B) -> 7.6 Секция стрелы 6м (6) -> 6 Секция стрелы 9м (9) -> 9 Оголовок стрелы (BT) -> 7.6
33.2 м
Корневая секция стрелы (B) -> 7.6 Секция стрелы 3м (3) -> 3 Секция стрелы 6м (6) -> 6 Секция стрелы 9м (9) -> 9 Оголовок стрелы (BT) -> 7.6
36.2 м
Корневая секция стрелы (B) -> 7.6 Секция стрелы 3м (3) -> 3 Секция стрелы 9м (9) -> 9 Секция стрелы 9м (9) -> 9 Оголовок стрелы (BT) -> 7.6
39.2 м
Корневая секция стрелы (B) -> 7.6 Секция стрелы 6м (6) -> 6 Секция стрелы 9м (9) -> 9 Секция стрелы 9м (9) -> 9 Оголовок стрелы (BT) -> 7.6
42.2 м
Корневая секция стрелы (B) -> 7.6 Секция стрелы 3м (3) -> 3 Секция стрелы 6м (6) -> 6 Секция стрелы 9м (9) -> 9 Секция стрелы 9м (9) -> 9 Оголовок стрелы (BT) -> 7.6
45.2 м
Корневая секция стрелы (B) -> 7.6 Секция стрелы 3м (3) -> 3 Секция стрелы 6м (6) -> 6 Секция стрелы 9м (9) -> 9 Секция стрелы 12м (12) -> 12 Оголовок стрелы (BT) -> 7.6
48.2 м
Корневая секция стрелы (B) -> 7.6 Секция стрелы 3м (3) -> 3 Секция стрелы 9м (9) -> 9 Секция стрелы 9м (9) -> 9 Секция стрелы 12м (12) -> 12 Оголовок стрелы (BT) -> 7.6
51.2 м
Корневая секция стрелы (B) -> 7.6 Секция стрелы 6м (6) -> 6 Секция стрелы 9м (9) -> 9 Секция стрелы 9м (9) -> 9 Секция стрелы 12м (12) -> 12 Оголовок стрелы (BT) -> 7.6
54.2 м
Корневая секция стрелы (B) -> 7.6 Секция стрелы 3м (3) -> 3 Секция стрелы 6м (6) -> 6 Секция стрелы 9м (9) -> 9 Секция стрелы 9м (9) -> 9 Секция стрелы 12м (12) -> 12 Оголовок стрелы (BT) -> 7.6
57.2 м
Корневая секция стрелы (B) -> 7.6 Секция стрелы 3м (3) -> 3 Секция стрелы 9м (9) -> 9 Секция стрелы 9м (9) -> 9 Секция стрелы 9м (9) -> 9 Секция стрелы 12м (12) -> 12 Оголовок стрелы (BT) -> 7.6
60.2 м
Корневая секция стрелы (B) -> 7.6 Секция стрелы 6м (6) -> 6 Секция стрелы 9м (9) -> 9 Секция стрелы 9м (9) -> 9 Секция стрелы 9м (9) -> 9 Секция стрелы 12м (12) -> 12 Оголовок стрелы (BT) -> 7.6
63.2 м
Корневая секция стрелы (B) -> 7.6 Секция стрелы 3м (3) -> 3 Секция стрелы 6м (6) -> 6 Секция стрелы 9м (9) -> 9 Секция стрелы 9м (9) -> 9 Секция стрелы 9м (9) -> 9 Секция стрелы 12м (12) -> 12 Оголовок стрелы (BT) -> 7.6
66.2 м
Корневая секция стрелы (B) -> 7.6 Секция стрелы 3м (3) -> 3 Секция стрелы 9м (9) -> 9 Секция стрелы 9м (9) -> 9 Секция стрелы 9м (9) -> 9 Секция стрелы 9м (9) -> 9 Секция стрелы 12м (12) -> 12 Оголовок стрелы (BT) -> 7.6
69.2 м
Корневая секция стрелы (B) -> 7.6 Секция стрелы 6м (6) -> 6 Секция стрелы 9м (9) -> 9 Секция стрелы 9м (9) -> 9 Секция стрелы 9м (9) -> 9 Секция стрелы 9м (9) -> 9 Секция стрелы 12м (12) -> 12 Оголовок стрелы (BT) -> 7.6
72.2 м
Корневая секция стрелы (B) -> 7.6 Секция стрелы 3м (3) -> 3 Секция стрелы 6м (6) -> 6 Секция стрелы 9м (9) -> 9 Секция стрелы 9м (9) -> 9 Секция стрелы 9м (9) -> 9 Секция стрелы 9м (9) -> 9 Секция стрелы 12м (12) -> 12 Оголовок стрелы (BT) -> 7.6

Размеры секций основной стрелы

Знак
Длинна стрелы
Примечание
Корневая секция стрелы
7.6 м
Корневая секция стрелы
Оголовок стрелы
7.6 м
Оголовок стрелы
Секция стрелы 3м
3 м
Секция стрелы 3м
Секция стрелы 6м
6 м
Секция стрелы 6м
Секция стрелы 9м
9 м
Секция стрелы 9м
Секция стрелы 12м
12 м
Секция стрелы 12м
ТЕХНИЧЕСКИЕ ХАРАКТЕРИСТИКИ КРАНА (СТРЕЛА ЩСНОВНАЯ ТЯЖЕЛАЯ + ЛЕГКАЯ)

ТЕХНИЧЕСКИЕ ХАРАКТЕРИСТИКИ КРАНА (СТРЕЛА ЩСНОВНАЯ ТЯЖЕЛАЯ + ЛЕГКАЯ)

Комбинации основной стрелы

75.8 м
Корневая секция стрелы (B) -> 7.6 Промежуточная секция основной стрелы (6) -> 6 Промежуточная секция основной стрелы (9) -> 9 Промежуточная секция основной стрелы (9) -> 9 Промежуточная секция основной стрелы (9) -> 9 Промежуточная секция основной стрелы (9) -> 9 Промежуточная секция основной стрелы (9) -> 9 Уменьшающая секция (6U) -> 6.7 Промежуточная секция башенной стрелы (3P) -> 3 Клиновидная секция основной стрелы (TP) -> 7.5
78.8 м
Корневая секция стрелы (B) -> 7.6 Промежуточная секция основной стрелы (6) -> 6 Промежуточная секция основной стрелы (9) -> 9 Промежуточная секция основной стрелы (9) -> 9 Промежуточная секция основной стрелы (9) -> 9 Промежуточная секция основной стрелы (9) -> 9 Промежуточная секция основной стрелы (9) -> 9 Уменьшающая секция (6U) -> 6.7 Промежуточная секция башенной стрелы (6P) -> 6 Клиновидная секция основной стрелы (TP) -> 7.5
81.8 м
Корневая секция стрелы (B) -> 7.6 Промежуточная секция основной стрелы (6) -> 6 Промежуточная секция основной стрелы (9) -> 9 Промежуточная секция основной стрелы (9) -> 9 Промежуточная секция основной стрелы (9) -> 9 Промежуточная секция основной стрелы (9) -> 9 Промежуточная секция основной стрелы (9) -> 9 Уменьшающая секция (6U) -> 6.7 Промежуточная секция башенной стрелы (9P) -> 9 Клиновидная секция основной стрелы (TP) -> 7.5
84.8 м
Корневая секция стрелы (B) -> 7.6 Промежуточная секция основной стрелы (6) -> 6 Промежуточная секция основной стрелы (9) -> 9 Промежуточная секция основной стрелы (9) -> 9 Промежуточная секция основной стрелы (9) -> 9 Промежуточная секция основной стрелы (9) -> 9 Промежуточная секция основной стрелы (9) -> 9 Уменьшающая секция (6U) -> 6.7 Промежуточная секция башенной стрелы (3P) -> 3 Промежуточная секция башенной стрелы (9P) -> 9 Клиновидная секция основной стрелы (TP) -> 7.5
87.8 м
Корневая секция стрелы (B) -> 7.6 Промежуточная секция основной стрелы (6) -> 6 Промежуточная секция основной стрелы (9) -> 9 Промежуточная секция основной стрелы (9) -> 9 Промежуточная секция основной стрелы (9) -> 9 Промежуточная секция основной стрелы (9) -> 9 Промежуточная секция основной стрелы (9) -> 9 Уменьшающая секция (6U) -> 6.7 Промежуточная секция башенной стрелы (6P) -> 6 Промежуточная секция башенной стрелы (9P) -> 9 Клиновидная секция основной стрелы (TP) -> 7.5
90.8 м
Корневая секция стрелы (B) -> 7.6 Промежуточная секция основной стрелы (6) -> 6 Промежуточная секция основной стрелы (9) -> 9 Промежуточная секция основной стрелы (9) -> 9 Промежуточная секция основной стрелы (9) -> 9 Промежуточная секция основной стрелы (9) -> 9 Промежуточная секция основной стрелы (9) -> 9 Уменьшающая секция (6U) -> 6.7 Промежуточная секция башенной стрелы (3P) -> 3 Промежуточная секция башенной стрелы (6P) -> 6 Промежуточная секция башенной стрелы (9P) -> 9 Клиновидная секция основной стрелы (TP) -> 7.5

Размеры секций основной стрелы

Знак
Длинна стрелы
Примечание
Корневая секция стрелы
7.6 м
Корневая секция стрелы
Промежуточная секция основной стрелы
6 м
Промежуточная секция основной стрелы
Промежуточная секция основной стрелы
9 м
Промежуточная секция основной стрелы
Уменьшающая секция
6.7 м
Уменьшающая секция
Клиновидная секция основной стрелы
7.5 м
Клиновидная секция основной стрелы
Промежуточная секция башенной стрелы
3 м
Промежуточная секция башенной стрелы
Промежуточная секция башенной стрелы
6 м
Промежуточная секция башенной стрелы
Промежуточная секция башенной стрелы
9 м
Промежуточная секция башенной стрелы
ТЕХНИЧЕСКИЕ ХАРАКТЕРИСТИКИ КРАНА (ТЯЖЕЛАЯ, УДЛИНЕННАЯ СТРЕЛА)

ТЕХНИЧЕСКИЕ ХАРАКТЕРИСТИКИ КРАНА (ТЯЖЕЛАЯ, УДЛИНЕННАЯ СТРЕЛА)

Комбинации основной стрелы

73.4 м
Корневая секция стрелы (B) -> 7.6 Секция стрелы 6м (6) -> 6 Секция стрелы 9м (9) -> 9 Секция стрелы 9м (9) -> 9 Секция стрелы 9м (9) -> 9 Секция стрелы 12м (12) -> 12 Секция стрелы 12м (12) -> 12 Оголовок стрелы (BT) -> 8.8
76.4 м
Корневая секция стрелы (B) -> 7.6 Секция стрелы 3м (3) -> 3 Секция стрелы 6м (6) -> 6 Секция стрелы 9м (9) -> 9 Секция стрелы 9м (9) -> 9 Секция стрелы 9м (9) -> 9 Секция стрелы 12м (12) -> 12 Секция стрелы 12м (12) -> 12 Оголовок стрелы (BT) -> 8.8
79.4 м
Корневая секция стрелы (B) -> 7.6 Секция стрелы 6м (6) -> 6 Секция стрелы 6м (6) -> 6 Секция стрелы 9м (9) -> 9 Секция стрелы 9м (9) -> 9 Секция стрелы 9м (9) -> 9 Секция стрелы 12м (12) -> 12 Секция стрелы 12м (12) -> 12 Оголовок стрелы (BT) -> 8.8
82.4 м
Корневая секция стрелы (B) -> 7.6 Секция стрелы 6м (6) -> 6 Секция гуська 9м (9) -> 9 Секция стрелы 9м (9) -> 9 Секция стрелы 9м (9) -> 9 Секция стрелы 9м (9) -> 9 Секция стрелы 12м (12) -> 12 Секция стрелы 12м (12) -> 12 Оголовок стрелы (BT) -> 8.8
85.4 м
Корневая секция стрелы (B) -> 7.6 Секция стрелы 3м (3) -> 3 Секция стрелы 6м (6) -> 6 Секция гуська 9м (9) -> 9 Секция стрелы 9м (9) -> 9 Секция стрелы 9м (9) -> 9 Секция стрелы 9м (9) -> 9 Секция стрелы 12м (12) -> 12 Секция стрелы 12м (12) -> 12 Оголовок стрелы (BT) -> 8.8
88.4 м
Корневая секция стрелы (B) -> 7.6 Секция стрелы 6м (6) -> 6 Секция стрелы 6м (6) -> 6 Секция гуська 9м (9) -> 9 Секция стрелы 9м (9) -> 9 Секция стрелы 9м (9) -> 9 Секция стрелы 9м (9) -> 9 Секция стрелы 12м (12) -> 12 Секция стрелы 12м (12) -> 12 Оголовок стрелы (BT) -> 8.8
91.4 м
Корневая секция стрелы (B) -> 7.6 Секция стрелы 3м (3) -> 3 Секция стрелы 6м (6) -> 6 Секция стрелы 6м (6) -> 6 Секция гуська 9м (9) -> 9 Секция стрелы 9м (9) -> 9 Секция стрелы 9м (9) -> 9 Секция стрелы 9м (9) -> 9 Секция стрелы 12м (12) -> 12 Секция стрелы 12м (12) -> 12 Оголовок стрелы (BT) -> 8.8

Размеры секций основной стрелы

Знак
Длинна стрелы
Примечание
Корневая секция стрелы
7.6 м
Корневая секция стрелы
Секция стрелы 6м
6 м
Секция стрелы 6м
Секция стрелы 9м
9 м
Секция стрелы 9м
Секция стрелы 12м
12 м
Секция стрелы 12м
Оголовок стрелы
8.8 м
Оголовок стрелы
Секция стрелы 3м
3 м
Секция стрелы 3м
Секция гуська 9м
9 м
Секция гуська 9м
ТЕХНИЧЕСКИЕ ХАРАКТЕРИСТИКИ КРАНА (СТРЕЛА МАКСИМАЛЬНОЙ ДЛИНЫ С ФИКСИРОВАННЫМ ГУСЬКОМ)

ТЕХНИЧЕСКИЕ ХАРАКТЕРИСТИКИ КРАНА (СТРЕЛА МАКСИМАЛЬНОЙ ДЛИНЫ С ФИКСИРОВАННЫМ ГУСЬКОМ)

Комбинации основной стрелы

45.2 м
Корневая секция стрелы (B) -> 7.6 Секция стрелы 3м (3) -> 3 Секция стрелы 6м (6) -> 6 Секция стрелы 9м (9) -> 9 Секция стрелы 12м (12) -> 12 Оголовок стрелы (BT) -> 7.6
69.2 м
Корневая секция стрелы (B) -> 7.6 Секция стрелы 6м (6) -> 6 Секция стрелы 9м (9) -> 9 Секция стрелы 9м (9) -> 9 Секция стрелы 9м (9) -> 9 Секция стрелы 9м (9) -> 9 Секция стрелы 12м (12) -> 12 Оголовок стрелы (BT) -> 7.6

Размеры секций основной стрелы

Знак
Длинна стрелы
Примечание
Корневая секция стрелы
7.6 м
Корневая секция стрелы
Секция стрелы 3м
3 м
Секция стрелы 3м
Секция стрелы 6м
6 м
Секция стрелы 6м
Секция стрелы 9м
9 м
Секция стрелы 9м
Секция стрелы 12м
12 м
Секция стрелы 12м
Оголовок стрелы
7.6 м
Оголовок стрелы

Комбинации гуська

18 м
Основание основной стрелы (B) -> 6 Промежуточная секция гуська 6м (6) -> 6 Клиновидная секция гуська (BT) -> 6
24 м
Основание основной стрелы (B) -> 6 Промежуточная секция гуська 6м (6) -> 6 Промежуточная секция гуська 6м (6) -> 6 Клиновидная секция гуська (BT) -> 6
30 м
Основание основной стрелы (B) -> 6 Промежуточная секция гуська 6м (6) -> 6 Промежуточная секция гуська 6м (6) -> 6 Промежуточная секция гуська 6м (6) -> 6 Клиновидная секция гуська (BT) -> 6
36 м
Основание основной стрелы (B) -> 6 Промежуточная секция гуська 6м (6) -> 6 Промежуточная секция гуська 6м (6) -> 6 Промежуточная секция гуська 6м (6) -> 6 Промежуточная секция гуська 6м (6) -> 6 Клиновидная секция гуська (BT) -> 6

Размеры секций гуська

Знак
Длинна стрелы
Примечание
Основание основной стрелы
6 м
Основание основной стрелы
Клиновидная секция гуська
6 м
Клиновидная секция гуська
Промежуточная секция гуська 6м
6 м
Промежуточная секция гуська 6м
ТЕХНИЧЕСКИЕ ХАРАКТЕРИСТИКИ КРАНА (СТРЕЛА МАКСИМАЛЬНОЙ ДЛИНЫ С МАНЕВРОВЫМ ГУСЬКОМ)

ТЕХНИЧЕСКИЕ ХАРАКТЕРИСТИКИ КРАНА (СТРЕЛА МАКСИМАЛЬНОЙ ДЛИНЫ С МАНЕВРОВЫМ ГУСЬКОМ)

Комбинации основной стрелы

36.2 м
Основание основной стрелы в башенном режиме (B7) -> 7.6 Промежуточная секция основной стрелы в башенном режиме 3м (3) -> 3 Промежуточная секция основной стрелы в башенном режиме 9м (9) -> 9 Промежуточная секция основной стрелы в башенном режиме 9м (9) -> 9 Клиновидная секция основной стрелы в башенном режиме (TT) -> 7.6
39.2 м
Основание основной стрелы в башенном режиме (B7) -> 7.6 Промежуточная секция башенной стрелы 6м (6) -> 6 Промежуточная секция основной стрелы в башенном режиме 9м (9) -> 9 Промежуточная секция основной стрелы в башенном режиме 9м (9) -> 9 Клиновидная секция основной стрелы в башенном режиме (TT) -> 7.6
42.2 м
Основание основной стрелы в башенном режиме (B7) -> 7.6 Промежуточная секция основной стрелы в башенном режиме 3м (3) -> 3 Промежуточная секция башенной стрелы 6м (6) -> 6 Промежуточная секция основной стрелы в башенном режиме 9м (9) -> 9 Промежуточная секция основной стрелы в башенном режиме 9м (9) -> 9 Клиновидная секция основной стрелы в башенном режиме (TT) -> 7.6
45.2 м
Основание основной стрелы в башенном режиме (B7) -> 7.6 Промежуточная секция основной стрелы в башенном режиме 3м (3) -> 3 Промежуточная секция башенной стрелы 6м (6) -> 6 Промежуточная секция основной стрелы в башенном режиме 9м (9) -> 9 Промежуточная секция основной стрелы в башенном режиме 12м (12) -> 12 Клиновидная секция основной стрелы в башенном режиме (TT) -> 7.6
48.2 м
Основание основной стрелы в башенном режиме (B7) -> 7.6 Промежуточная секция основной стрелы в башенном режиме 3м (3) -> 3 Промежуточная секция основной стрелы в башенном режиме 9м (9) -> 9 Промежуточная секция основной стрелы в башенном режиме 9м (9) -> 9 Промежуточная секция основной стрелы в башенном режиме 12м (12) -> 12 Клиновидная секция основной стрелы в башенном режиме (TT) -> 7.6
51.2 м
Основание основной стрелы в башенном режиме (B7) -> 7.6 Промежуточная секция основной стрелы в башенном режиме 6м (6) -> 6 Промежуточная секция основной стрелы в башенном режиме 9м (9) -> 9 Промежуточная секция основной стрелы в башенном режиме 9м (9) -> 9 Промежуточная секция основной стрелы в башенном режиме 12м (12) -> 12 Клиновидная секция основной стрелы в башенном режиме (TT) -> 7.6
54.2 м
Основание основной стрелы в башенном режиме (B7) -> 7.6 Промежуточная секция основной стрелы в башенном режиме 3м (3) -> 3 Промежуточная секция основной стрелы в башенном режиме 6м (6) -> 6 Промежуточная секция основной стрелы в башенном режиме 9м (9) -> 9 Промежуточная секция основной стрелы в башенном режиме 9м (9) -> 9 Промежуточная секция основной стрелы в башенном режиме 12м (12) -> 12 Клиновидная секция основной стрелы в башенном режиме (TT) -> 7.6
57.2 м
Основание основной стрелы в башенном режиме (B7) -> 7.6 Промежуточная секция основной стрелы в башенном режиме 3м (3) -> 3 Промежуточная секция основной стрелы в башенном режиме 9м (9) -> 9 Промежуточная секция основной стрелы в башенном режиме 9м (9) -> 9 Промежуточная секция основной стрелы в башенном режиме 9м (9) -> 9 Промежуточная секция основной стрелы в башенном режиме 12м (12) -> 12 Клиновидная секция основной стрелы в башенном режиме (TT) -> 7.6
60.2 м
Основание основной стрелы в башенном режиме (B7) -> 7.6 Промежуточная секция основной стрелы в башенном режиме 6м (6) -> 6 Промежуточная секция основной стрелы в башенном режиме 9м (9) -> 9 Промежуточная секция основной стрелы в башенном режиме 9м (9) -> 9 Промежуточная секция основной стрелы в башенном режиме 9м (9) -> 9 Промежуточная секция основной стрелы в башенном режиме 12м (12) -> 12 Клиновидная секция основной стрелы в башенном режиме (TT) -> 7.6

Размеры секций основной стрелы

Знак
Длинна стрелы
Примечание
Основание основной стрелы в башенном режиме
7.6 м
Основание основной стрелы в башенном режиме
Промежуточная секция основной стрелы в башенном режиме 3м
3 м
Промежуточная секция основной стрелы в башенном режиме 3м
Промежуточная секция основной стрелы в башенном режиме 9м
9 м
Промежуточная секция основной стрелы в башенном режиме 9м
Клиновидная секция основной стрелы в башенном режиме
7.6 м
Клиновидная секция основной стрелы в башенном режиме
Промежуточная секция башенной стрелы 6м
6 м
Промежуточная секция башенной стрелы 6м
Промежуточная секция основной стрелы в башенном режиме 12м
12 м
Промежуточная секция основной стрелы в башенном режиме 12м
Промежуточная секция основной стрелы в башенном режиме 6м
6 м
Промежуточная секция основной стрелы в башенном режиме 6м

Комбинации башенной стрелы

22 м
Основание башенной стрелы (B) -> 8.5 Промежуточная секция башенной стрелы 6м (6) -> 6 Клиновидная секция башенной стрелы (TO) -> 7.5
25 м
Основание башенной стрелы (B) -> 8.5 Промежуточная секция башенной стрелы 3м (3) -> 3 Промежуточная секция башенной стрелы 6м (6) -> 6 Клиновидная секция башенной стрелы (TO) -> 7.5
28 м
Основание башенной стрелы (B) -> 8.5 Промежуточная секция башенной стрелы 3м (3) -> 3 Промежуточная секция башенной стрелы 9м (9) -> 9 Клиновидная секция башенной стрелы (TO) -> 7.5
31 м
Основание башенной стрелы (B) -> 8.5 Промежуточная секция башенной стрелы 6м (6) -> 6 Промежуточная секция башенной стрелы 9м (9) -> 9 Клиновидная секция башенной стрелы (TO) -> 7.5
34 м
Основание башенной стрелы (B) -> 8.5 Промежуточная секция башенной стрелы 9м (9) -> 9 Промежуточная секция башенной стрелы 9м (9) -> 9 Клиновидная секция башенной стрелы (TO) -> 7.5
37 м
Основание башенной стрелы (B) -> 8.5 Промежуточная секция башенной стрелы 3м (3) -> 3 Промежуточная секция башенной стрелы 9м (9) -> 9 Промежуточная секция башенной стрелы 9м (9) -> 9 Клиновидная секция башенной стрелы (TO) -> 7.5
40 м
Основание башенной стрелы (B) -> 8.5 Промежуточная секция башенной стрелы 6м (6) -> 6 Промежуточная секция башенной стрелы 9м (9) -> 9 Промежуточная секция башенной стрелы 9м (9) -> 9 Клиновидная секция башенной стрелы (TO) -> 7.5
43 м
Основание башенной стрелы (B) -> 8.5 Промежуточная секция башенной стрелы 9м (9) -> 9 Промежуточная секция башенной стрелы 9м (9) -> 9 Промежуточная секция башенной стрелы 9м (9) -> 9 Клиновидная секция башенной стрелы (TO) -> 7.5
46 м
Основание башенной стрелы (B) -> 8.5 Промежуточная секция башенной стрелы 3м (3) -> 3 Промежуточная секция башенной стрелы 9м (9) -> 9 Промежуточная секция башенной стрелы 9м (9) -> 9 Промежуточная секция башенной стрелы 9м (9) -> 9 Клиновидная секция башенной стрелы (TO) -> 7.5
49 м
Основание башенной стрелы (B) -> 8.5 Промежуточная секция башенной стрелы 6м (6) -> 6 Промежуточная секция башенной стрелы 9м (9) -> 9 Промежуточная секция башенной стрелы 9м (9) -> 9 Промежуточная секция башенной стрелы 9м (9) -> 9 Клиновидная секция башенной стрелы (TO) -> 7.5
52 м
Основание башенной стрелы (B) -> 8.5 Промежуточная секция башенной стрелы 9м (9) -> 9 Промежуточная секция башенной стрелы 9м (9) -> 9 Промежуточная секция башенной стрелы 9м (9) -> 9 Промежуточная секция башенной стрелы 9м (9) -> 9 Клиновидная секция башенной стрелы (TO) -> 7.5
55 м
Основание башенной стрелы (B) -> 8.5 Промежуточная секция башенной стрелы 3м (3) -> 3 Промежуточная секция башенной стрелы 9м (9) -> 9 Промежуточная секция башенной стрелы 9м (9) -> 9 Промежуточная секция башенной стрелы 9м (9) -> 9 Промежуточная секция башенной стрелы 9м (9) -> 9 Клиновидная секция башенной стрелы (TO) -> 7.5
58 м
Основание башенной стрелы (B) -> 8.5 Промежуточная секция башенной стрелы 6м (6) -> 6 Промежуточная секция башенной стрелы 9м (9) -> 9 Промежуточная секция башенной стрелы 9м (9) -> 9 Промежуточная секция башенной стрелы 9м (9) -> 9 Промежуточная секция башенной стрелы 9м (9) -> 9 Клиновидная секция башенной стрелы (TO) -> 7.5
61 м
Основание башенной стрелы (B) -> 8.5 Промежуточная секция башенной стрелы 3м (3) -> 3 Промежуточная секция башенной стрелы 6м (6) -> 6 Промежуточная секция башенной стрелы 9м (9) -> 9 Промежуточная секция башенной стрелы 9м (9) -> 9 Промежуточная секция башенной стрелы 9м (9) -> 9 Промежуточная секция башенной стрелы 9м (9) -> 9 Клиновидная секция башенной стрелы (TO) -> 7.5

Размеры секций маневренного гуська

Знак
Длинна стрелы
Примечание
Основание башенной стрелы
8.5 м
Основание башенной стрелы
Промежуточная секция башенной стрелы 6м
6 м
Промежуточная секция башенной стрелы 6м
Клиновидная секция башенной стрелы
7.5 м
Клиновидная секция башенной стрелы
Промежуточная секция башенной стрелы 3м
3 м
Промежуточная секция башенной стрелы 3м
Промежуточная секция башенной стрелы 9м
9 м
Промежуточная секция башенной стрелы 9м