В наличии демонстрационные модели кранов грузоподъёмностью от 100 до 750 тонн за 50% от стоимости!!!
Гусеничный кран QUY-150A

Гусеничный кран QUY-150A

Основные характеристики
  • Максимальная грузоподъемность: 150 т
  • Длина основной стрелы: 18 - 81 м
  • Длина жёсткомонтируемого гуська: 13 - 31 м
Основные преимущества
  • ВОЗМОЖНОСТЬ ПЕРЕДВИЖЕНИЯ КРАНА С ГРУЗОМ ПО СТРОИТЕЛЬНОЙ ПЛОЩАДКЕ
  • ТЕМПЕРАТУРНЫЙ РЕЖИМ -40°С
  • ВОЗМОЖНОСТЬ РАБОТЫ КРАНА С ДОПОЛНИТЕЛЬНЫМ ОБОРУДОВАНИЕМ
  • ФУНКЦИЯ FREE FALL (СВОБОДНЫЙ СБРОС ГРУЗА)
  • РУСИФИКАЦИЯ ПРИБОРОВ УПРАВЛЕНИЯ КРАНОМ (УПРАВЛЕНИЕ КРАНОМ НА РУССКОМ ЯЗЫКЕ)
Гусеничный кран QUY-150A

Гусеничный кран QUY-150A

Технические характеристики
Грузовысотные характеристики
Габариты
Транспортировка
Конфигурация

Характеристики

Характеристики
Значение
Ед.изм.
Максимальная грузоподъемность
150
т
Грузовой момент
115 х 7,0 = 805
т·м
Длина основной стрелы
18 - 81
м
Длина жёсткомонтируемого гуська
13 - 31
м
Угол изменения вылета основной стрелы
30 - 80
град
Крюковые обоймы
9/25/50/150
т
Скорость работы основной лебёдки
83
м/мин
Скорость работы вспомогательной лебёдки
83
м/мин
Скорость подъёма/опускания основной стрелы
22x2
м/мин
Скорость поворота
0-2,0
об/мин
Скорость передвижения
0,5-1,0
км/ч
Макс. нагрузка на одну нить каната
10/100
т
Максимальный преодолеваемый подъем
30
%
Масса крана (в базовой комплектации)
150,5
т
Двигатель
Cummins QSL9 209/2000/284
кВт/об/мин/лс

Грузовысотные характеристики

Грузовысотные характеристики

Габариты

Габариты

Транспортировка

Тело крана (без опоры)
Тело крана (без опоры) x1
Длина
7.58 м
Ширина
3.37 м
Высота
3.12 м
Вес
32000 кг
Тело крана (с опорой)
Тело крана (с опорой) x1
Длина
9.11 м
Ширина
3.37 м
Высота
3.37 м
Вес
43000 кг
Балка шасси
Балка шасси x2
Длина
6.00 м
Ширина
1.18 м
Высота
1.55 м
Вес
5034 кг
Гусеницы (в сборе)
Гусеницы (в сборе) x2
Длина
8.01 м
Ширина
2.30 м
Высота
1.23 м
Вес
20800 кг
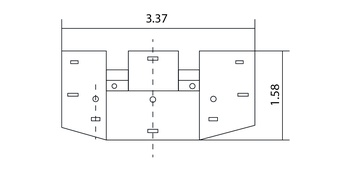
Контргруз A
Контргруз A x1
Длина
3.37 м
Ширина
1.58 м
Высота
0.78 м
Вес
13638 кг
Контргруз B
Контргруз B x2
Длина
1.58 м
Ширина
1.00 м
Высота
0.63 м
Вес
5792 кг
Контргруз C
Контргруз C x2
Длина
1.58 м
Ширина
0.86 м
Высота
0.65 м
Вес
4500 кг
Контргруз D
Контргруз D x1
Длина
1.58 м
Ширина
0.86 м
Высота
0.65 м
Вес
4500 кг
Контргруз E
Контргруз E x2
Длина
1.58 м
Ширина
1.03 м
Высота
0.65 м
Вес
5300 кг
Контргруз F
Контргруз F x1
Длина
1.58 м
Ширина
1.03 м
Высота
0.65 м
Вес
5300 кг
Основание
Основание x1
Длина
7.70 м
Ширина
2.30 м
Высота
2.10 м
Вес
2500 кг
Клиновидная секция
Клиновидная секция x1
Длина
11.00 м
Ширина
2.30 м
Высота
2.10 м
Вес
3200 кг
Тензометр
Тензометр x1
Длина
1.70 м
Ширина
0.30 м
Высота
0.56 м
Вес
360 кг
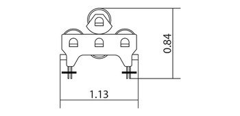
Блоки
Блоки x1
Длина
1.13 м
Ширина
0.30 м
Высота
0.84 м
Вес
300 кг
Промежуточная секция 3 м
Промежуточная секция 3 м x1
Длина
3.15 м
Ширина
2.30 м
Высота
2.10 м
Вес
620 кг
Промежуточная секция 6 м
Промежуточная секция 6 м x3
Длина
6.15 м
Ширина
2.30 м
Высота
2.10 м
Вес
960 кг
Промежуточная секция 9 м (A)
Промежуточная секция 9 м (A) x1
Длина
9.15 м
Ширина
2.30 м
Высота
2.10 м
Вес
1320 кг
Промежуточная секция 9 м (B)
Промежуточная секция 9 м (B) x1
Длина
9.15 м
Ширина
2.30 м
Высота
2.10 м
Вес
1380 кг
Промежуточная секция 12 м
Промежуточная секция 12 м x2
Длина
12.15 м
Ширина
2.30 м
Высота
2.10 м
Вес
1660 кг
Распорка
Распорка x1
Длина
9.60 м
Ширина
1.25 м
Высота
0.80 м
Вес
1600 кг
Основание гуська
Основание гуська x1
Длина
5.55 м
Ширина
1.05 м
Высота
0.90 м
Вес
300 кг
Клиновидная секция гуська
Клиновидная секция гуська x1
Длина
5.40 м
Ширина
1.05 м
Высота
1.15 м
Вес
320 кг
Промежуточная секция 3 м
Промежуточная секция 3 м x1
Длина
3.10 м
Ширина
0.90 м
Высота
0.90 м
Вес
110 кг
Промежуточная секция 6 м
Промежуточная секция 6 м x3
Длина
6.10 м
Ширина
0.90 м
Высота
0.90 м
Вес
250 кг
Распорка гуська
Распорка гуська x1
Длина
5.50 м
Ширина
0.60 м
Высота
1.20 м
Вес
670 кг
Крюк 150 т
Крюк 150 т x1
Длина
2.21 м
Ширина
0.98 м
Высота
1.01 м
Вес
3400 кг
Крюк 50 т
Крюк 50 т x1
Длина
1.76 м
Ширина
0.75 м
Высота
0.41 м
Вес
750 кг
Крюк 25 т
Крюк 25 т x1
Длина
1.76 м
Ширина
0.75 м
Высота
0.43 м
Вес
760 кг
Крюк 9 т
Крюк 9 т x1
Длина
0.95 м
Ширина
0.36 м
Высота
0.36 м
Вес
250 кг
Конфигурация-1 (QUY-150A)
Конфигурация-2 (QUY-150A)
Конфигурация-3 (QUY-150A)
ТЕХНИЧЕСКИЕ ХАРАКТЕРИСТИКИ КРАНА (МАКСИМАЛЬНАЯ ДЛИНА СТРЕЛЫ)

ТЕХНИЧЕСКИЕ ХАРАКТЕРИСТИКИ КРАНА (МАКСИМАЛЬНАЯ ДЛИНА СТРЕЛЫ)

Комбинации основной стрелы

18 м
Основание основной стрелы (B) -> 7.5 Клиновидная секция основной стрелы (BT) -> 10.5
21 м
Основание основной стрелы (B) -> 7.5 Промежуточная секция основной стрелы (3) -> 3 Клиновидная секция основной стрелы (BT) -> 10.5
24 м
Основание основной стрелы (B) -> 7.5 Промежуточная секция основной стрелы (6) -> 6 Клиновидная секция основной стрелы (BT) -> 10.5
27 м
Основание основной стрелы (B) -> 7.5 Промежуточная секция основной стрелы (3) -> 3 Промежуточная секция основной стрелы (6) -> 6 Клиновидная секция основной стрелы (BT) -> 10.5
30 м
Основание основной стрелы (B) -> 7.5 Промежуточная секция основной стрелы (3) -> 3 Промежуточная секция основной стрелы (9A) -> 9 Клиновидная секция основной стрелы (BT) -> 10.5
33 м
Основание основной стрелы (B) -> 7.5 Промежуточная секция основной стрелы (3) -> 3 Промежуточная секция основной стрелы (6) -> 6 Промежуточная секция основной стрелы (6) -> 6 Клиновидная секция основной стрелы (BT) -> 10.5
36 м
Основание основной стрелы (B) -> 7.5 Промежуточная секция основной стрелы (3) -> 3 Промежуточная секция основной стрелы (6) -> 6 Промежуточная секция основной стрелы (9A) -> 9 Клиновидная секция основной стрелы (BT) -> 10.5
39 м
Основание основной стрелы (B) -> 7.5 Промежуточная секция основной стрелы (3) -> 3 Промежуточная секция основной стрелы (6) -> 6 Промежуточная секция основной стрелы (12) -> 12 Клиновидная секция основной стрелы (BT) -> 10.5
42 м
Основание основной стрелы (B) -> 7.5 Промежуточная секция основной стрелы (3) -> 3 Промежуточная секция основной стрелы (6) -> 6 Промежуточная секция основной стрелы (6) -> 6 Промежуточная секция основной стрелы (9A) -> 9 Клиновидная секция основной стрелы (BT) -> 10.5
45 м
Основание основной стрелы (B) -> 7.5 Промежуточная секция основной стрелы (3) -> 3 Промежуточная секция основной стрелы (6) -> 6 Промежуточная секция основной стрелы (9A) -> 9 Промежуточная секция основной стрелы (9B) -> 9 Клиновидная секция основной стрелы (BT) -> 10.5
48 м
Основание основной стрелы (B) -> 7.5 Промежуточная секция основной стрелы (3) -> 3 Промежуточная секция основной стрелы (6) -> 6 Промежуточная секция основной стрелы (9A) -> 9 Промежуточная секция основной стрелы (12) -> 12 Клиновидная секция основной стрелы (BT) -> 10.5
51 м
Основание основной стрелы (B) -> 7.5 Промежуточная секция основной стрелы (3) -> 3 Промежуточная секция основной стрелы (6) -> 6 Промежуточная секция основной стрелы (12) -> 12 Промежуточная секция основной стрелы (12) -> 12 Клиновидная секция основной стрелы (BT) -> 10.5
54 м
Основание основной стрелы (B) -> 7.5 Промежуточная секция основной стрелы (3) -> 3 Промежуточная секция основной стрелы (6) -> 6 Промежуточная секция основной стрелы (6) -> 6 Промежуточная секция основной стрелы (9A) -> 9 Промежуточная секция основной стрелы (12) -> 12 Клиновидная секция основной стрелы (BT) -> 10.5
57 м
Основание основной стрелы (B) -> 7.5 Промежуточная секция основной стрелы (3) -> 3 Промежуточная секция основной стрелы (6) -> 6 Промежуточная секция основной стрелы (9A) -> 9 Промежуточная секция основной стрелы (9B) -> 9 Промежуточная секция основной стрелы (12) -> 12 Клиновидная секция основной стрелы (BT) -> 10.5
60 м
Основание основной стрелы (B) -> 7.5 Промежуточная секция основной стрелы (3) -> 3 Промежуточная секция основной стрелы (6) -> 6 Промежуточная секция основной стрелы (9A) -> 9 Промежуточная секция основной стрелы (12) -> 12 Промежуточная секция основной стрелы (12) -> 12 Клиновидная секция основной стрелы (BT) -> 10.5
63 м
Основание основной стрелы (B) -> 7.5 Промежуточная секция основной стрелы (3) -> 3 Промежуточная секция основной стрелы (9A) -> 9 Промежуточная секция основной стрелы (9B) -> 9 Промежуточная секция основной стрелы (12) -> 12 Промежуточная секция основной стрелы (12) -> 12 Клиновидная секция основной стрелы (BT) -> 10.5
66 м
Основание основной стрелы (B) -> 7.5 Промежуточная секция основной стрелы (3) -> 3 Промежуточная секция основной стрелы (6) -> 6 Промежуточная секция основной стрелы (6) -> 6 Промежуточная секция основной стрелы (9A) -> 9 Промежуточная секция основной стрелы (12) -> 12 Промежуточная секция основной стрелы (12) -> 12 Клиновидная секция основной стрелы (BT) -> 10.5
69 м
Основание основной стрелы (B) -> 7.5 Промежуточная секция основной стрелы (3) -> 3 Промежуточная секция основной стрелы (6) -> 6 Промежуточная секция основной стрелы (9A) -> 9 Промежуточная секция основной стрелы (9B) -> 9 Промежуточная секция основной стрелы (12) -> 12 Промежуточная секция основной стрелы (12) -> 12 Клиновидная секция основной стрелы (BT) -> 10.5
75 м
Основание основной стрелы (B) -> 7.5 Промежуточная секция основной стрелы (3) -> 3 Промежуточная секция основной стрелы (6) -> 6 Промежуточная секция основной стрелы (9A) -> 9 Промежуточная секция основной стрелы (9B) -> 9 Промежуточная секция основной стрелы (6) -> 6 Промежуточная секция основной стрелы (12) -> 12 Промежуточная секция основной стрелы (12) -> 12 Клиновидная секция основной стрелы (BT) -> 10.5
81 м
Основание основной стрелы (B) -> 7.5 Промежуточная секция основной стрелы (3) -> 3 Промежуточная секция основной стрелы (6) -> 6 Промежуточная секция основной стрелы (9A) -> 9 Промежуточная секция основной стрелы (9B) -> 9 Промежуточная секция основной стрелы (6) -> 6 Промежуточная секция основной стрелы (6) -> 6 Промежуточная секция основной стрелы (12) -> 12 Промежуточная секция основной стрелы (12) -> 12 Клиновидная секция основной стрелы (BT) -> 10.5

Размеры секций основной стрелы

Знак
Длина стрелы
Примечание
Основание основной стрелы
7.5 м
Основание основной стрелы
Клиновидная секция основной стрелы
10.5 м
Клиновидная секция основной стрелы
Промежуточная секция основной стрелы
3 м
Промежуточная секция основной стрелы
Промежуточная секция основной стрелы
6 м
Промежуточная секция основной стрелы
Промежуточная секция основной стрелы
9 м
Промежуточная секция основной стрелы
Промежуточная секция основной стрелы
12 м
Промежуточная секция основной стрелы
Промежуточная секция основной стрелы
9 м
Промежуточная секция основной стрелы
ТЕХНИЧЕСКИЕ ХАРАКТЕРИСТИКИ КРАНА (МАКСИМАЛЬНАЯ ДЛИНА СТРЕЛЫ С РАННЕРОМ)

ТЕХНИЧЕСКИЕ ХАРАКТЕРИСТИКИ КРАНА (МАКСИМАЛЬНАЯ ДЛИНА СТРЕЛЫ С РАННЕРОМ)

Комбинации основной стрелы

18 м
Основание основной стрелы (B) -> 7.5 Клиновидная секция основной стрелы (BT) -> 10.5
21 м
Основание основной стрелы (B) -> 7.5 Промежуточная секция основной стрелы (3) -> 3 Клиновидная секция основной стрелы (BT) -> 10.5
24 м
Основание основной стрелы (B) -> 7.5 Промежуточная секция основной стрелы (6) -> 6 Клиновидная секция основной стрелы (BT) -> 10.5
27 м
Основание основной стрелы (B) -> 7.5 Промежуточная секция основной стрелы (3) -> 3 Промежуточная секция основной стрелы (6) -> 6 Клиновидная секция основной стрелы (BT) -> 10.5
30 м
Основание основной стрелы (B) -> 7.5 Промежуточная секция основной стрелы (3) -> 3 Промежуточная секция основной стрелы (9A) -> 9 Клиновидная секция основной стрелы (BT) -> 10.5
33 м
Основание основной стрелы (B) -> 7.5 Промежуточная секция основной стрелы (3) -> 3 Промежуточная секция основной стрелы (6) -> 6 Промежуточная секция основной стрелы (6) -> 6 Клиновидная секция основной стрелы (BT) -> 10.5
36 м
Основание основной стрелы (B) -> 7.5 Промежуточная секция основной стрелы (3) -> 3 Промежуточная секция основной стрелы (6) -> 6 Промежуточная секция основной стрелы (9A) -> 9 Клиновидная секция основной стрелы (BT) -> 10.5
39 м
Основание основной стрелы (B) -> 7.5 Промежуточная секция основной стрелы (3) -> 3 Промежуточная секция основной стрелы (6) -> 6 Промежуточная секция основной стрелы (12) -> 12 Клиновидная секция основной стрелы (BT) -> 10.5
42 м
Основание основной стрелы (B) -> 7.5 Промежуточная секция основной стрелы (3) -> 3 Промежуточная секция основной стрелы (6) -> 6 Промежуточная секция основной стрелы (6) -> 6 Промежуточная секция основной стрелы (9A) -> 9 Клиновидная секция основной стрелы (BT) -> 10.5
45 м
Основание основной стрелы (B) -> 7.5 Промежуточная секция основной стрелы (3) -> 3 Промежуточная секция основной стрелы (6) -> 6 Промежуточная секция основной стрелы (9A) -> 9 Промежуточная секция основной стрелы (9B) -> 9 Клиновидная секция основной стрелы (BT) -> 10.5
48 м
Основание основной стрелы (B) -> 7.5 Промежуточная секция основной стрелы (3) -> 3 Промежуточная секция основной стрелы (6) -> 6 Промежуточная секция основной стрелы (9A) -> 9 Промежуточная секция основной стрелы (12) -> 12 Клиновидная секция основной стрелы (BT) -> 10.5
51 м
Основание основной стрелы (B) -> 7.5 Промежуточная секция основной стрелы (3) -> 3 Промежуточная секция основной стрелы (6) -> 6 Промежуточная секция основной стрелы (12) -> 12 Промежуточная секция основной стрелы (12) -> 12 Клиновидная секция основной стрелы (BT) -> 10.5
54 м
Основание основной стрелы (B) -> 7.5 Промежуточная секция основной стрелы (3) -> 3 Промежуточная секция основной стрелы (6) -> 6 Промежуточная секция основной стрелы (6) -> 6 Промежуточная секция основной стрелы (9A) -> 9 Промежуточная секция основной стрелы (12) -> 12 Клиновидная секция основной стрелы (BT) -> 10.5
57 м
Основание основной стрелы (B) -> 7.5 Промежуточная секция основной стрелы (3) -> 3 Промежуточная секция основной стрелы (6) -> 6 Промежуточная секция основной стрелы (9A) -> 9 Промежуточная секция основной стрелы (9B) -> 9 Промежуточная секция основной стрелы (12) -> 12 Клиновидная секция основной стрелы (BT) -> 10.5
60 м
Основание основной стрелы (B) -> 7.5 Промежуточная секция основной стрелы (3) -> 3 Промежуточная секция основной стрелы (6) -> 6 Промежуточная секция основной стрелы (9A) -> 9 Промежуточная секция основной стрелы (12) -> 12 Промежуточная секция основной стрелы (12) -> 12 Клиновидная секция основной стрелы (BT) -> 10.5
63 м
Основание основной стрелы (B) -> 7.5 Промежуточная секция основной стрелы (3) -> 3 Промежуточная секция основной стрелы (9A) -> 9 Промежуточная секция основной стрелы (9B) -> 9 Промежуточная секция основной стрелы (12) -> 12 Промежуточная секция основной стрелы (12) -> 12 Клиновидная секция основной стрелы (BT) -> 10.5
66 м
Основание основной стрелы (B) -> 7.5 Промежуточная секция основной стрелы (3) -> 3 Промежуточная секция основной стрелы (6) -> 6 Промежуточная секция основной стрелы (6) -> 6 Промежуточная секция основной стрелы (9A) -> 9 Промежуточная секция основной стрелы (12) -> 12 Промежуточная секция основной стрелы (12) -> 12 Клиновидная секция основной стрелы (BT) -> 10.5
69 м
Основание основной стрелы (B) -> 7.5 Промежуточная секция основной стрелы (3) -> 3 Промежуточная секция основной стрелы (6) -> 6 Промежуточная секция основной стрелы (9A) -> 9 Промежуточная секция основной стрелы (9B) -> 9 Промежуточная секция основной стрелы (12) -> 12 Промежуточная секция основной стрелы (12) -> 12 Клиновидная секция основной стрелы (BT) -> 10.5
75 м
Основание основной стрелы (B) -> 7.5 Промежуточная секция основной стрелы (3) -> 3 Промежуточная секция основной стрелы (6) -> 6 Промежуточная секция основной стрелы (9A) -> 9 Промежуточная секция основной стрелы (9B) -> 9 Промежуточная секция основной стрелы (6) -> 6 Промежуточная секция основной стрелы (12) -> 12 Промежуточная секция основной стрелы (12) -> 12 Клиновидная секция основной стрелы (BT) -> 10.5

Размеры секций основной стрелы

Знак
Длина стрелы
Примечание
Основание основной стрелы
7.5 м
Основание основной стрелы
Клиновидная секция основной стрелы
10.5 м
Клиновидная секция основной стрелы
Промежуточная секция основной стрелы
3 м
Промежуточная секция основной стрелы
Промежуточная секция основной стрелы
6 м
Промежуточная секция основной стрелы
Промежуточная секция основной стрелы
9 м
Промежуточная секция основной стрелы
Промежуточная секция основной стрелы
12 м
Промежуточная секция основной стрелы
Промежуточная секция основной стрелы
9 м
Промежуточная секция основной стрелы
ТЕХНИЧЕСКИЕ ХАРАКТЕРИСТИКИ КРАНА (СТРЕЛА МАКСИМАЛЬНОЙ ДЛИНЫ С ГУСЬКОМ)

ТЕХНИЧЕСКИЕ ХАРАКТЕРИСТИКИ КРАНА (СТРЕЛА МАКСИМАЛЬНОЙ ДЛИНЫ С ГУСЬКОМ)

Комбинации основной стрелы

27 м
Основание основной стрелы (B) -> 7.5 Промежуточная секция основной стрелы (3) -> 3 Промежуточная секция основной стрелы (6) -> 6 Клиновидная секция основной стрелы (BT) -> 10.5
75 м
Основание основной стрелы (B) -> 7.5 Промежуточная секция основной стрелы (3) -> 3 Промежуточная секция основной стрелы (6) -> 6 Промежуточная секция основной стрелы (9A) -> 9 Промежуточная секция основной стрелы (9B) -> 9 Промежуточная секция основной стрелы (6) -> 6 Промежуточная секция основной стрелы (12) -> 12 Промежуточная секция основной стрелы (12) -> 12 Клиновидная секция основной стрелы (BT) -> 10.5

Размеры секций основной стрелы

Знак
Длина стрелы
Примечание
Основание основной стрелы
7.5 м
Основание основной стрелы
Промежуточная секция основной стрелы
3 м
Промежуточная секция основной стрелы
Промежуточная секция основной стрелы
6 м
Промежуточная секция основной стрелы
Клиновидная секция основной стрелы
10.5 м
Клиновидная секция основной стрелы
Промежуточная секция основной стрелы
9 м
Промежуточная секция основной стрелы
Промежуточная секция основной стрелы
9 м
Промежуточная секция основной стрелы
Промежуточная секция основной стрелы
12 м
Промежуточная секция основной стрелы

Комбинации гуська

13 м
Основание основной стрелы (B) -> 5 Промежуточная секция основной стрелы (3) -> 3 Клиновидная секция основной стрелы (BT) -> 5
19 м
Основание основной стрелы (B) -> 5 Промежуточная секция основной стрелы (3) -> 3 Промежуточная секция основной стрелы (6) -> 6 Клиновидная секция основной стрелы (BT) -> 5
25 м
Основание основной стрелы (B) -> 5 Промежуточная секция основной стрелы (3) -> 3 Промежуточная секция основной стрелы (6) -> 6 Промежуточная секция основной стрелы (6) -> 6 Клиновидная секция основной стрелы (BT) -> 5
31 м
Основание основной стрелы (B) -> 5 Промежуточная секция основной стрелы (3) -> 3 Промежуточная секция основной стрелы (6) -> 6 Промежуточная секция основной стрелы (6) -> 6 Промежуточная секция основной стрелы (6) -> 6 Клиновидная секция основной стрелы (BT) -> 5

Размеры секций гуська

Знак
Длинна стрелы
Примечание
Основание основной стрелы
5 м
Основание основной стрелы
Промежуточная секция основной стрелы
3 м
Промежуточная секция основной стрелы
Клиновидная секция основной стрелы
5 м
Клиновидная секция основной стрелы
Промежуточная секция основной стрелы
6 м
Промежуточная секция основной стрелы