В наличии демонстрационные модели кранов грузоподъёмностью от 100 до 750 тонн за 50% от стоимости!!!
Гусеничный кран FWX-75

Гусеничный кран FWX-75

Основные характеристики
  • Максимальная грузоподъемность: 75 т
  • Длина основной стрелы: 13-58 м
  • Длина жёсткомонтируемого гуська: 9-18 м
Основные преимущества
  • ВОЗМОЖНОСТЬ ПЕРЕДВИЖЕНИЯ КРАНА С ГРУЗОМ ПО СТРОИТЕЛЬНОЙ ПЛОЩАДКЕ
  • ТЕМПЕРАТУРНЫЙ РЕЖИМ -40°С
  • ВОЗМОЖНОСТЬ РАБОТЫ КРАНА С ДОПОЛНИТЕЛЬНЫМ ОБОРУДОВАНИЕМ
  • ФУНКЦИЯ FREE FALL (СВОБОДНЫЙ СБРОС ГРУЗА)
  • РУСИФИКАЦИЯ ПРИБОРОВ УПРАВЛЕНИЯ КРАНОМ (УПРАВЛЕНИЕ КРАНОМ НА РУССКОМ ЯЗЫКЕ)
Гусеничный кран FWX-75

Гусеничный кран FWX-75

Технические характеристики
Грузовысотные характеристики
Габариты
Транспортировка
Конфигурация

Характеристики

Характеристики
Значение
Ед.изм.
Максимальная грузоподъемность
75
т
Грузовой момент
71 х 4 = 284
т·м
Длина основной стрелы
13-58
м
Длина жёсткомонтируемого гуська
9-18
м
Основная стрела + жёсткомонтируемый гусёк
46 + 18=64
м
Угол изменения вылета основной стрелы
30 - 80
град
Крюковые обоймы
9/25/50/75
т
Скорость работы основной лебёдки
Высокая скорость 110 Низкая скорость 55
м/мин
Скорость работы вспомогательной лебёдки
Высокая скорость 110 Низкая скорость 55
м/мин
Скорость подъёма/опускания основной стрелы
60
м/мин
Скорость поворота
3,1
об/мин
Скорость передвижения
1,35
км/ч
Макс. нагрузка на одну нить каната
7,5
т
Максимальный преодолеваемый подъем
30
%
Масса крана (в базовой комплектации)
70
т
Давление на грунт
0,70
кгс/см2
Масса противовеса
24
т
Радиус разворота
6360
мм
Двигатель
Weichai WP10.240 175/2000/237,9
кВт/об/мин/лс
Собственная масса
44,5
т

Грузовысотные характеристики

Грузовысотные характеристики

Габариты

Габариты

Транспортировка

Кран гусеничный (без противовесов с корневой сек. стрелы)
Кран гусеничный (без противовесов с корневой сек. стрелы) x1
Длина
11.91 м
Ширина
3.30 м
Высота
3.35 м
Вес
44500 кг
Кран гусеничный (без противовесов)
Кран гусеничный (без противовесов) x1
Длина
7.77 м
Ширина
3.30 м
Высота
3.35 м
Вес
43000 кг
Крановая установка (с рамой)
Крановая установка (с рамой) x1
Длина
7.42 м
Ширина
3.30 м
Высота
2.94 м
Вес
26380 кг
Гусеницы (в сборе)
Гусеницы (в сборе) x2
Длина
5.95 м
Ширина
1.10 м
Высота
1.05 м
Вес
8560 кг
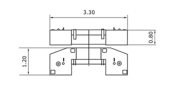
Противовес I
Противовес I x1
Длина
3.30 м
Ширина
1.20 м
Высота
0.80 м
Вес
8550 кг
Противовес II
Противовес II x1
Длина
3.30 м
Ширина
1.20 м
Высота
0.80 м
Вес
9000 кг
Противовес III
Противовес III x1
Длина
0.92 м
Ширина
1.20 м
Высота
0.75 м
Вес
2680 кг
Противовес IV
Противовес IV x1
Длина
0.92 м
Ширина
1.20 м
Высота
0.75 м
Вес
2680 кг
Противовес V
Противовес V x1
Длина
0.92 м
Ширина
1.20 м
Высота
0.75 м
Вес
2000 кг
Корневая секция стрелы
Корневая секция стрелы x1
Длина
6.18 м
Ширина
1.51 м
Высота
1.79 м
Вес
1000 кг
Секция стрелы 3 м
Секция стрелы 3 м x1
Длина
3.12 м
Ширина
1.51 м
Высота
1.55 м
Вес
340 кг
Секция стрелы 6 м
Секция стрелы 6 м x1
Длина
6.12 м
Ширина
1.51 м
Высота
1.55 м
Вес
570 кг
Секция стрелы 9 м
Секция стрелы 9 м x4
Длина
9.12 м
Ширина
1.51 м
Высота
1.55 м
Вес
800 кг
Оголовок стрелы
Оголовок стрелы x1
Длина
6.51 м
Ширина
1.51 м
Высота
1.67 м
Вес
1300 кг
Корневая секция фикс.гуська
Корневая секция фикс.гуська x1
Длина
4.66 м
Ширина
1.51 м
Высота
1.57 м
Вес
201 кг
Секция фикс.гуська 4.5 м
Секция фикс.гуська 4.5 м x2
Длина
4.58 м
Ширина
0.61 м
Высота
0.59 м
Вес
133 кг
Оголовок фикс.гуська
Оголовок фикс.гуська x1
Длина
4.93 м
Ширина
0.64 м
Высота
1.09 м
Вес
211 кг
Распорка
Распорка x1
Длина
4.43 м
Ширина
0.87 м
Высота
0.57 м
Вес
285 кг
Раннер (доп.шкив)
Раннер (доп.шкив) x1
Длина
1.33 м
Ширина
0.86 м
Высота
0.62 м
Вес
150 кг
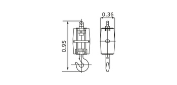
Крюк 75 т
Крюк 75 т x1
Длина
1.95 м
Ширина
0.68 м
Высота
0.54 м
Вес
1060 кг
Крюк 50 т
Крюк 50 т x1
Длина
1.78 м
Ширина
0.68 м
Высота
0.41 м
Вес
690 кг
Крюк 25 т
Крюк 25 т x1
Длина
1.65 м
Ширина
0.68 м
Высота
0.37 м
Вес
435 кг
Крюк 9 т
Крюк 9 т x1
Длина
0.95 м
Ширина
0.36 м
Высота
0.36 м
Вес
250 кг
Конфигурация-1 (FWX-75)
Конфигурация-2 (FWX-75)
Конфигурация-3 (FWX-75)
ТЕХНИЧЕСКИЕ ХАРАКТЕРИСТИКИ КРАНА (МАКСИМАЛЬНАЯ ДЛИНА СТРЕЛЫ)

ТЕХНИЧЕСКИЕ ХАРАКТЕРИСТИКИ КРАНА (МАКСИМАЛЬНАЯ ДЛИНА СТРЕЛЫ)

Комбинации основной стрелы

12 м
Основание основной стрелы (B) -> 6 Клиновидная секция основной стрелы (BT) -> 6
15 м
Основание основной стрелы (B) -> 6 Промежуточная секция основной стрелы (3) -> 3 Клиновидная секция основной стрелы (BT) -> 6
18 м
Основание основной стрелы (B) -> 6 Промежуточная секция основной стрелы (6) -> 6 Клиновидная секция основной стрелы (BT) -> 6
21 м
Основание основной стрелы (B) -> 6 Промежуточная секция основной стрелы (9) -> 9 Клиновидная секция основной стрелы (BT) -> 6
24 м
Основание основной стрелы (B) -> 6 Промежуточная секция основной стрелы (3) -> 3 Промежуточная секция основной стрелы (9) -> 9 Клиновидная секция основной стрелы (BT) -> 6
27 м
Основание основной стрелы (B) -> 6 Промежуточная секция основной стрелы (6) -> 6 Промежуточная секция основной стрелы (9) -> 9 Клиновидная секция основной стрелы (BT) -> 6
30 м
Основание основной стрелы (B) -> 6 Промежуточная секция основной стрелы (3) -> 3 Промежуточная секция основной стрелы (6) -> 6 Промежуточная секция основной стрелы (9) -> 9 Клиновидная секция основной стрелы (BT) -> 6
33 м
Основание основной стрелы (B) -> 6 Промежуточная секция основной стрелы (3) -> 3 Промежуточная секция основной стрелы (9) -> 9 Промежуточная секция основной стрелы (9) -> 9 Клиновидная секция основной стрелы (BT) -> 6
36 м
Основание основной стрелы (B) -> 6 Промежуточная секция основной стрелы (6) -> 6 Промежуточная секция основной стрелы (9) -> 9 Промежуточная секция основной стрелы (9) -> 9 Клиновидная секция основной стрелы (BT) -> 6
39 м
Основание основной стрелы (B) -> 6 Промежуточная секция основной стрелы (3) -> 3 Промежуточная секция основной стрелы (6) -> 6 Промежуточная секция основной стрелы (9) -> 9 Промежуточная секция основной стрелы (9) -> 9 Клиновидная секция основной стрелы (BT) -> 6
42 м
Основание основной стрелы (B) -> 6 Промежуточная секция основной стрелы (3) -> 3 Промежуточная секция основной стрелы (9) -> 9 Промежуточная секция основной стрелы (9) -> 9 Промежуточная секция основной стрелы (9) -> 9 Клиновидная секция основной стрелы (BT) -> 6
45 м
Основание основной стрелы (B) -> 6 Промежуточная секция основной стрелы (6) -> 6 Промежуточная секция основной стрелы (9) -> 9 Промежуточная секция основной стрелы (9) -> 9 Промежуточная секция основной стрелы (9) -> 9 Клиновидная секция основной стрелы (BT) -> 6
48 м
Основание основной стрелы (B) -> 6 Промежуточная секция основной стрелы (3) -> 3 Промежуточная секция основной стрелы (6) -> 6 Промежуточная секция основной стрелы (9) -> 9 Промежуточная секция основной стрелы (9) -> 9 Промежуточная секция основной стрелы (9) -> 9 Клиновидная секция основной стрелы (BT) -> 6
51 м
Основание основной стрелы (B) -> 6 Промежуточная секция основной стрелы (3) -> 3 Промежуточная секция основной стрелы (9) -> 9 Промежуточная секция основной стрелы (9) -> 9 Промежуточная секция основной стрелы (9) -> 9 Промежуточная секция основной стрелы (9) -> 9 Клиновидная секция основной стрелы (BT) -> 6
54 м
Основание основной стрелы (B) -> 6 Промежуточная секция основной стрелы (6) -> 6 Промежуточная секция основной стрелы (9) -> 9 Промежуточная секция основной стрелы (9) -> 9 Промежуточная секция основной стрелы (9) -> 9 Промежуточная секция основной стрелы (9) -> 9 Клиновидная секция основной стрелы (BT) -> 6
57 м
Основание основной стрелы (B) -> 6 Промежуточная секция основной стрелы (3) -> 3 Промежуточная секция основной стрелы (6) -> 6 Промежуточная секция основной стрелы (9) -> 9 Промежуточная секция основной стрелы (9) -> 9 Промежуточная секция основной стрелы (9) -> 9 Промежуточная секция основной стрелы (9) -> 9 Клиновидная секция основной стрелы (BT) -> 6

Размеры секций основной стрелы

Знак
Длина стрелы
Примечание
Основание основной стрелы
6 м
Основание основной стрелы
Клиновидная секция основной стрелы
6 м
Клиновидная секция основной стрелы
Промежуточная секция основной стрелы
3 м
Промежуточная секция основной стрелы
Промежуточная секция основной стрелы
6 м
Промежуточная секция основной стрелы
Промежуточная секция основной стрелы
9 м
Промежуточная секция основной стрелы
ТЕХНИЧЕСКИЕ ХАРАКТЕРИСТИКИ КРАНА (МАКСИМАЛЬНАЯ ДЛИНА СТРЕЛЫ С РАННЕРОМ)

ТЕХНИЧЕСКИЕ ХАРАКТЕРИСТИКИ КРАНА (МАКСИМАЛЬНАЯ ДЛИНА СТРЕЛЫ С РАННЕРОМ)

Комбинации основной стрелы

12 м
Основание основной стрелы (B) -> 6 Клиновидная секция основной стрелы (BT) -> 6
15 м
Основание основной стрелы (B) -> 6 Промежуточная секция основной стрелы (3) -> 3 Клиновидная секция основной стрелы (BT) -> 6
18 м
Основание основной стрелы (B) -> 6 Промежуточная секция основной стрелы (6) -> 6 Клиновидная секция основной стрелы (BT) -> 6
21 м
Основание основной стрелы (B) -> 6 Промежуточная секция основной стрелы (9) -> 9 Клиновидная секция основной стрелы (BT) -> 6
24 м
Основание основной стрелы (B) -> 6 Промежуточная секция основной стрелы (3) -> 3 Промежуточная секция основной стрелы (9) -> 9 Клиновидная секция основной стрелы (BT) -> 6
27 м
Основание основной стрелы (B) -> 6 Промежуточная секция основной стрелы (6) -> 6 Промежуточная секция основной стрелы (9) -> 9 Клиновидная секция основной стрелы (BT) -> 6
30 м
Основание основной стрелы (B) -> 6 Промежуточная секция основной стрелы (3) -> 3 Промежуточная секция основной стрелы (6) -> 6 Промежуточная секция основной стрелы (9) -> 9 Клиновидная секция основной стрелы (BT) -> 6
33 м
Основание основной стрелы (B) -> 6 Промежуточная секция основной стрелы (3) -> 3 Промежуточная секция основной стрелы (9) -> 9 Промежуточная секция основной стрелы (9) -> 9 Клиновидная секция основной стрелы (BT) -> 6
36 м
Основание основной стрелы (B) -> 6 Промежуточная секция основной стрелы (6) -> 6 Промежуточная секция основной стрелы (9) -> 9 Промежуточная секция основной стрелы (9) -> 9 Клиновидная секция основной стрелы (BT) -> 6
39 м
Основание основной стрелы (B) -> 6 Промежуточная секция основной стрелы (3) -> 3 Промежуточная секция основной стрелы (6) -> 6 Промежуточная секция основной стрелы (9) -> 9 Промежуточная секция основной стрелы (9) -> 9 Клиновидная секция основной стрелы (BT) -> 6
42 м
Основание основной стрелы (B) -> 6 Промежуточная секция основной стрелы (3) -> 3 Промежуточная секция основной стрелы (9) -> 9 Промежуточная секция основной стрелы (9) -> 9 Промежуточная секция основной стрелы (9) -> 9 Клиновидная секция основной стрелы (BT) -> 6
45 м
Основание основной стрелы (B) -> 6 Промежуточная секция основной стрелы (6) -> 6 Промежуточная секция основной стрелы (9) -> 9 Промежуточная секция основной стрелы (9) -> 9 Промежуточная секция основной стрелы (9) -> 9 Клиновидная секция основной стрелы (BT) -> 6
48 м
Основание основной стрелы (B) -> 6 Промежуточная секция основной стрелы (3) -> 3 Промежуточная секция основной стрелы (6) -> 6 Промежуточная секция основной стрелы (9) -> 9 Промежуточная секция основной стрелы (9) -> 9 Промежуточная секция основной стрелы (9) -> 9 Клиновидная секция основной стрелы (BT) -> 6
51 м
Основание основной стрелы (B) -> 6 Промежуточная секция основной стрелы (3) -> 3 Промежуточная секция основной стрелы (9) -> 9 Промежуточная секция основной стрелы (9) -> 9 Промежуточная секция основной стрелы (9) -> 9 Промежуточная секция основной стрелы (9) -> 9 Клиновидная секция основной стрелы (BT) -> 6
54 м
Основание основной стрелы (B) -> 6 Промежуточная секция основной стрелы (6) -> 6 Промежуточная секция основной стрелы (9) -> 9 Промежуточная секция основной стрелы (9) -> 9 Промежуточная секция основной стрелы (9) -> 9 Промежуточная секция основной стрелы (9) -> 9 Клиновидная секция основной стрелы (BT) -> 6

Размеры секций основной стрелы

Знак
Длина стрелы
Примечание
Основание основной стрелы
6 м
Основание основной стрелы
Клиновидная секция основной стрелы
6 м
Клиновидная секция основной стрелы
Промежуточная секция основной стрелы
3 м
Промежуточная секция основной стрелы
Промежуточная секция основной стрелы
6 м
Промежуточная секция основной стрелы
Промежуточная секция основной стрелы
9 м
Промежуточная секция основной стрелы
ТЕХНИЧЕСКИЕ ХАРАКТЕРИСТИКИ КРАНА (СТРЕЛА МАКСИМАЛЬНОЙ ДЛИНЫ С ГУСЬКОМ)

ТЕХНИЧЕСКИЕ ХАРАКТЕРИСТИКИ КРАНА (СТРЕЛА МАКСИМАЛЬНОЙ ДЛИНЫ С ГУСЬКОМ)

Комбинации основной стрелы

24 м
Основание основной стрелы (B) -> 6 Промежуточная секция основной стрелы (3) -> 3 Промежуточная секция основной стрелы (9) -> 9 Клиновидная секция основной стрелы (BT) -> 6
45 м
Основание основной стрелы (B) -> 6 Промежуточная секция основной стрелы (6) -> 6 Промежуточная секция основной стрелы (9) -> 9 Промежуточная секция основной стрелы (9) -> 9 Промежуточная секция основной стрелы (9) -> 9 Клиновидная секция основной стрелы (BT) -> 6

Размеры секций основной стрелы

Знак
Длина стрелы
Примечание
Основание основной стрелы
6 м
Основание основной стрелы
Промежуточная секция основной стрелы
9 м
Промежуточная секция основной стрелы
Клиновидная секция основной стрелы
6 м
Клиновидная секция основной стрелы
Промежуточная секция основной стрелы
3 м
Промежуточная секция основной стрелы
Промежуточная секция основной стрелы
6 м
Промежуточная секция основной стрелы

Комбинации гуська

9 м
Основание основной стрелы (B) -> 4.5 Клиновидная секция основной стрелы (BT) -> 4.5
13.5 м
Основание основной стрелы (B) -> 4.5 Промежуточная секция основной стрелы (45) -> 4.5 Клиновидная секция основной стрелы (BT) -> 4.5
18 м
Основание основной стрелы (B) -> 4.5 Промежуточная секция основной стрелы (45) -> 4.5 Промежуточная секция основной стрелы (45) -> 4.5 Клиновидная секция основной стрелы (BT) -> 4.5

Размеры секций гуська

Знак
Длинна стрелы
Примечание
Основание основной стрелы
4.5 м
Основание основной стрелы
Клиновидная секция основной стрелы
4.5 м
Клиновидная секция основной стрелы
Промежуточная секция основной стрелы
4.5 м
Промежуточная секция основной стрелы