В наличии демонстрационные модели кранов грузоподъёмностью от 100 до 750 тонн за 50% от стоимости!!!
Гусеничный кран FWX-185

Гусеничный кран FWX-185

Основные характеристики
  • Максимальная грузоподъемность: 185 т
  • Длина основной стрелы: 18-85 м
  • Длина жёсткомонтируемого гуська: 13-31 м
  • Длина маневрового гуська: 22-52 м
Основные преимущества
  • СТРЕЛА ИЗ НЕМЕЦКОЙ ВЫСОКОПРОЧНОЙ СТАЛИ
  • ВОЗМОЖНОСТЬ ПЕРЕДВИЖЕНИЯ КРАНА С ГРУЗОМ ПО СТРОИТЕЛЬНОЙ ПЛОЩАДКЕ
  • КОМПЛЕКТУЮЩИЕ КРАНА ИМПОРТНОГО ПРОИЗВОДСТВА (ЯПОНИЯ, ГЕРМАНИЯ, США), ЧТО ПОДТВЕРЖДАЕТ ВЫСОКОЕ КАЧЕСТВО КРАНА
  • ТЕМПЕРАТУРНЫЙ РЕЖИМ -40°С
  • ВОЗМОЖНОСТЬ РАБОТЫ КРАНА С ДОПОЛНИТЕЛЬНЫМ ОБОРУДОВАНИЕМ
  • РУСИФИКАЦИЯ ПРИБОРОВ УПРАВЛЕНИЯ КРАНОМ (УПРАВЛЕНИЕ КРАНОМ НА РУССКОМ ЯЗЫКЕ)
Гусеничный кран FWX-185

Гусеничный кран FWX-185

Технические характеристики
Грузовысотные характеристики
Габариты
Транспортировка
Конфигурация

Характеристики

Характеристики
Значение
Ед.изм.
Максимальная грузоподъемность
185
т
Грузовой момент
133 х 8 = 1064
т·м
Длина основной стрелы
18-85
м
Длина жёсткомонтируемого гуська
13-31
м
Основная стрела + маневровый гусёк
58,8 + 52 = 110,8
м
Основная стрела + жёсткомонтируемый гусёк
70,4 + 31 = 101,4
м
Угол изменения вылета основной стрелы
30-82
град
Крюковые обоймы
15/50/120/185
т
Скорость работы основной лебёдки
120
м/мин
Скорость работы вспомогательной лебёдки
120
м/мин
Скорость подъёма/опускания основной стрелы
28 х 2
м/мин
Скорость поворота
2
об/мин
Скорость передвижения
1,2
км/ч
Макс. нагрузка на одну нить каната
13,4
т
Максимальный преодолеваемый подъем
30
%
Масса крана (в базовой комплектации)
180
т
Давление на грунт
1,22
кгс/см2
Масса противовеса
66
т
Радиус разворота
6360
мм
Двигатель
242/2100/329 Cammins QSL-9 (США) / 264/2200/359 Shanghai
кВт/об/мин/лс
Длина маневрового гуська
22-52
м

Грузовысотные характеристики

Грузовысотные характеристики

Габариты

Габариты

Транспортировка

Базовая машина
Базовая машина x1
Длина
11.95 м
Ширина
3.00 м
Высота
3.16 м
Вес
43000 кг
Гусеница (в сборе)
Гусеница (в сборе) x2
Длина
11.95 м
Ширина
3.00 м
Высота
3.16 м
Вес
20000 кг
Противовес
Противовес x1
Длина
5.82 м
Ширина
1.65 м
Высота
0.21 м
Вес
10000 кг
Противовес
Противовес x8
Длина
1.69 м
Ширина
1.665 м
Высота
0.72 м
Вес
6500 кг
Противовес
Противовес x2
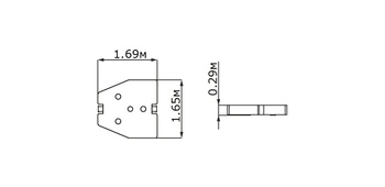
Длина
1.69 м
Ширина
1.65 м
Высота
0.29 м
Вес
2000 кг
Центральный противовес
Центральный противовес x2
Длина
2.61 м
Ширина
2.26 м
Высота
0.96 м
Вес
12000 кг
Оголовок стрелы
Оголовок стрелы x1
Длина
9.71 м
Ширина
1.66 м
Высота
2.34 м
Вес
2850 кг
Корневая секция стрелы
Корневая секция стрелы x1
Длина
9.30 м
Ширина
2.14 м
Высота
2.35 м
Вес
2600 кг
Секция стрелы 3 м
Секция стрелы 3 м x1
Длина
3.20 м
Ширина
2.16 м
Высота
2.28 м
Вес
770 кг
Секция стрелы 6 м
Секция стрелы 6 м x1
Длина
6.20 м
Ширина
2.16 м
Высота
2.88 м
Вес
1210 кг
Секция стрелы 11,6 м
Секция стрелы 11,6 м x5
Длина
11.80 м
Ширина
2.16 м
Высота
2.28 м
Вес
2150 кг
Корневая секция фикс.гуська
Корневая секция фикс.гуська x1
Длина
5.90 м
Ширина
1.00 м
Высота
1.76 м
Вес
860 кг
Секция фикс.гуська 3 м
Секция фикс.гуська 3 м x1
Длина
3.08 м
Ширина
1.00 м
Высота
0.83 м
Вес
150 кг
Секция фикс.гуська 6 м
Секция фикс.гуська 6 м x3
Длина
6.12 м
Ширина
1.00 м
Высота
0.91 м
Вес
370 кг
Оголовок фикс.гуська
Оголовок фикс.гуська x1
Длина
5.43 м
Ширина
1.00 м
Высота
0.84 м
Вес
370 кг
Секция стрелы коническая
Секция стрелы коническая x1
Длина
8.20 м
Ширина
2.12 м
Высота
2.57 м
Вес
1740 кг
Оголовок маневрого гуська
Оголовок маневрого гуська x1
Длина
8.54 м
Ширина
1.63 м
Высота
1.74 м
Вес
1650 кг
Корневая секция маневрового гуська
Корневая секция маневрового гуська x1
Длина
9.74 м
Ширина
1.63 м
Высота
3.26 м
Вес
5440 кг
Секция маневрового гуська 3 м
Секция маневрового гуська 3 м x1
Длина
3.21 м
Ширина
1.63 м
Высота
1.62 м
Вес
550 кг
Секция маневрового гуська 6 м
Секция маневрового гуська 6 м x2
Длина
6.20 м
Ширина
1.63 м
Высота
1.62 м
Вес
790 кг
Секция маневрового гуська 9 м
Секция маневрового гуська 9 м x3
Длина
9.20 м
Ширина
1.63 м
Высота
1.62 м
Вес
1290 кг
Раннер (доп.шкив)
Раннер (доп.шкив) x1
Длина
2.08 м
Ширина
1.06 м
Высота
1.38 м
Вес
260 кг
Крюк 185 т (можно переоборудовать в 120 т)
Крюк 185 т (можно переоборудовать в 120 т) x1
Длина
2.75 м
Ширина
0.85 м
Высота
1.05 м
Вес
3550 кг
Крюк 50 т
Крюк 50 т x1
Длина
1.76 м
Ширина
0.68 м
Высота
0.31 м
Вес
750 кг
Крюк 15 т
Крюк 15 т x1
Длина
1.40 м
Ширина
0.40 м
Высота
0.40 м
Вес
700 кг
Конфигурация-1 (FWX-185)
Конфигурация-2 (FWX-185)
Конфигурация-3 (FWX-185)
Конфигурация-4 (FWX-185)
Конфигурация-5 (FWX-185)
ТЕХНИЧЕСКИЕ ХАРАКТЕРИСТИКИ КРАНА (МАКСИМАЛЬНАЯ ДЛИНА СТРЕЛЫ)

ТЕХНИЧЕСКИЕ ХАРАКТЕРИСТИКИ КРАНА (МАКСИМАЛЬНАЯ ДЛИНА СТРЕЛЫ)

Комбинации основной стрелы

16 м
Основание основной стрелы (B) -> 8 Клиновидная секция основной стрелы (BT) -> 8
19 м
Основание основной стрелы (B) -> 8 Промежуточная секция основной стрелы (3) -> 3 Клиновидная секция основной стрелы (BT) -> 8
22 м
Основание основной стрелы (B) -> 8 Промежуточная секция основной стрелы (6) -> 6 Клиновидная секция основной стрелы (BT) -> 8
25 м
Основание основной стрелы (B) -> 8 Промежуточная секция основной стрелы (3) -> 3 Промежуточная секция основной стрелы (6) -> 6 Клиновидная секция основной стрелы (BT) -> 8
28 м
Основание основной стрелы (B) -> 8 Промежуточная секция основной стрелы (3) -> 3 Промежуточная секция основной стрелы (9A) -> 9 Клиновидная секция основной стрелы (BT) -> 8
31 м
Основание основной стрелы (B) -> 8 Промежуточная секция основной стрелы (3) -> 3 Промежуточная секция основной стрелы (6) -> 6 Промежуточная секция основной стрелы (6) -> 6 Клиновидная секция основной стрелы (BT) -> 8
34 м
Основание основной стрелы (B) -> 8 Промежуточная секция основной стрелы (3) -> 3 Промежуточная секция основной стрелы (6) -> 6 Промежуточная секция основной стрелы (9A) -> 9 Клиновидная секция основной стрелы (BT) -> 8
37 м
Основание основной стрелы (B) -> 8 Промежуточная секция основной стрелы (3) -> 3 Промежуточная секция основной стрелы (9A) -> 9 Промежуточная секция основной стрелы (9B) -> 9 Клиновидная секция основной стрелы (BT) -> 8
40 м
Основание основной стрелы (B) -> 8 Промежуточная секция основной стрелы (3) -> 3 Промежуточная секция основной стрелы (6) -> 6 Промежуточная секция основной стрелы (6) -> 6 Промежуточная секция основной стрелы (9A) -> 9 Клиновидная секция основной стрелы (BT) -> 8
43 м
Основание основной стрелы (B) -> 8 Промежуточная секция основной стрелы (3) -> 3 Промежуточная секция основной стрелы (6) -> 6 Промежуточная секция основной стрелы (9A) -> 9 Промежуточная секция основной стрелы (9B) -> 9 Клиновидная секция основной стрелы (BT) -> 8
46 м
Основание основной стрелы (B) -> 8 Промежуточная секция основной стрелы (3) -> 3 Промежуточная секция основной стрелы (6) -> 6 Промежуточная секция основной стрелы (9A) -> 9 Промежуточная секция основной стрелы (12) -> 12 Клиновидная секция основной стрелы (BT) -> 8
49 м
Основание основной стрелы (B) -> 8 Промежуточная секция основной стрелы (3) -> 3 Промежуточная секция основной стрелы (6) -> 6 Промежуточная секция основной стрелы (6) -> 6 Промежуточная секция основной стрелы (9A) -> 9 Промежуточная секция основной стрелы (9B) -> 9 Клиновидная секция основной стрелы (BT) -> 8
52 м
Основание основной стрелы (B) -> 8 Промежуточная секция основной стрелы (3) -> 3 Промежуточная секция основной стрелы (6) -> 6 Промежуточная секция основной стрелы (6) -> 6 Промежуточная секция основной стрелы (9A) -> 9 Промежуточная секция основной стрелы (12) -> 12 Клиновидная секция основной стрелы (BT) -> 8
55 м
Основание основной стрелы (B) -> 8 Промежуточная секция основной стрелы (3) -> 3 Промежуточная секция основной стрелы (6) -> 6 Промежуточная секция основной стрелы (9A) -> 9 Промежуточная секция основной стрелы (9B) -> 9 Промежуточная секция основной стрелы (12) -> 12 Клиновидная секция основной стрелы (BT) -> 8
58 м
Основание основной стрелы (B) -> 8 Промежуточная секция основной стрелы (3) -> 3 Промежуточная секция основной стрелы (6) -> 6 Промежуточная секция основной стрелы (9A) -> 9 Промежуточная секция основной стрелы (12) -> 12 Промежуточная секция основной стрелы (12) -> 12 Клиновидная секция основной стрелы (BT) -> 8
61 м
Основание основной стрелы (B) -> 8 Промежуточная секция основной стрелы (3) -> 3 Промежуточная секция основной стрелы (6) -> 6 Промежуточная секция основной стрелы (6) -> 6 Промежуточная секция основной стрелы (9A) -> 9 Промежуточная секция основной стрелы (9B) -> 9 Промежуточная секция основной стрелы (12) -> 12 Клиновидная секция основной стрелы (BT) -> 8
64 м
Основание основной стрелы (B) -> 8 Промежуточная секция основной стрелы (3) -> 3 Промежуточная секция основной стрелы (6) -> 6 Промежуточная секция основной стрелы (6) -> 6 Промежуточная секция основной стрелы (9A) -> 9 Промежуточная секция основной стрелы (12) -> 12 Промежуточная секция основной стрелы (12) -> 12 Клиновидная секция основной стрелы (BT) -> 8
67 м
Основание основной стрелы (B) -> 8 Промежуточная секция основной стрелы (3) -> 3 Промежуточная секция основной стрелы (6) -> 6 Промежуточная секция основной стрелы (9A) -> 9 Промежуточная секция основной стрелы (9B) -> 9 Промежуточная секция основной стрелы (12) -> 12 Промежуточная секция основной стрелы (12) -> 12 Клиновидная секция основной стрелы (BT) -> 8
70 м
Основание основной стрелы (B) -> 8 Промежуточная секция основной стрелы (6) -> 6 Промежуточная секция основной стрелы (6) -> 6 Промежуточная секция основной стрелы (9A) -> 9 Промежуточная секция основной стрелы (9B) -> 9 Промежуточная секция основной стрелы (12) -> 12 Промежуточная секция основной стрелы (12) -> 12 Клиновидная секция основной стрелы (BT) -> 8
73 м
Основание основной стрелы (B) -> 8 Промежуточная секция основной стрелы (3) -> 3 Промежуточная секция основной стрелы (6) -> 6 Промежуточная секция основной стрелы (6) -> 6 Промежуточная секция основной стрелы (9A) -> 9 Промежуточная секция основной стрелы (9B) -> 9 Промежуточная секция основной стрелы (12) -> 12 Промежуточная секция основной стрелы (12) -> 12 Клиновидная секция основной стрелы (BT) -> 8

Размеры секций основной стрелы

Знак
Длинна стрелы
Примечание
Основание основной стрелы
8 м
Основание основной стрелы
Клиновидная секция основной стрелы
8 м
Клиновидная секция основной стрелы
Промежуточная секция основной стрелы
3 м
Промежуточная секция основной стрелы
Промежуточная секция основной стрелы
6 м
Промежуточная секция основной стрелы
Промежуточная секция основной стрелы
9 м
Промежуточная секция основной стрелы
Промежуточная секция основной стрелы
9 м
Промежуточная секция основной стрелы
Промежуточная секция основной стрелы
12 м
Промежуточная секция основной стрелы
ТЕХНИЧЕСКИЕ ХАРАКТЕРИСТИКИ КРАНА (МАКСИМАЛЬНАЯ ДЛИНА СТРЕЛЫ С РАННЕРОМ)

ТЕХНИЧЕСКИЕ ХАРАКТЕРИСТИКИ КРАНА (МАКСИМАЛЬНАЯ ДЛИНА СТРЕЛЫ С РАННЕРОМ)

Комбинации основной стрелы

40 м
Основание основной стрелы (B) -> 8 Промежуточная секция основной стрелы (3) -> 3 Промежуточная секция основной стрелы (6) -> 6 Промежуточная секция основной стрелы (6) -> 6 Промежуточная секция основной стрелы (9A) -> 9 Клиновидная секция основной стрелы (BT) -> 8
43 м
Основание основной стрелы (B) -> 8 Промежуточная секция основной стрелы (3) -> 3 Промежуточная секция основной стрелы (6) -> 6 Промежуточная секция основной стрелы (9A) -> 9 Промежуточная секция основной стрелы (9B) -> 9 Клиновидная секция основной стрелы (BT) -> 8
46 м
Основание основной стрелы (B) -> 8 Промежуточная секция основной стрелы (3) -> 3 Промежуточная секция основной стрелы (6) -> 6 Промежуточная секция основной стрелы (9A) -> 9 Промежуточная секция основной стрелы (12) -> 12 Клиновидная секция основной стрелы (BT) -> 8
49 м
Основание основной стрелы (B) -> 8 Промежуточная секция основной стрелы (3) -> 3 Промежуточная секция основной стрелы (6) -> 6 Промежуточная секция основной стрелы (6) -> 6 Промежуточная секция основной стрелы (9A) -> 9 Промежуточная секция основной стрелы (9B) -> 9 Клиновидная секция основной стрелы (BT) -> 8
52 м
Основание основной стрелы (B) -> 8 Промежуточная секция основной стрелы (3) -> 3 Промежуточная секция основной стрелы (6) -> 6 Промежуточная секция основной стрелы (6) -> 6 Промежуточная секция основной стрелы (9A) -> 9 Промежуточная секция основной стрелы (12) -> 12 Клиновидная секция основной стрелы (BT) -> 8
55 м
Основание основной стрелы (B) -> 8 Промежуточная секция основной стрелы (3) -> 3 Промежуточная секция основной стрелы (6) -> 6 Промежуточная секция основной стрелы (9A) -> 9 Промежуточная секция основной стрелы (9B) -> 9 Промежуточная секция основной стрелы (12) -> 12 Клиновидная секция основной стрелы (BT) -> 8
58 м
Основание основной стрелы (B) -> 8 Промежуточная секция основной стрелы (3) -> 3 Промежуточная секция основной стрелы (6) -> 6 Промежуточная секция основной стрелы (9A) -> 9 Промежуточная секция основной стрелы (12) -> 12 Промежуточная секция основной стрелы (12) -> 12 Клиновидная секция основной стрелы (BT) -> 8
61 м
Основание основной стрелы (B) -> 8 Промежуточная секция основной стрелы (3) -> 3 Промежуточная секция основной стрелы (6) -> 6 Промежуточная секция основной стрелы (6) -> 6 Промежуточная секция основной стрелы (9A) -> 9 Промежуточная секция основной стрелы (9B) -> 9 Промежуточная секция основной стрелы (12) -> 12 Клиновидная секция основной стрелы (BT) -> 8

Размеры секций основной стрелы

Знак
Длинна стрелы
Примечание
Основание основной стрелы
8 м
Основание основной стрелы
Промежуточная секция основной стрелы
3 м
Промежуточная секция основной стрелы
Промежуточная секция основной стрелы
6 м
Промежуточная секция основной стрелы
Клиновидная секция основной стрелы
8 м
Клиновидная секция основной стрелы
Промежуточная секция основной стрелы
9 м
Промежуточная секция основной стрелы
Промежуточная секция основной стрелы
9 м
Промежуточная секция основной стрелы
Промежуточная секция основной стрелы
12 м
Промежуточная секция основной стрелы
ТЕХНИЧЕСКИЕ ХАРАКТЕРИСТИКИ КРАНА (СТРЕЛА ТЯЖЕЛАЯ И ЛЕГКАЯ)

ТЕХНИЧЕСКИЕ ХАРАКТЕРИСТИКИ КРАНА (СТРЕЛА ТЯЖЕЛАЯ И ЛЕГКАЯ)

Комбинации тяжелой и легкой стрелы

48.5 м
Основание основной стрелы (BC) -> 8 Промежуточная секция основной стрелы (3C) -> 3 Промежуточная секция основной стрелы (6C) -> 6 Промежуточная секция основной стрелы (6C) -> 6 Промежуточная секция основной стрелы (9C) -> 9 Переходная секция (12C) -> 12 Клиновидная секция основной стрелы (BTC) -> 4.5
51.5 м
Основание основной стрелы (BC) -> 8 Промежуточная секция основной стрелы (3C) -> 3 Промежуточная секция основной стрелы (6C) -> 6 Промежуточная секция основной стрелы (6C) -> 6 Промежуточная секция основной стрелы (9C) -> 9 Переходная секция (12C) -> 12 Промежуточная секция башенной стрелы (3CA) -> 3 Клиновидная секция основной стрелы (BTC) -> 4.5
54.5 м
Основание основной стрелы (BC) -> 8 Промежуточная секция основной стрелы (3C) -> 3 Промежуточная секция основной стрелы (6C) -> 6 Промежуточная секция основной стрелы (6C) -> 6 Промежуточная секция основной стрелы (9C) -> 9 Переходная секция (12C) -> 12 Промежуточная секция башенной стрелы (6CA) -> 6 Клиновидная секция основной стрелы (BTC) -> 4.5
57.5 м
Основание основной стрелы (BC) -> 8 Промежуточная секция основной стрелы (3C) -> 3 Промежуточная секция основной стрелы (6C) -> 6 Промежуточная секция основной стрелы (6C) -> 6 Промежуточная секция основной стрелы (9C) -> 9 Переходная секция (12C) -> 12 Промежуточная секция башенной стрелы (3CA) -> 3 Промежуточная секция башенной стрелы (6CA) -> 6 Клиновидная секция основной стрелы (BTC) -> 4.5
60.5 м
Основание основной стрелы (BC) -> 8 Промежуточная секция основной стрелы (3C) -> 3 Промежуточная секция основной стрелы (6C) -> 6 Промежуточная секция основной стрелы (6C) -> 6 Промежуточная секция основной стрелы (9C) -> 9 Переходная секция (12C) -> 12 Промежуточная секция башенной стрелы (3CA) -> 3 Промежуточная секция башенной стрелы (9CA) -> 9 Клиновидная секция основной стрелы (BTC) -> 4.5
63.5 м
Основание основной стрелы (BC) -> 8 Промежуточная секция основной стрелы (3C) -> 3 Промежуточная секция основной стрелы (6C) -> 6 Промежуточная секция основной стрелы (6C) -> 6 Промежуточная секция основной стрелы (9C) -> 9 Переходная секция (12C) -> 12 Промежуточная секция башенной стрелы (6CA) -> 6 Промежуточная секция башенной стрелы (9CA) -> 9 Клиновидная секция основной стрелы (BTC) -> 4.5
66.5 м
Основание основной стрелы (BC) -> 8 Промежуточная секция основной стрелы (3C) -> 3 Промежуточная секция основной стрелы (6C) -> 6 Промежуточная секция основной стрелы (6C) -> 6 Промежуточная секция основной стрелы (9C) -> 9 Переходная секция (12C) -> 12 Промежуточная секция башенной стрелы (3CA) -> 3 Промежуточная секция башенной стрелы (6CA) -> 6 Промежуточная секция башенной стрелы (9CA) -> 9 Клиновидная секция основной стрелы (BTC) -> 4.5
69.5 м
Основание основной стрелы (BC) -> 8 Промежуточная секция основной стрелы (3C) -> 3 Промежуточная секция основной стрелы (6C) -> 6 Промежуточная секция основной стрелы (6C) -> 6 Промежуточная секция основной стрелы (9C) -> 9 Переходная секция (12C) -> 12 Промежуточная секция башенной стрелы (3CA) -> 3 Промежуточная секция башенной стрелы (9CA) -> 9 Промежуточная секция башенной стрелы (9CA) -> 9 Клиновидная секция основной стрелы (BTC) -> 4.5
72.5 м
Основание основной стрелы (BC) -> 8 Промежуточная секция основной стрелы (3C) -> 3 Промежуточная секция основной стрелы (6C) -> 6 Промежуточная секция основной стрелы (6C) -> 6 Промежуточная секция основной стрелы (9C) -> 9 Переходная секция (12C) -> 12 Промежуточная секция башенной стрелы (6CA) -> 6 Промежуточная секция башенной стрелы (9CA) -> 9 Промежуточная секция башенной стрелы (9CA) -> 9 Клиновидная секция основной стрелы (BTC) -> 4.5
75.5 м
Основание основной стрелы (BC) -> 8 Промежуточная секция основной стрелы (3C) -> 3 Промежуточная секция основной стрелы (6C) -> 6 Промежуточная секция основной стрелы (6C) -> 6 Промежуточная секция основной стрелы (9C) -> 9 Переходная секция (12C) -> 12 Промежуточная секция башенной стрелы (3CA) -> 3 Промежуточная секция башенной стрелы (6CA) -> 6 Промежуточная секция башенной стрелы (9CA) -> 9 Промежуточная секция башенной стрелы (9CA) -> 9 Клиновидная секция основной стрелы (BTC) -> 4.5
78.5 м
Основание основной стрелы (BC) -> 8 Промежуточная секция основной стрелы (3C) -> 3 Промежуточная секция основной стрелы (6C) -> 6 Промежуточная секция основной стрелы (6C) -> 6 Промежуточная секция основной стрелы (9C) -> 9 Переходная секция (12C) -> 12 Промежуточная секция башенной стрелы (3CA) -> 3 Промежуточная секция башенной стрелы (9CA) -> 9 Промежуточная секция башенной стрелы (9CA) -> 9 Промежуточная секция башенной стрелы (9CA) -> 9 Клиновидная секция основной стрелы (BTC) -> 4.5
81.5 м
Основание основной стрелы (BC) -> 8 Промежуточная секция основной стрелы (3C) -> 3 Промежуточная секция основной стрелы (6C) -> 6 Промежуточная секция основной стрелы (6C) -> 6 Промежуточная секция основной стрелы (9C) -> 9 Переходная секция (12C) -> 12 Промежуточная секция башенной стрелы (6CA) -> 6 Промежуточная секция башенной стрелы (9CA) -> 9 Промежуточная секция башенной стрелы (9CA) -> 9 Промежуточная секция башенной стрелы (9CA) -> 9 Клиновидная секция основной стрелы (BTC) -> 4.5

Размеры секций основной стрелы

Знак
Длинна стрелы
Примечание
Основание основной стрелы
8 м
Основание основной стрелы
Промежуточная секция основной стрелы
3 м
Промежуточная секция основной стрелы
Промежуточная секция основной стрелы
6 м
Промежуточная секция основной стрелы
Промежуточная секция основной стрелы
9 м
Промежуточная секция основной стрелы
Переходная секция
12 м
Переходная секция
Клиновидная секция основной стрелы
4.5 м
Клиновидная секция основной стрелы
Промежуточная секция башенной стрелы
3 м
Промежуточная секция башенной стрелы
Промежуточная секция башенной стрелы
6 м
Промежуточная секция башенной стрелы
Промежуточная секция башенной стрелы
9 м
Промежуточная секция башенной стрелы
ТЕХНИЧЕСКИЕ ХАРАКТЕРИСТИКИ КРАНА (СТРЕЛА МАКСИМАЛЬНОЙ ДЛИНЫ С ФИКСИРОВАННЫМ ГУСЬКОМ)

ТЕХНИЧЕСКИЕ ХАРАКТЕРИСТИКИ КРАНА (СТРЕЛА МАКСИМАЛЬНОЙ ДЛИНЫ С ФИКСИРОВАННЫМ ГУСЬКОМ)

Комбинации основной стрелы

40 м
Основание основной стрелы (B) -> 8 Промежуточная секция основной стрелы (3) -> 3 Промежуточная секция основной стрелы (6) -> 6 Промежуточная секция основной стрелы (6) -> 6 Промежуточная секция основной стрелы (9A) -> 9 Клиновидная секция основной стрелы (BT) -> 8
61 м
Основание основной стрелы (B) -> 8 Промежуточная секция основной стрелы (3) -> 3 Промежуточная секция основной стрелы (6) -> 6 Промежуточная секция основной стрелы (6) -> 6 Промежуточная секция основной стрелы (9A) -> 9 Промежуточная секция основной стрелы (9B) -> 9 Промежуточная секция основной стрелы (12) -> 12 Клиновидная секция основной стрелы (BT) -> 8

Размеры секций основной стрелы

Знак
Длинна стрелы
Примечание
Основание основной стрелы
8 м
Основание основной стрелы
Промежуточная секция основной стрелы
3 м
Промежуточная секция основной стрелы
Промежуточная секция основной стрелы
6 м
Промежуточная секция основной стрелы
Клиновидная секция основной стрелы
8 м
Клиновидная секция основной стрелы
Промежуточная секция основной стрелы
9 м
Промежуточная секция основной стрелы
Промежуточная секция основной стрелы
9 м
Промежуточная секция основной стрелы
Промежуточная секция основной стрелы
12 м
Промежуточная секция основной стрелы

Комбинации гуська

13 м
Основание основной стрелы (B) -> 5 Промежуточная секция основной стрелы (3) -> 3 Клиновидная секция основной стрелы (BT) -> 5
19 м
Основание основной стрелы (B) -> 5 Промежуточная секция основной стрелы (3) -> 3 Промежуточная секция основной стрелы (6) -> 6 Клиновидная секция основной стрелы (BT) -> 5
25 м
Основание основной стрелы (B) -> 5 Промежуточная секция основной стрелы (3) -> 3 Промежуточная секция основной стрелы (6) -> 6 Промежуточная секция основной стрелы (6) -> 6 Клиновидная секция основной стрелы (BT) -> 5

Размеры секций гуська

Знак
Длинна стрелы
Примечание
Основание основной стрелы
5 м
Основание основной стрелы
Промежуточная секция основной стрелы
3 м
Промежуточная секция основной стрелы
Клиновидная секция основной стрелы
5 м
Клиновидная секция основной стрелы
Промежуточная секция основной стрелы
6 м
Промежуточная секция основной стрелы
ТЕХНИЧЕСКИЕ ХАРАКТЕРИСТИКИ КРАНА (СТРЕЛА МАКСИМАЛЬНОЙ ДЛИНЫ С МАНЕВРОВЫМ ГУСЬКОМ)

ТЕХНИЧЕСКИЕ ХАРАКТЕРИСТИКИ КРАНА (СТРЕЛА МАКСИМАЛЬНОЙ ДЛИНЫ С МАНЕВРОВЫМ ГУСЬКОМ)

Комбинации основной стрелы в башенном режиме

34 м
Основание основной стрелы (BD) -> 8 Промежуточная секция основной стрелы (3D) -> 3 Промежуточная секция основной стрелы (6D) -> 6 Промежуточная секция основной стрелы (9D) -> 9 Клиновидная секция основной стрелы (BTD) -> 8
37 м
Основание основной стрелы (BD) -> 8 Промежуточная секция основной стрелы (3D) -> 3 Промежуточная секция основной стрелы (9D) -> 9 Промежуточная секция основной стрелы (9D) -> 9 Клиновидная секция основной стрелы (BTD) -> 8
40 м
Основание основной стрелы (BD) -> 8 Промежуточная секция основной стрелы (3D) -> 3 Промежуточная секция основной стрелы (6D) -> 6 Промежуточная секция основной стрелы (6D) -> 6 Промежуточная секция основной стрелы (9D) -> 9 Клиновидная секция основной стрелы (BTD) -> 8
43 м
Основание основной стрелы (BD) -> 8 Промежуточная секция основной стрелы (3D) -> 3 Промежуточная секция основной стрелы (6D) -> 6 Промежуточная секция основной стрелы (9D) -> 9 Промежуточная секция основной стрелы (9D) -> 9 Клиновидная секция основной стрелы (BTD) -> 8
46 м
Основание основной стрелы (BD) -> 8 Промежуточная секция основной стрелы (6D) -> 6 Промежуточная секция основной стрелы (6D) -> 6 Промежуточная секция основной стрелы (9D) -> 9 Промежуточная секция основной стрелы (9D) -> 9 Клиновидная секция основной стрелы (BTD) -> 8
49 м
Основание основной стрелы (BD) -> 8 Промежуточная секция основной стрелы (3D) -> 3 Промежуточная секция основной стрелы (6D) -> 6 Промежуточная секция основной стрелы (9D) -> 9 Промежуточная секция основной стрелы (9D) -> 9 Промежуточная секция основной стрелы (9D) -> 9 Клиновидная секция основной стрелы (BTD) -> 8

Размеры секций основной стрелы

Знак
Длинна стрелы
Примечание
Основание основной стрелы
8 м
Основание основной стрелы
Промежуточная секция основной стрелы
3 м
Промежуточная секция основной стрелы
Промежуточная секция основной стрелы
6 м
Промежуточная секция основной стрелы
Промежуточная секция основной стрелы
9 м
Промежуточная секция основной стрелы
Клиновидная секция основной стрелы
8 м
Клиновидная секция основной стрелы

Комбинации маневренного гуська

19 м
Основание основной стрелы (BD) -> 8 Промежуточная секция основной стрелы (3D) -> 3 Клиновидная секция основной стрелы (BTDD) -> 8
22 м
Основание основной стрелы (BD) -> 8 Промежуточная секция основной стрелы (6D) -> 6 Клиновидная секция основной стрелы (BTDD) -> 8
25 м
Основание основной стрелы (BD) -> 8 Промежуточная секция основной стрелы (3D) -> 3 Промежуточная секция основной стрелы (6D) -> 6 Клиновидная секция основной стрелы (BTDD) -> 8
28 м
Основание основной стрелы (BD) -> 8 Промежуточная секция основной стрелы (3D) -> 3 Промежуточная секция основной стрелы (9D) -> 9 Клиновидная секция основной стрелы (BTDD) -> 8
31 м
Основание основной стрелы (BD) -> 8 Промежуточная секция основной стрелы (6D) -> 6 Промежуточная секция основной стрелы (9D) -> 9 Клиновидная секция основной стрелы (BTDD) -> 8
34 м
Основание основной стрелы (BD) -> 8 Промежуточная секция основной стрелы (3D) -> 3 Промежуточная секция основной стрелы (6D) -> 6 Промежуточная секция основной стрелы (9D) -> 9 Клиновидная секция основной стрелы (BTDD) -> 8
37 м
Основание основной стрелы (BD) -> 8 Промежуточная секция основной стрелы (3D) -> 3 Промежуточная секция основной стрелы (9D) -> 9 Промежуточная секция основной стрелы (9D) -> 9 Клиновидная секция основной стрелы (BTDD) -> 8
40 м
Основание основной стрелы (BD) -> 8 Промежуточная секция основной стрелы (3D) -> 3 Промежуточная секция основной стрелы (6D) -> 6 Промежуточная секция основной стрелы (6D) -> 6 Промежуточная секция основной стрелы (9D) -> 9 Клиновидная секция основной стрелы (BTDD) -> 8
43 м
Основание основной стрелы (BD) -> 8 Промежуточная секция основной стрелы (3D) -> 3 Промежуточная секция основной стрелы (6D) -> 6 Промежуточная секция основной стрелы (9D) -> 9 Промежуточная секция основной стрелы (9D) -> 9 Клиновидная секция основной стрелы (BTDD) -> 8
46 м
Основание основной стрелы (BD) -> 8 Промежуточная секция основной стрелы (6D) -> 6 Промежуточная секция основной стрелы (6D) -> 6 Промежуточная секция основной стрелы (9D) -> 9 Промежуточная секция основной стрелы (9D) -> 9 Клиновидная секция основной стрелы (BTDD) -> 8

Размеры секций маневренного гуська

Знак
Длинна стрелы
Примечание
Основание основной стрелы
8 м
Основание основной стрелы
Промежуточная секция основной стрелы
3 м
Промежуточная секция основной стрелы
Клиновидная секция основной стрелы
8 м
Клиновидная секция основной стрелы
Промежуточная секция основной стрелы
6 м
Промежуточная секция основной стрелы
Промежуточная секция основной стрелы
9 м
Промежуточная секция основной стрелы